LEMON Manuals: Even more car manuals for everyone: 1960-2025
Home >> Nissan-Datsun >> 2003 >> Sentra SE-R Spec V >> Repair and Diagnosis >> External Pages >> Different car >> Section 1201 (2004.5 - Remote Keyless Entry System - Sedan) >> Remote Keyless Entry System >> Schematic
April 5, 2026: LEMON Manuals is launched! Read the announcement.

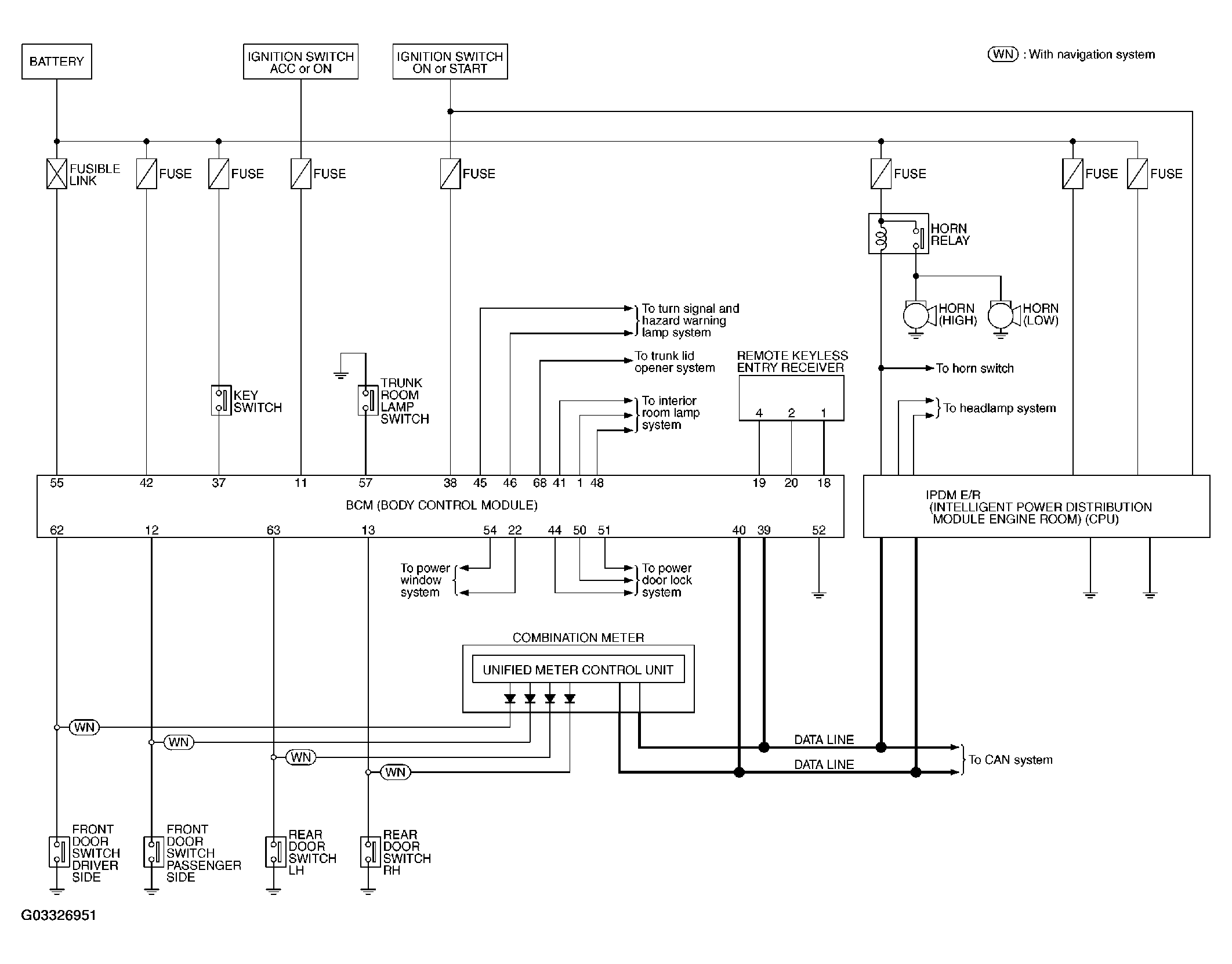
Remote Keyless Entry System: Schematic

WARNING: This page is about a different car, the 2004 Infiniti G35. However, it is still accessible from the selected car via links, so may be relevant.
Fig 1: Remote Keyless Entry System Schematic
G03326951Courtesy of NISSAN MOTOR CO., U.S.A.