LEMON Manuals: Even more car manuals for everyone: 1960-2025
Home >> Nissan-Datsun >> 2003 >> Sentra SE-R Spec V >> Repair and Diagnosis >> External Pages >> Different car >> Section 1201 (2004.5 - Remote Keyless Entry System - Sedan) >> Remote Keyless Entry System >> Wiring Diagram -KEYLES-
April 5, 2026: LEMON Manuals is launched! Read the announcement.

Wiring Diagram -KEYLES-

WARNING: This page is about a different car, the 2004 Infiniti G35. However, it is still accessible from the selected car via links, so may be relevant.
NOTE: For references to PG-POWER, see GROUND DISTRIBUTION & POWER DISTRIBUTION .
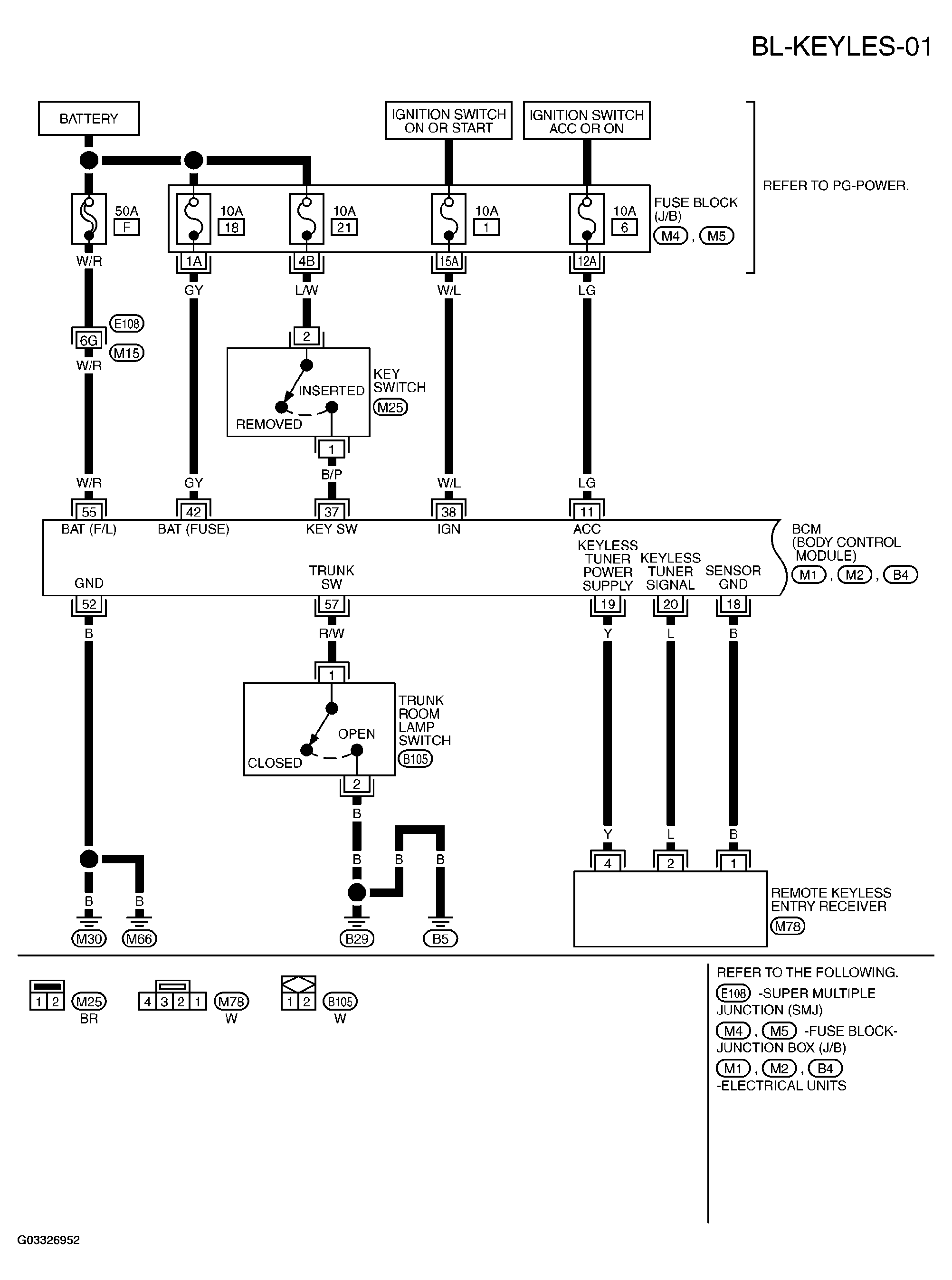
Fig 1: Wiring Diagram (BL-KEYLES-01)
G03326952Courtesy of NISSAN MOTOR CO., U.S.A.
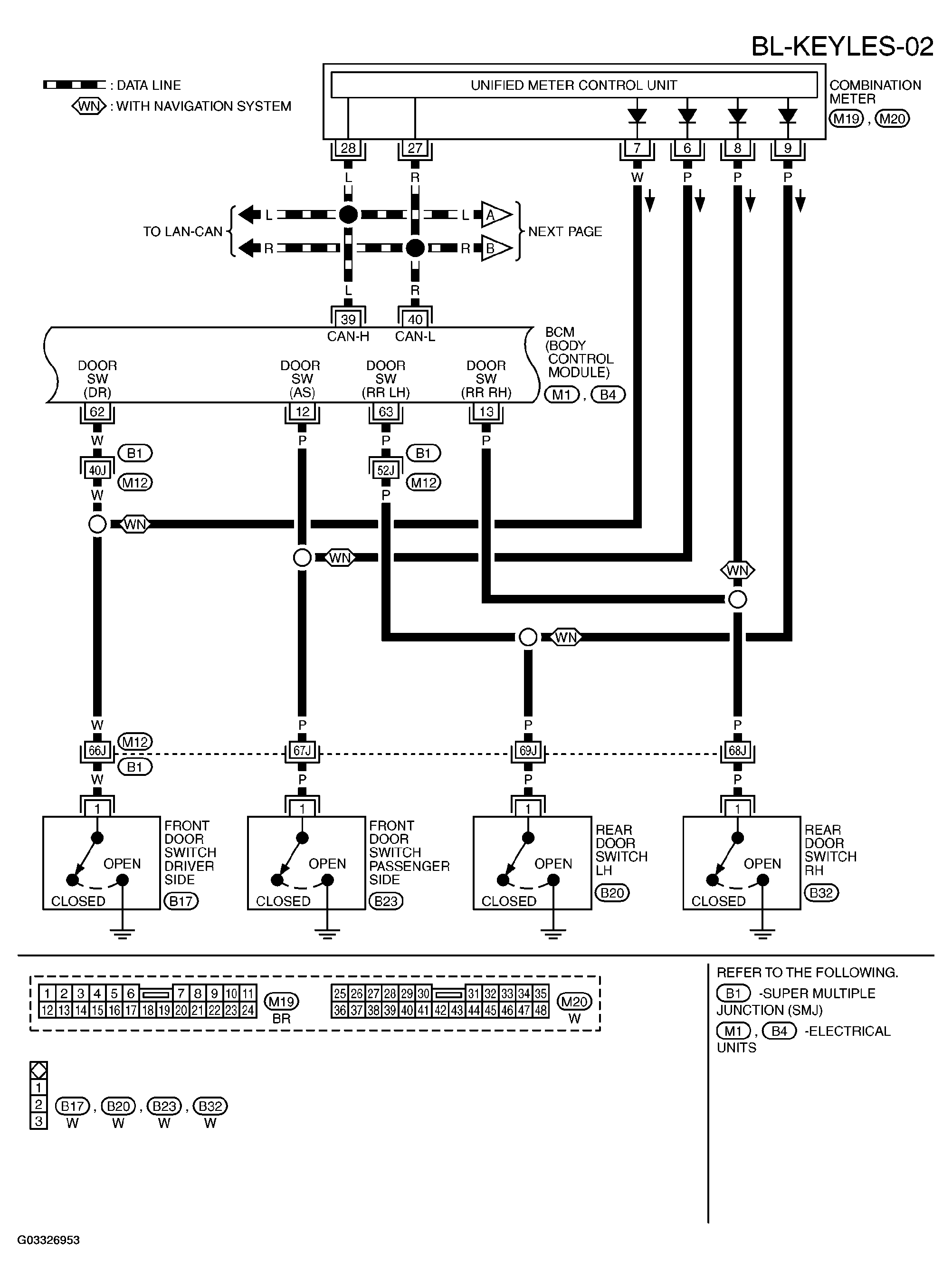
Fig 2: Wiring Diagram (BL-KEYLES-02)
G03326953Courtesy of NISSAN MOTOR CO., U.S.A.
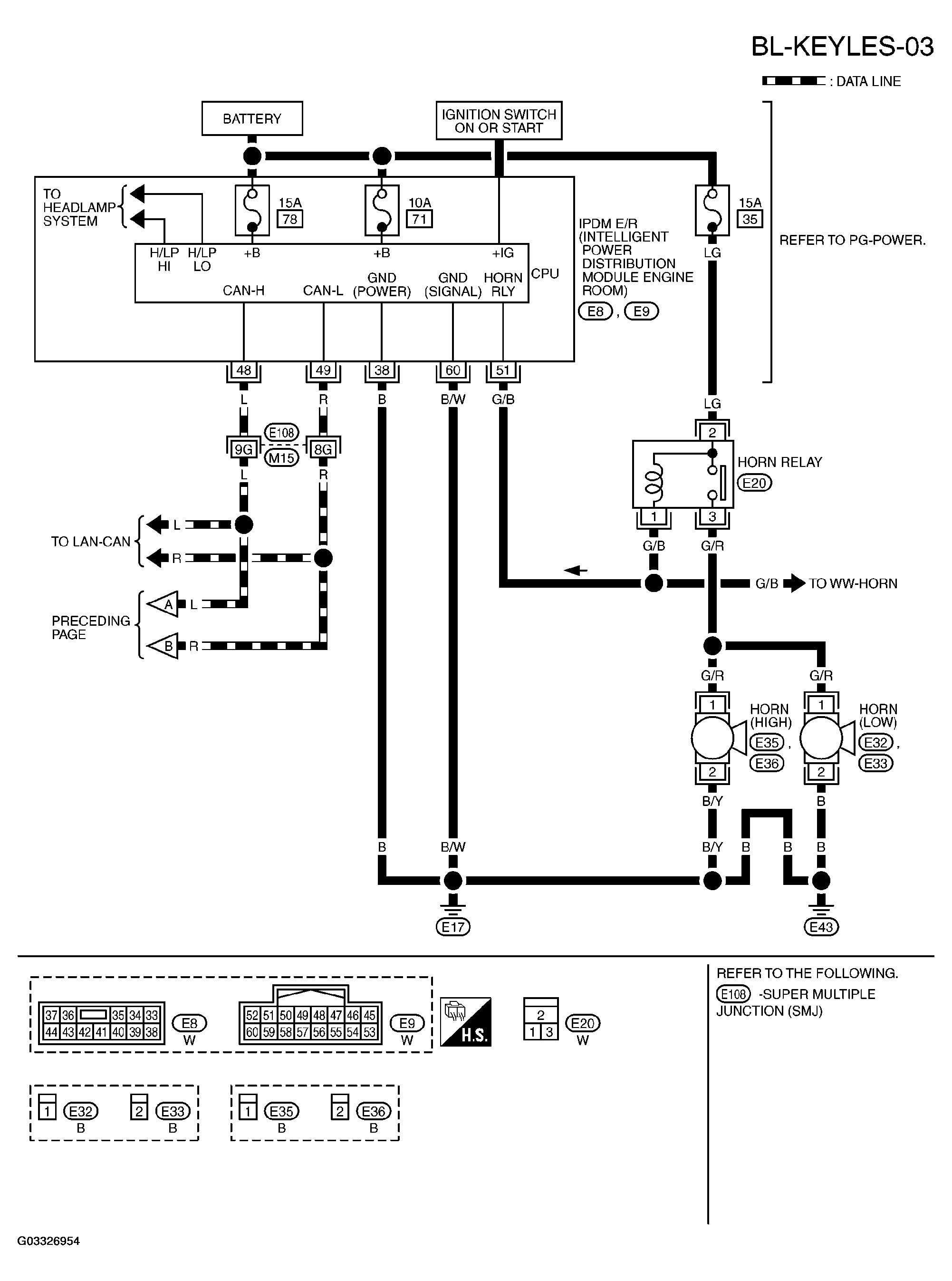
Fig 3: Wiring Diagram (BL-KEYLES-03)
G03326954Courtesy of NISSAN MOTOR CO., U.S.A.
Fig 4: Wiring Diagram (BL-KEYLES-04)
G03326955Courtesy of NISSAN MOTOR CO., U.S.A.