LEMON Manuals: Even more car manuals for everyone: 1960-2025
Home >> Nissan-Datsun >> 2003 >> Sentra SE-R Spec V >> Repair and Diagnosis >> External Pages >> Different car >> Section 1721 (Audio, Visual, Navigation & Telephone System) >> Audio >> Wiring Diagram - AUDIO >> Base And Mid Level System
April 5, 2026: LEMON Manuals is launched! Read the announcement.

Base And Mid Level System

WARNING: This page is about a different car, the 2006 Nissan Pathfinder. However, it is still accessible from the selected car via links, so may be relevant.
NOTE: For PG references see POWER SUPPLY, GROUND AND CIRCUIT ELEMENTS
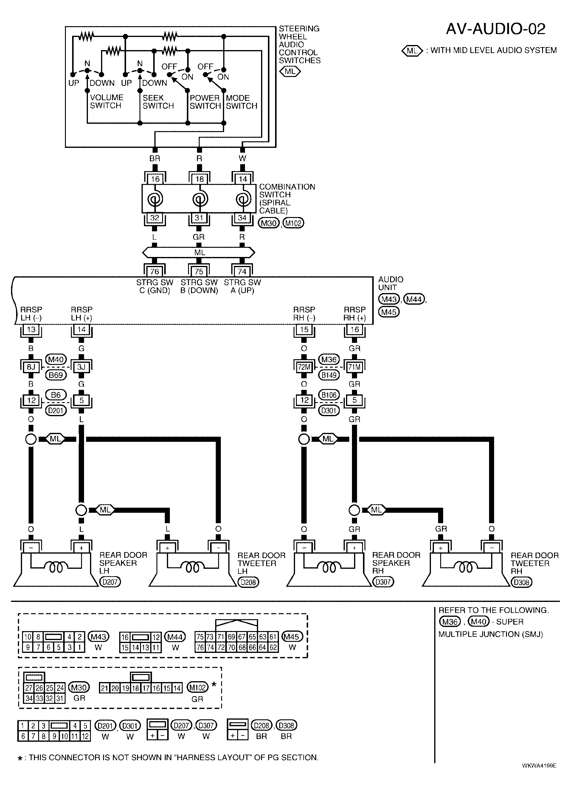
Fig 1: Wiring Diagram - AV-Audio-01 - (1 Of 12)
G04177600Courtesy of NISSAN MOTOR CO., U.S.A.
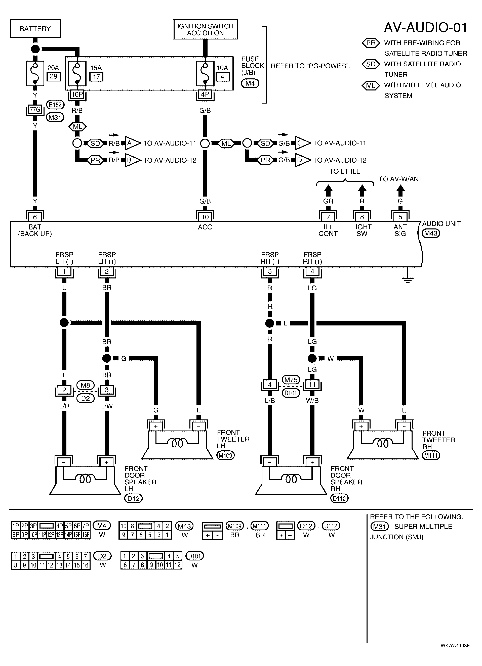
Fig 2: Wiring Diagram - AV-Audio-02 - (2 Of 12)
G04177601Courtesy of NISSAN MOTOR CO., U.S.A.