LEMON Manuals: Even more car manuals for everyone: 1960-2025
Home >> Nissan-Datsun >> 2003 >> Sentra SE-R, Automatic >> Repair and Diagnosis >> External Pages >> Different car >> Section 1434 (Body, Lock & Security System) >> Power Door Lock System >> Schematic/With Intelligent Key
April 5, 2026: LEMON Manuals is launched! Read the announcement.

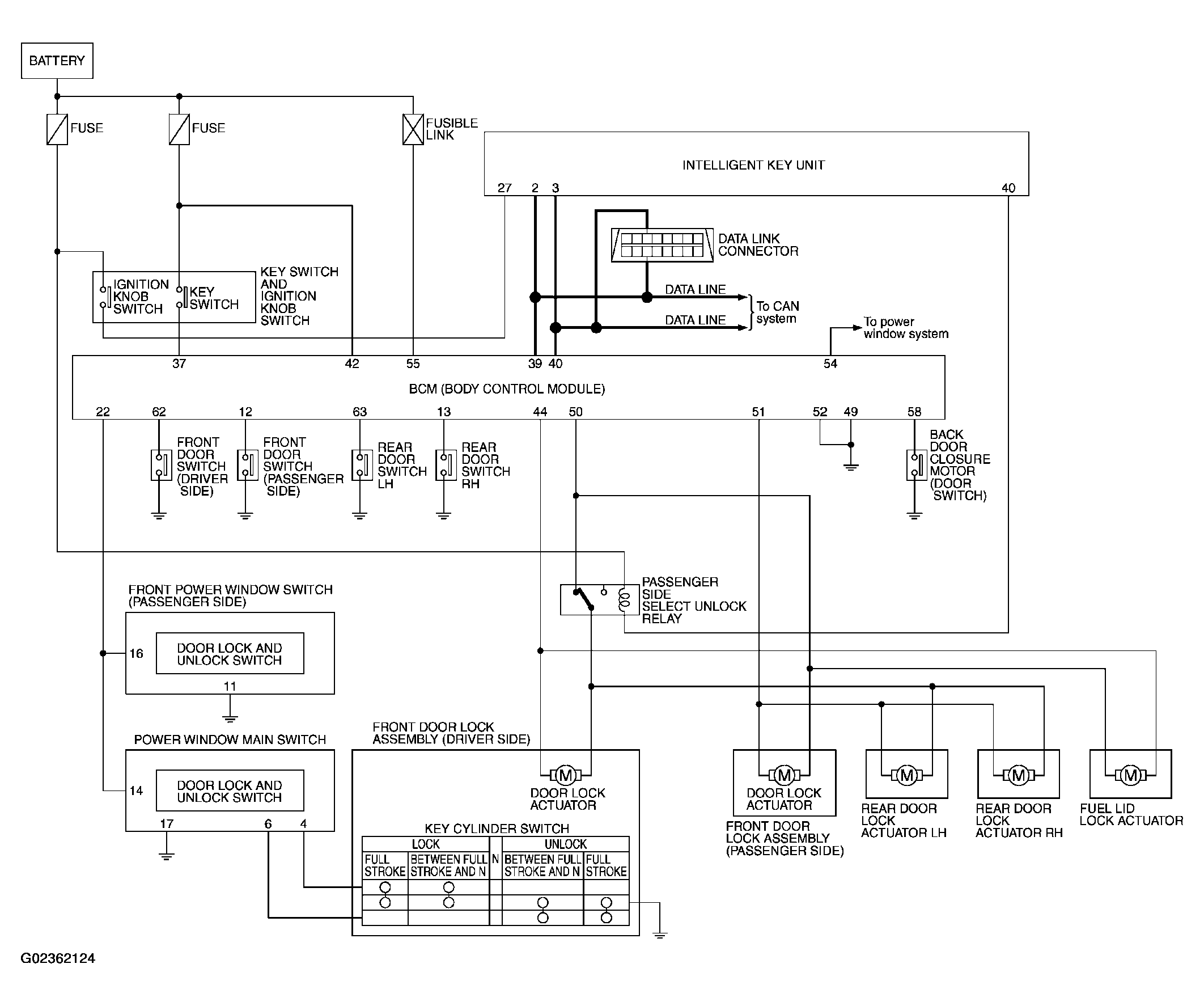
Schematic/With Intelligent Key

WARNING: This page is about a different car, the 2005 Infiniti FX45 and 2005 Infiniti FX35. However, it is still accessible from the selected car via links, so may be relevant.
Fig 1: Schematic/With Intelligent Key Diagram
G02362124Courtesy of NISSAN MOTOR CO., U.S.A.