LEMON Manuals: Even more car manuals for everyone: 1960-2025
Home >> Nissan-Datsun >> 2003 >> Sentra SE-R, Automatic >> Repair and Diagnosis >> External Pages >> Different car >> Section 1532 (Automatic Transmission) >> Overhaul >> Components >> 4WD models
April 5, 2026: LEMON Manuals is launched! Read the announcement.

4WD models

WARNING: This page is about a different car, the 2005 Nissan Xterra. However, it is still accessible from the selected car via links, so may be relevant.
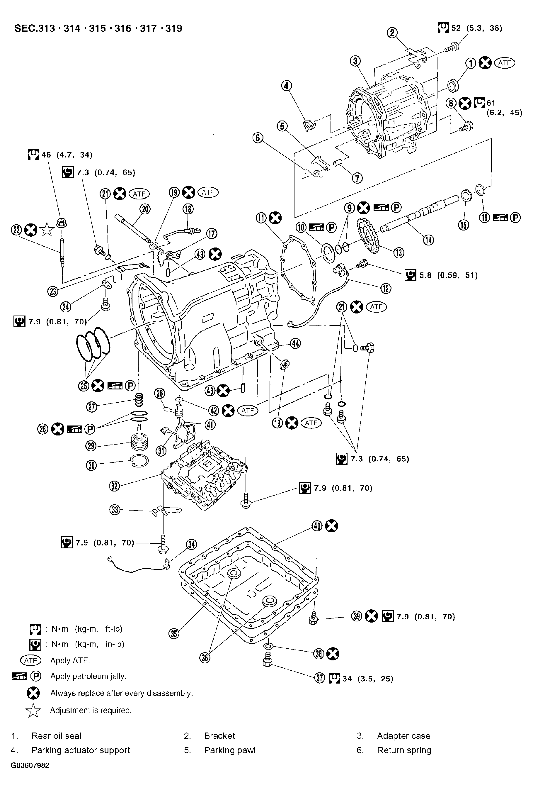
Fig 1: Automatic Transmission System Replacement Components With Torque Specifications 4WD models (1 Of 2)
G03607982Courtesy of NISSAN MOTOR CO., U.S.A.
Fig 2: Identifying Automatic Transmission System Components 4WD models (2 Of 2)
G03607983Courtesy of NISSAN MOTOR CO., U.S.A.