LEMON Manuals: Even more car manuals for everyone: 1960-2025
Home >> Nissan-Datsun >> 2003 >> Sentra SE-R, Automatic >> Repair and Diagnosis >> External Pages >> Different car >> Section 1584 (Audio, Visual, Navigation & Telephone System) >> Audio >> Schematic >> Midline System
April 5, 2026: LEMON Manuals is launched! Read the announcement.

Midline System

WARNING: This page is about a different car, the 2005 Nissan Titan. However, it is still accessible from the selected car via links, so may be relevant.
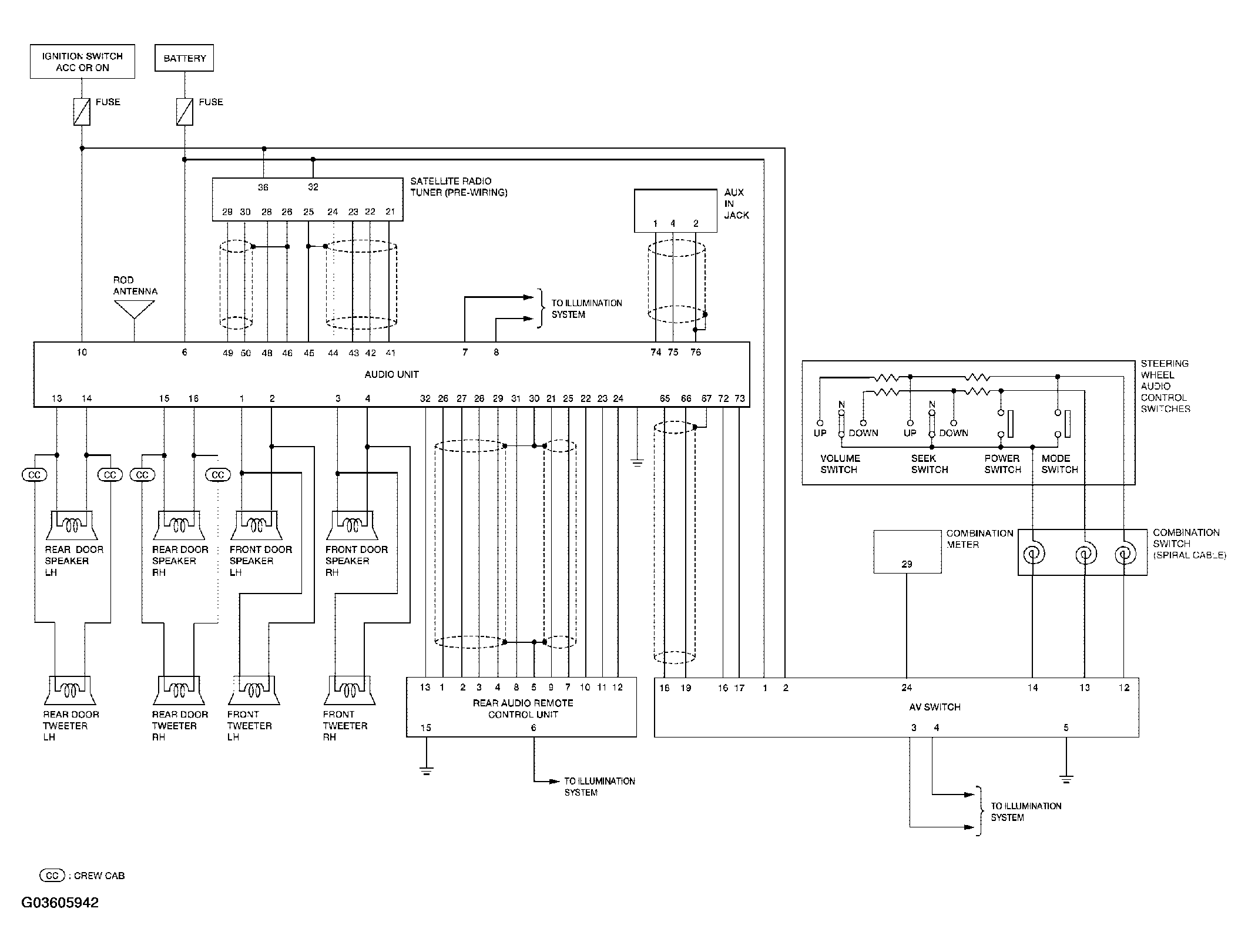
Fig 1: Midline System Schematic Diagram
G03605942Courtesy of NISSAN MOTOR CO., U.S.A.