LEMON Manuals: Even more car manuals for everyone: 1960-2025
Home >> Nissan-Datsun >> 2003 >> Sentra SE-R, Automatic >> Repair and Diagnosis >> External Pages >> Different car >> Section 2302 (Engine Control System (VQ) - Circuit And System Diagnostics) >> Injector Circuit >> Wiring Diagram - INJECT
April 5, 2026: LEMON Manuals is launched! Read the announcement.

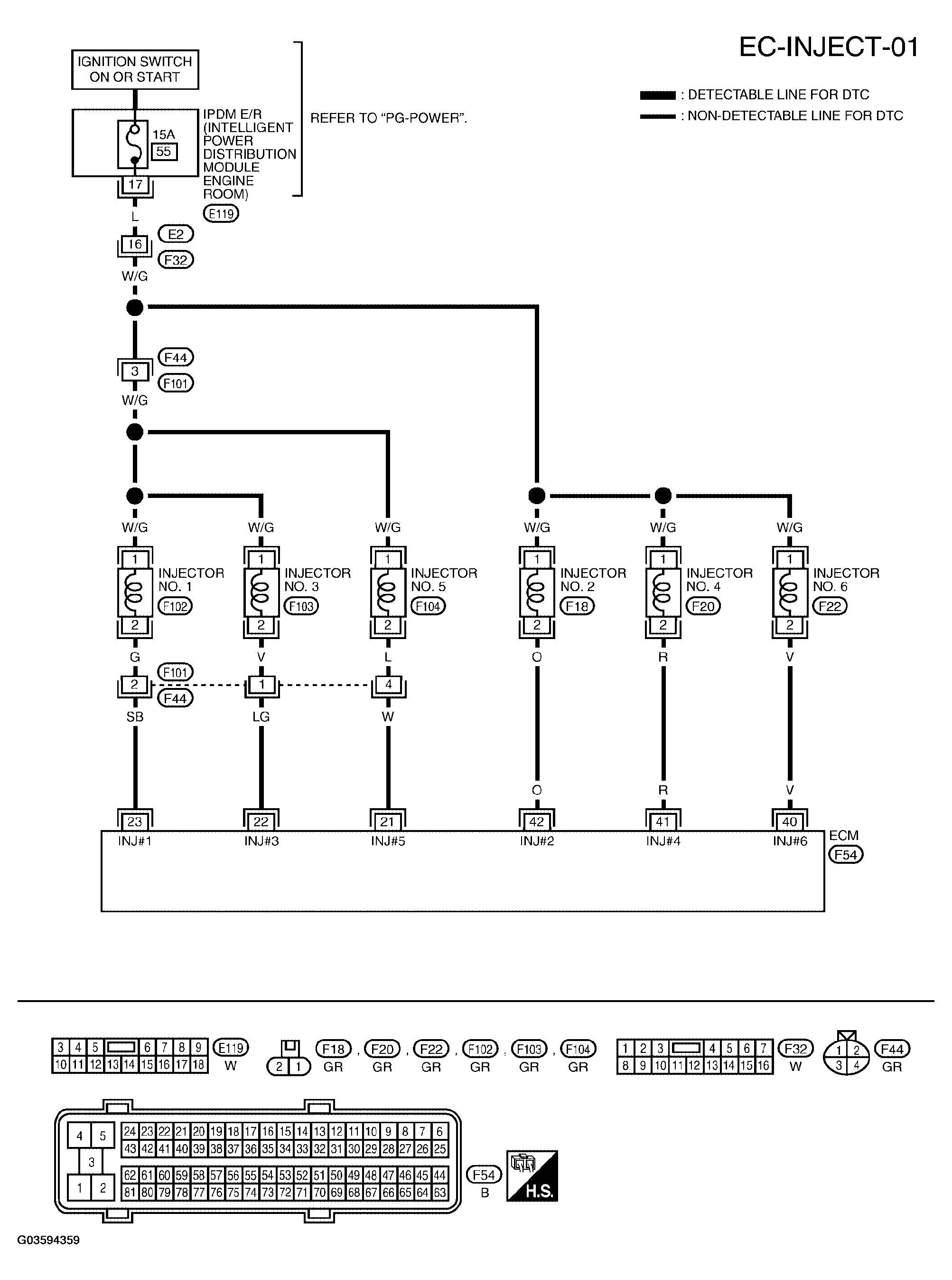
Wiring Diagram - INJECT

WARNING: This page is about a different car, the 2005 Nissan Frontier. However, it is still accessible from the selected car via links, so may be relevant.

For references to PG-POWER, see POWER SUPPLY, GROUND & CIRCUIT ELEMENTS .

Fig 1: Wiring Diagram (EC-INJECT-01)
G03594359Courtesy of NISSAN MOTOR CO., U.S.A.

Specification data are reference values and are measured between each terminal and ground.

Pulse signal is measured by CONSULT-II.

CAUTION: Do not use ECM ground terminals when measuring input/output voltage. Doing so may result in damage to the ECM's transistor. Use a ground other than ECM terminals, such as the ground.
Fig 2: Pulse Signal Chart
G03594360Courtesy of NISSAN MOTOR CO., U.S.A.