LEMON Manuals: Even more car manuals for everyone: 1960-2025
Home >> Nissan-Datsun >> 2003 >> Sentra SE-R, Automatic >> Repair and Diagnosis >> External Pages >> Different car >> Section 2305 (Engine Control System - DTCS P0137 Through P0445) >> DTC P0171, P0174 Fuel Injection System Function >> Wiring Diagram >> Bank 2
April 5, 2026: LEMON Manuals is launched! Read the announcement.

Bank 2

WARNING: This page is about a different car, the 2006 Nissan Pathfinder. However, it is still accessible from the selected car via links, so may be relevant.
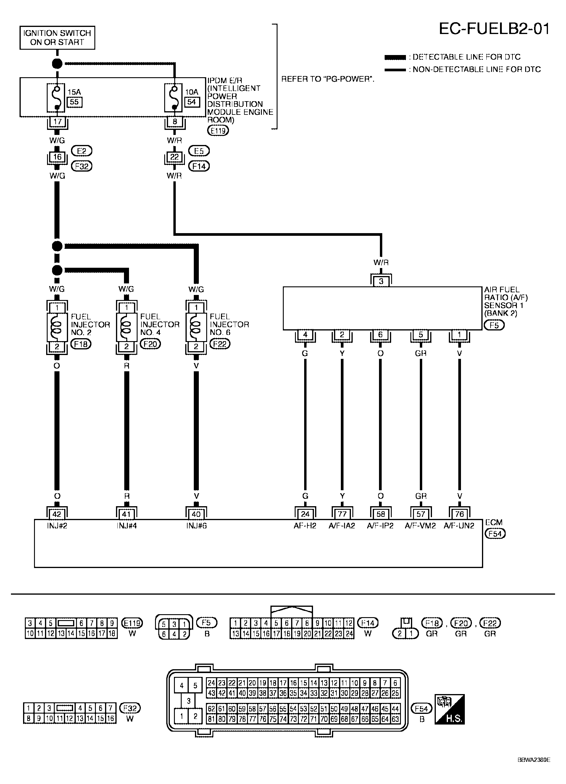
Fig 1: Fuel Injection System Function - Wiring Diagram (Bank 2)
G04173366Courtesy of NISSAN MOTOR CO., U.S.A.

Specification data are reference values and are measured between each terminal and ground.

Pulse signal is measured by CONSULT-II.

CAUTION: Do not use ECM ground terminals when measuring input/output voltage. Doing so may result in damage to the ECMs transistor. Use a ground other than ECM terminals, such as the ground.
SPECIFICATION DATA AND REFERENCE VALUES

TERMINAL NO. WIRE COLOR ITEM CONDITION DATA (DC Voltage)
24 G A/F sensor 1 heater (Bank 2) [Engine is running] 
  • Warm-up condition 
  • Idle speed
Approximately 5V(1)
G04080403Courtesy of NISSAN MOTOR CO., U.S.A.
40
41
42
V
R
O
Fuel injector No. 6
Fuel injector No. 4
Fuel injector No. 2
[Engine is running] 
  • Warm-up condition 
  • Idle speed
NOTE: The pulse cycle changes depending on rpm at idle
BATTERY VOLTAGE (11 - 14V)(1)
G04080414Courtesy of NISSAN MOTOR CO., U.S.A.
[Engine is running] 
  • Warm-up condition 
  • Engine speed: 2, 000 rpm
BATTERY VOLTAGE (11 - 14V)(1)
G04173127Courtesy of NISSAN MOTOR CO., U.S.A.
57 GR A/F sensor 1 (Bank 2) [Engine is running] 
  • Warm-up condition 
  • Idle speed
Approximately 2.6V
58 O Approximately 2.3V
76 V Approximately 3.1V
77 Y Approximately 2.3V
(1) Average voltage for pulse signal (Actual pulse signal can be confirmed by oscilloscope.)