LEMON Manuals: Even more car manuals for everyone: 1960-2025
Home >> Nissan-Datsun >> 2003 >> Sentra SE-R, Automatic >> Repair and Diagnosis >> External Pages >> Different car >> Section 748 (Automatic Air Conditioner) >> Air Conditioner Control >> System Description >> Switches And Their Control Function
April 5, 2026: LEMON Manuals is launched! Read the announcement.

Switches And Their Control Function

WARNING: This page is about a different car, the 2003 Infiniti M45. However, it is still accessible from the selected car via links, so may be relevant.
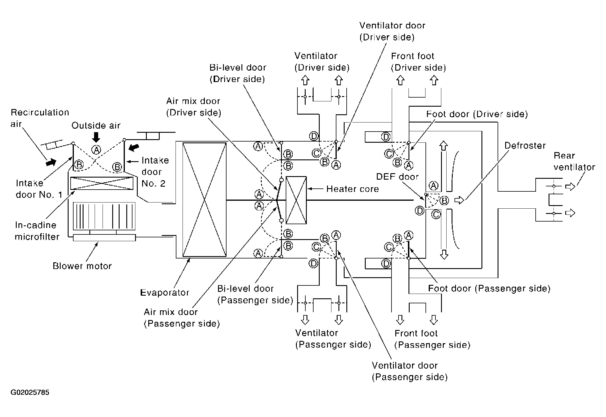
Fig 1: Identifying System Description Of Switches And Their Control Function
G02025785Courtesy of NISSAN MOTOR CO., U.S.A.
Fig 2: Identifying Switch Control Function Chart
G02025786Courtesy of NISSAN MOTOR CO., U.S.A.