LEMON Manuals: Even more car manuals for everyone: 1960-2025
Home >> Nissan-Datsun >> 2003 >> Sentra SE-R, Automatic >> Repair and Diagnosis >> External Pages >> Different car >> Section 785 (Automatic Transmission) >> Overall System >> Hydraulic Control Circuit
April 5, 2026: LEMON Manuals is launched! Read the announcement.

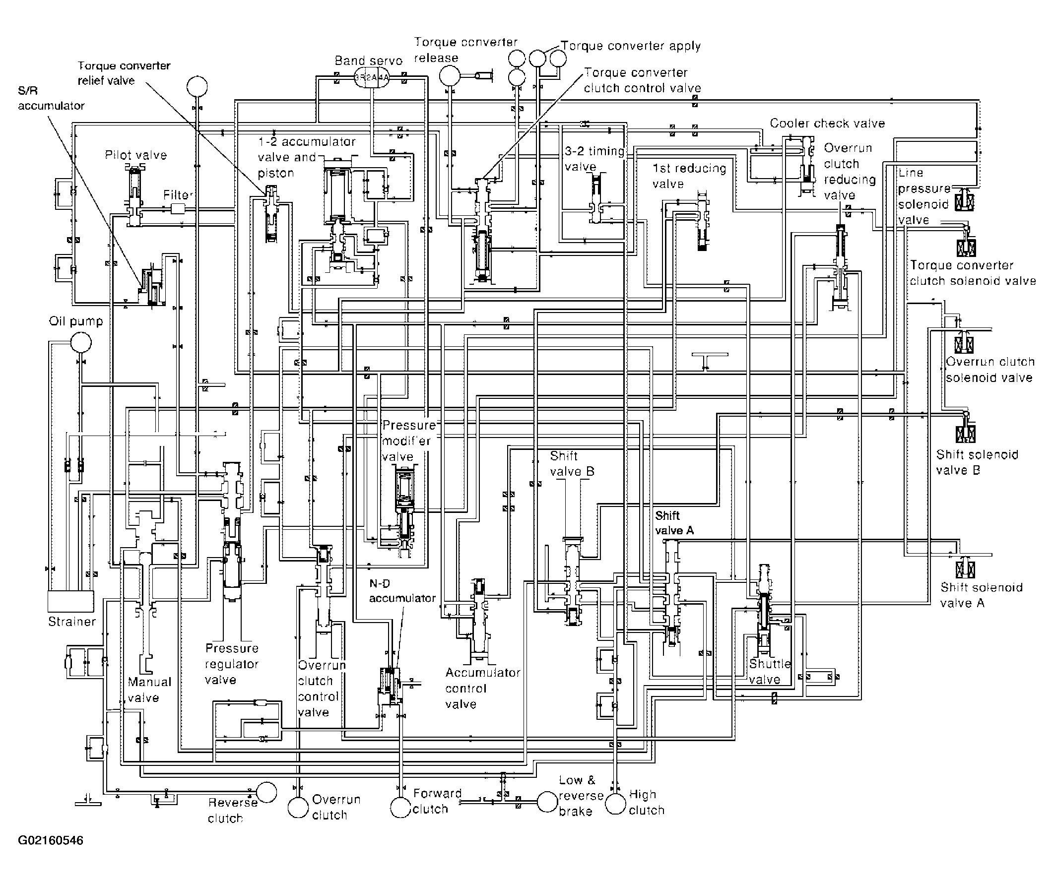
Hydraulic Control Circuit

WARNING: This page is about a different car, the 2003 Nissan Altima. However, it is still accessible from the selected car via links, so may be relevant.
Fig 1: Automatic Transaxle Hydraulic Control Circuit
G02160546Courtesy of NISSAN MOTOR CO., U.S.A.