LEMON Manuals: Even more car manuals for everyone: 1960-2025
Home >> Nissan-Datsun >> 2003 >> Sentra SE-R, Standard >> Repair and Diagnosis >> External Pages >> Different car >> Section 1441 (Lighting System) >> Illumination >> Schematic
April 5, 2026: LEMON Manuals is launched! Read the announcement.

Section 1441 (Lighting System): Illumination: Schematic

WARNING: This page is about a different car, the 2005 Infiniti FX45 and 2005 Infiniti FX35. However, it is still accessible from the selected car via links, so may be relevant.
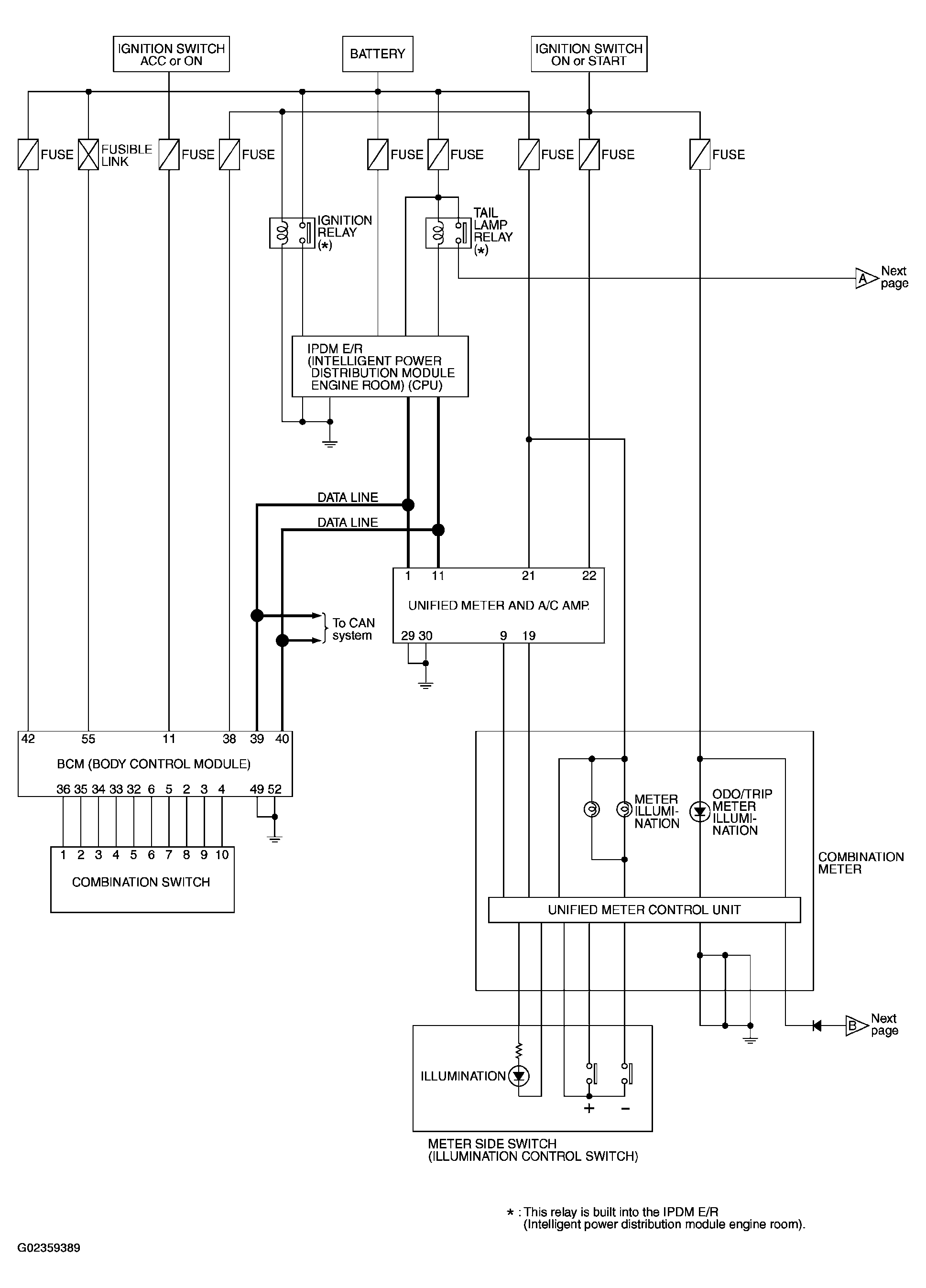
Fig 1: Schematic Diagram (1 Of 2)
G02359389Courtesy of NISSAN MOTOR CO., U.S.A.
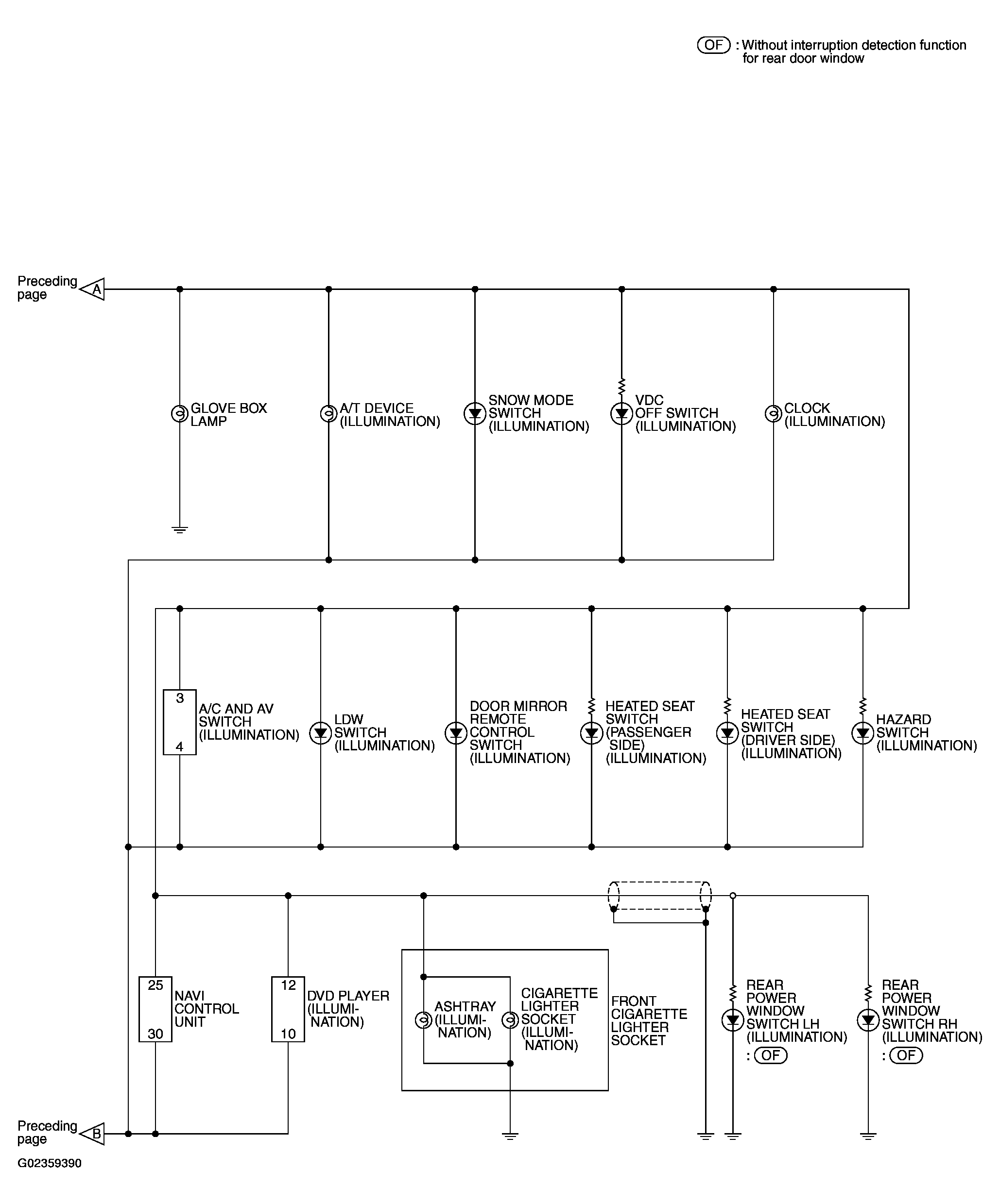
Fig 2: Schematic Diagram (2 Of 2)
G02359390Courtesy of NISSAN MOTOR CO., U.S.A.