LEMON Manuals: Even more car manuals for everyone: 1960-2025
Home >> Nissan-Datsun >> 2003 >> Sentra SE-R, Standard >> Repair and Diagnosis >> External Pages >> Different car >> Section 1446 (Audio Visual, Navigation & Telephone System) >> Navigation System >> Schematic-NAVI- 192
April 5, 2026: LEMON Manuals is launched! Read the announcement.

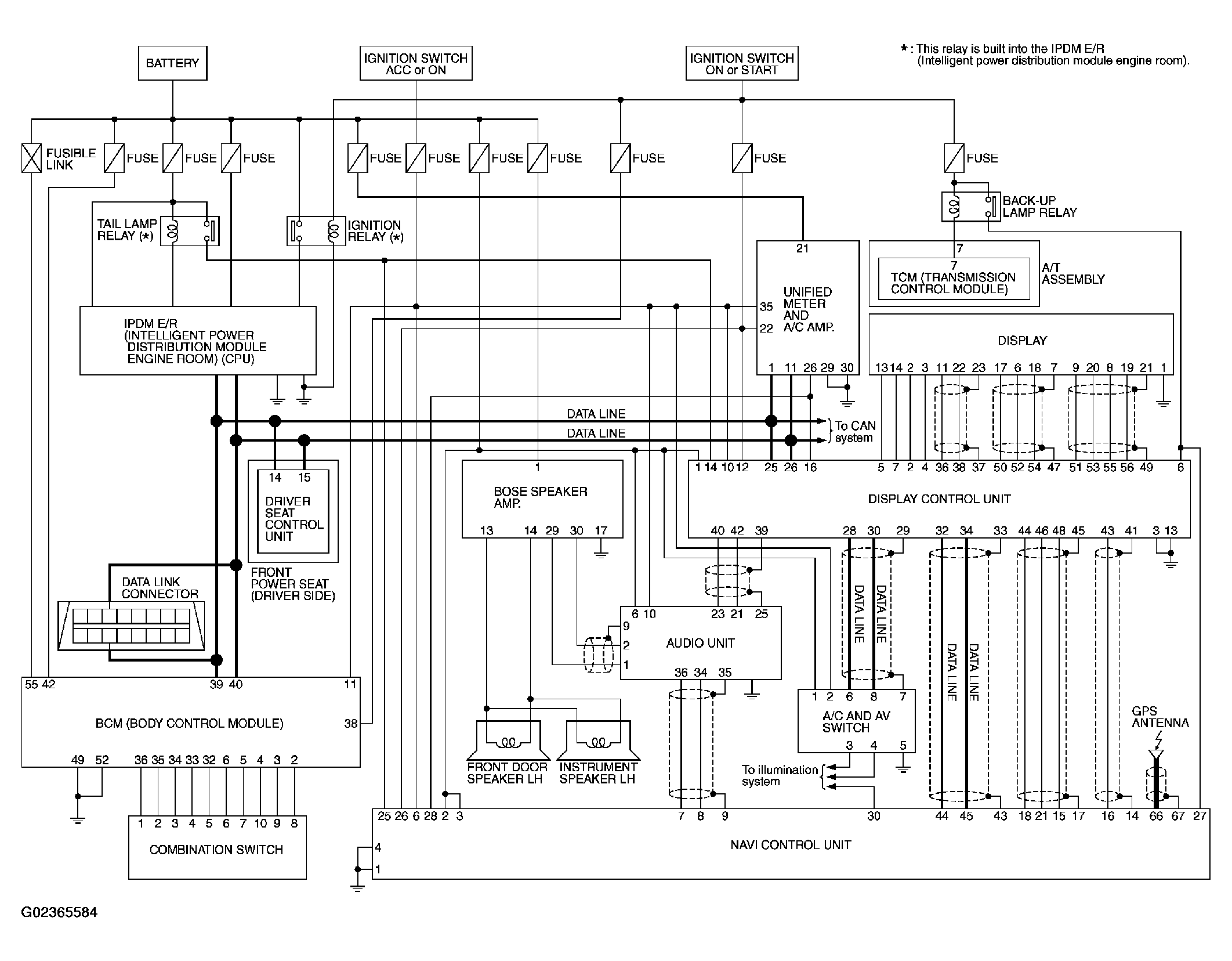
Schematic-NAVI- 192

WARNING: This page is about a different car, the 2005 Infiniti FX45 and 2005 Infiniti FX35. However, it is still accessible from the selected car via links, so may be relevant.
Fig 1: Navigation System - Schematic - NAVI
G02365584Courtesy of NISSAN MOTOR CO., U.S.A.