LEMON Manuals: Even more car manuals for everyone: 1960-2025
Home >> Nissan-Datsun >> 2003 >> Sentra SE-R, Standard >> Repair and Diagnosis >> External Pages >> Different car >> Section 1906 (Lighting System) >> Interior Room Lamp >> Schematic
April 5, 2026: LEMON Manuals is launched! Read the announcement.

Interior Room Lamp: Schematic

WARNING: This page is about a different car, the 2006 Nissan Xterra. However, it is still accessible from the selected car via links, so may be relevant.
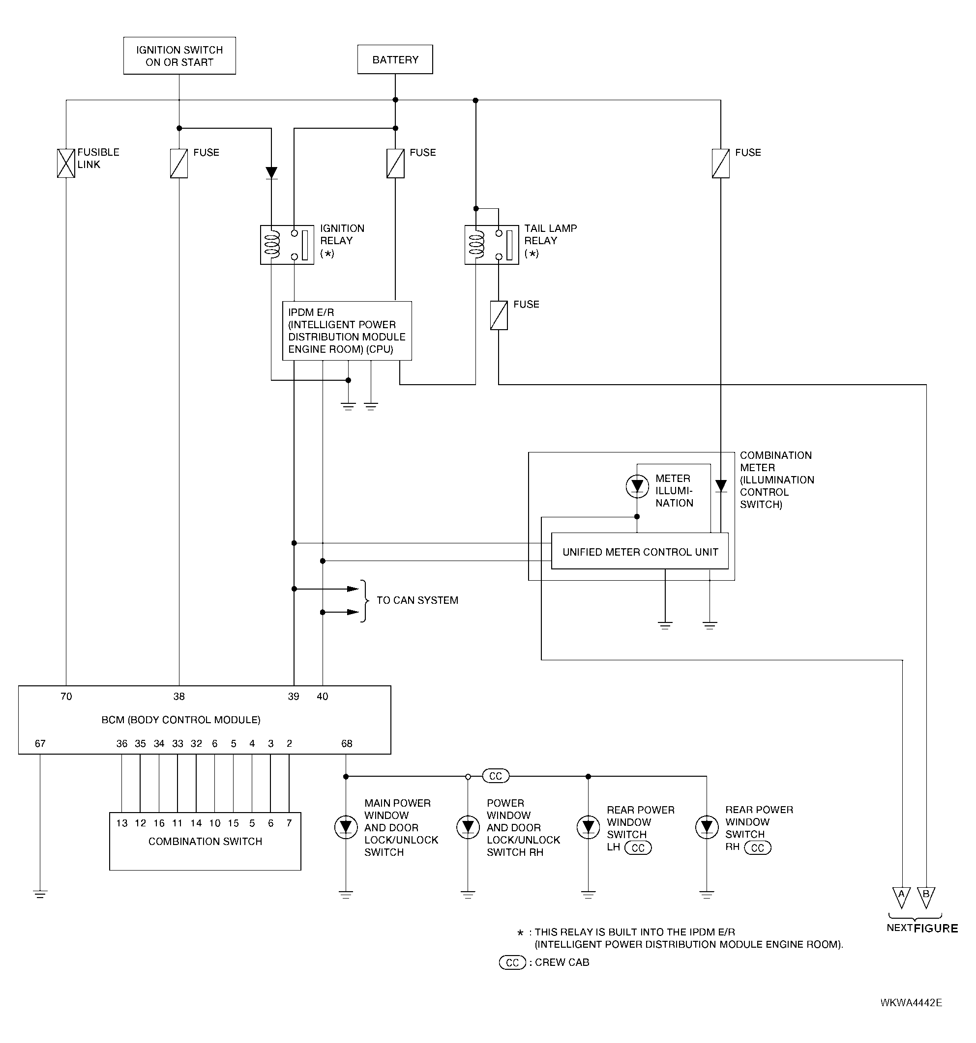
Fig 1: Schematic Diagram (1 Of 2)
G04206260Courtesy of NISSAN MOTOR CO., U.S.A.
Fig 2: Schematic Diagram (2 Of 2)
G04206261Courtesy of NISSAN MOTOR CO., U.S.A.