LEMON Manuals: Even more car manuals for everyone: 1960-2025
Home >> Nissan-Datsun >> 2003 >> Sentra SE-R, Standard >> Repair and Diagnosis >> External Pages >> Different car >> Section 403 (Engine Control System) >> DTC P0460: Fuel Level Sensor >> Wiring Diagram
April 5, 2026: LEMON Manuals is launched! Read the announcement.

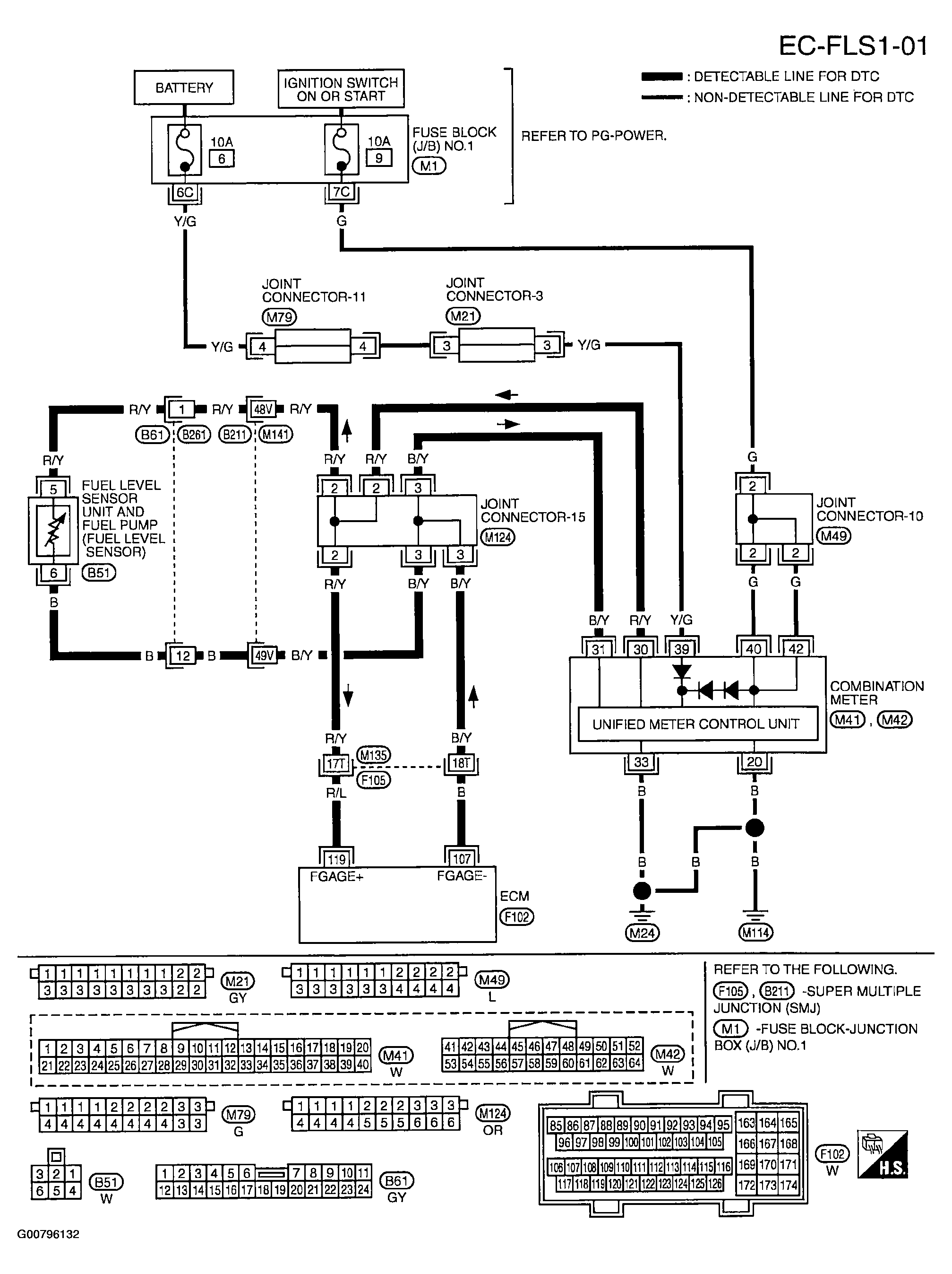
DTC P0460: Fuel Level Sensor: Wiring Diagram

WARNING: This page is about a different car, the 2004 Infiniti M45. However, it is still accessible from the selected car via links, so may be relevant.
Fig 1: Circuit Diagram - Fuel Level Sensor - EC-FLS1-01
G00796132Courtesy of NISSAN MOTOR CO., U.S.A.

Specification data are reference values and are measured between each terminal and ground.

CAUTION: Do not use ECM ground terminals when measuring input/output voltage. Doing so may result in damage to the ECM's transistor. Use a ground other than ECM terminals, such as the ground.
Fig 2: Terminal Testing & Conditions Chart
G00796133Courtesy of NISSAN MOTOR CO., U.S.A.