LEMON Manuals: Even more car manuals for everyone: 1960-2025
Home >> Nissan-Datsun >> 2003 >> Sentra SE-R, Standard >> Repair and Diagnosis >> External Pages >> Different car >> Section 681 (Brake Control System - Sedan) >> General Information >> System Diagram
April 5, 2026: LEMON Manuals is launched! Read the announcement.

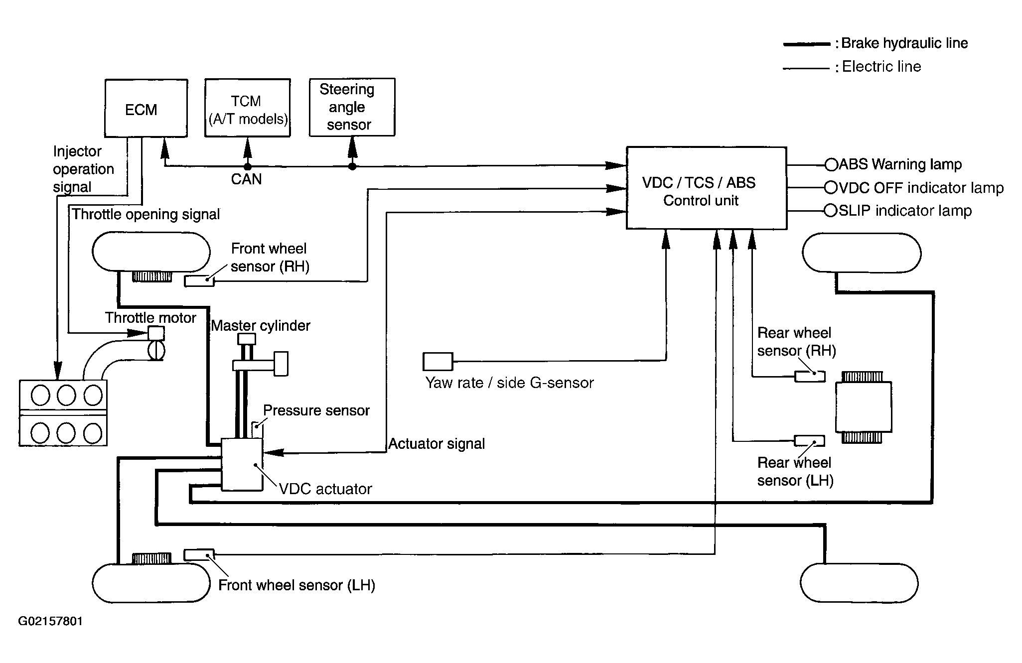
System Diagram

WARNING: This page is about a different car, the 2003 Infiniti G35. However, it is still accessible from the selected car via links, so may be relevant.
Fig 1: System Diagram
G02157801Courtesy of NISSAN MOTOR CO., U.S.A.