LEMON Manuals: Even more car manuals for everyone: 1960-2025
Home >> Nissan-Datsun >> 2003 >> Sentra SE-R, Standard >> Repair and Diagnosis >> External Pages >> Different car >> Section 751 (Vehicle Information And Integrated Switch System /With Navigation System) >> Vehicle Information And Integrated Switch System-With Navigation System >> Schematic
April 5, 2026: LEMON Manuals is launched! Read the announcement.

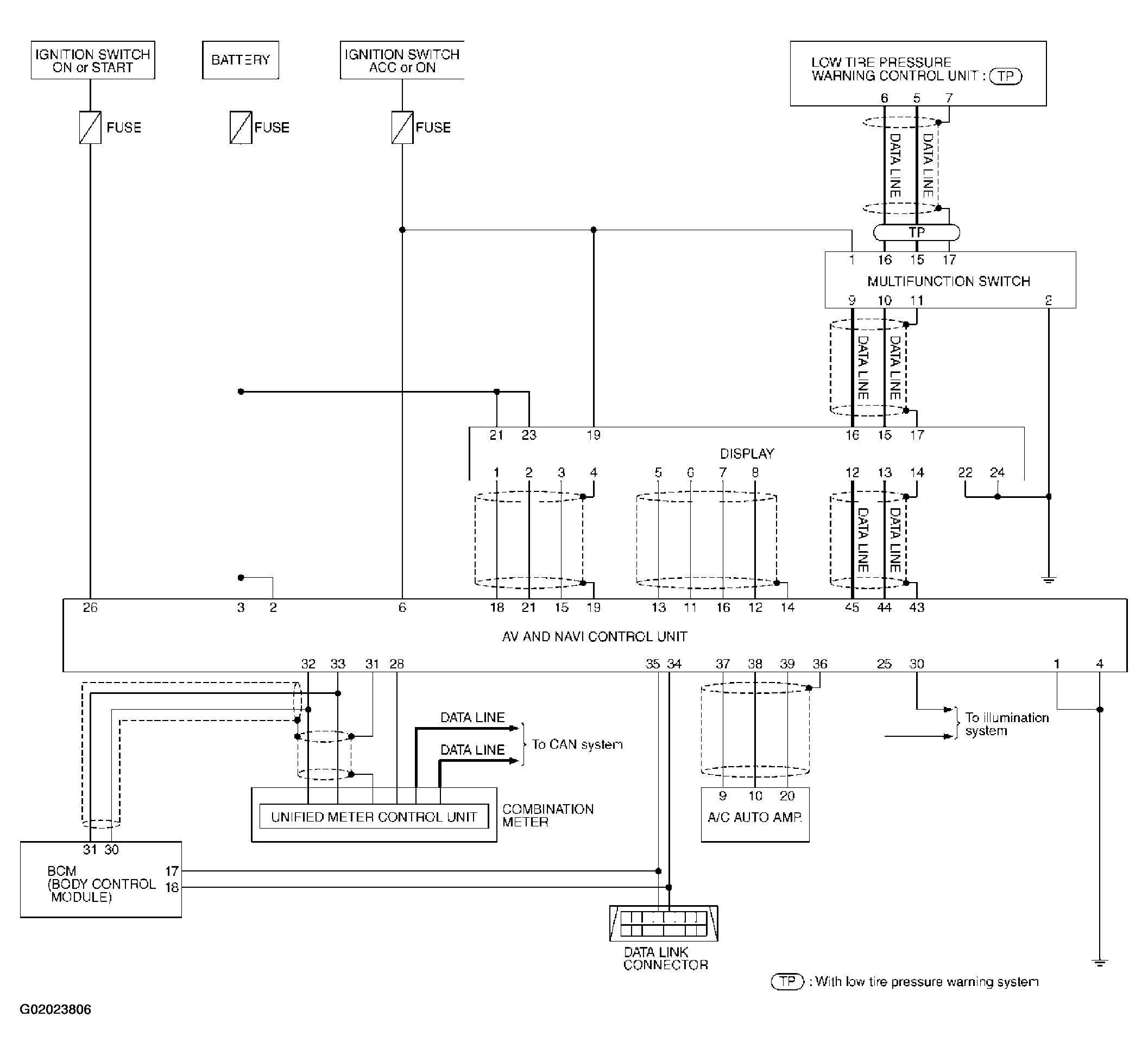
Vehicle Information And Integrated Switch System-With Navigation System: Schematic

WARNING: This page is about a different car, the 2003 Infiniti M45. However, it is still accessible from the selected car via links, so may be relevant.
Fig 1: Vehicle Information And Integrated Switch System Schematic
G02023806Courtesy of NISSAN MOTOR CO., U.S.A.