LEMON Manuals: Even more car manuals for everyone: 1960-2025
Home >> Nissan-Datsun >> 2003 >> Sentra XE, Automatic >> Repair and Diagnosis >> Engine Performance >> System >> Engine Controls - System & Component Testing >> Ignition System >> Ignition Signal Circuits >> Pathfinder
April 5, 2026: LEMON Manuals is launched! Read the announcement.

Ignition Signal Circuits: Pathfinder

For ignition signal circuit system and component testing, see Fig 1-Fig 10 . For diagnosis of ECM power supply circuit, see POWER & GROUND CIRCUITS (PATHFINDER) . For intermittent problem, see INTERMITTENTS in TROUBLE SHOOTING - NO CODES article.

Fig 1: Ignition Signal Circuit System & Component Testing Procedure (Pathfinder - 1 Of 10)
G00267095Courtesy of NISSAN MOTOR CO., U.S.A.
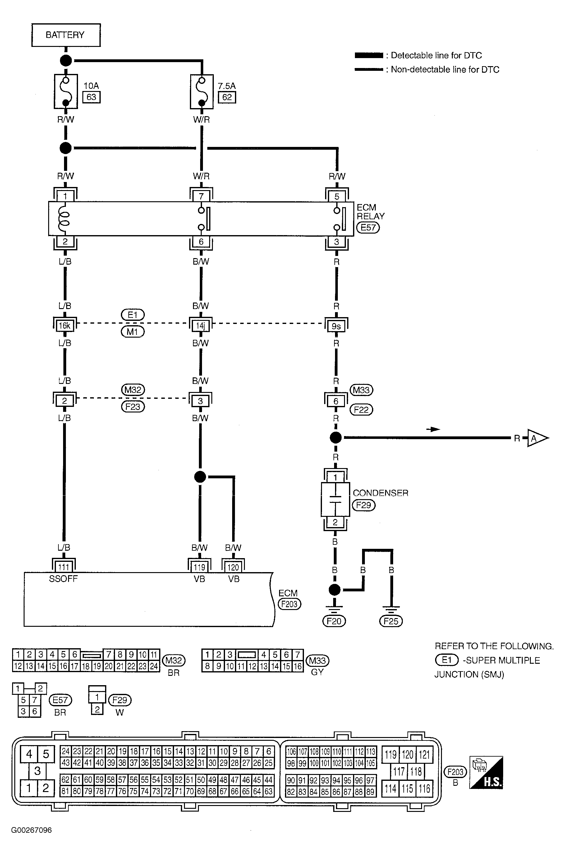
Fig 2: Ignition Signal Circuit System & Component Testing Procedure (Pathfinder - - 2 Of 10)
G00267096Courtesy of NISSAN MOTOR CO., U.S.A.
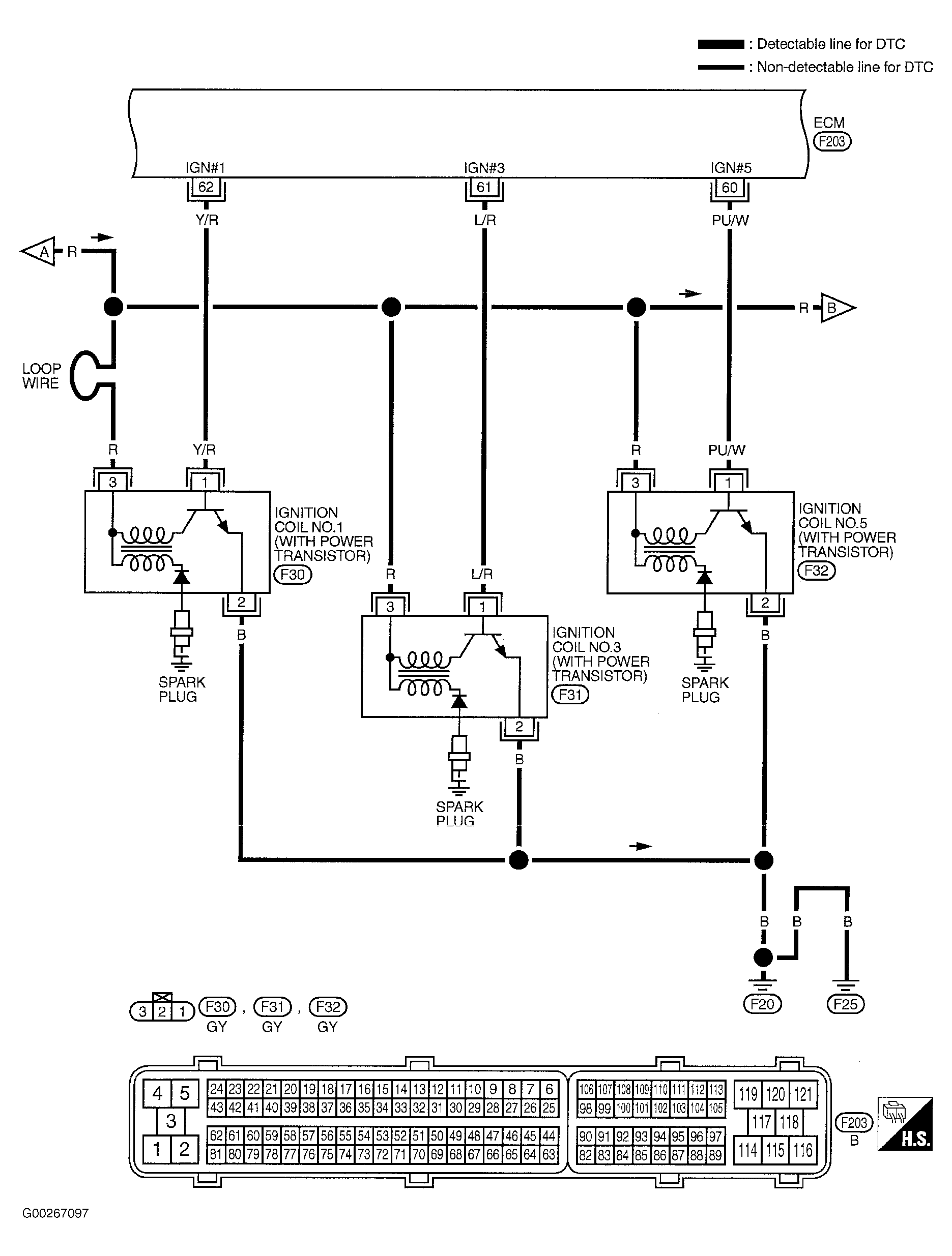
Fig 3: Ignition Signal Circuit System & Component Testing Procedure (Pathfinder - 3 Of 10)
G00267097Courtesy of NISSAN MOTOR CO., U.S.A.
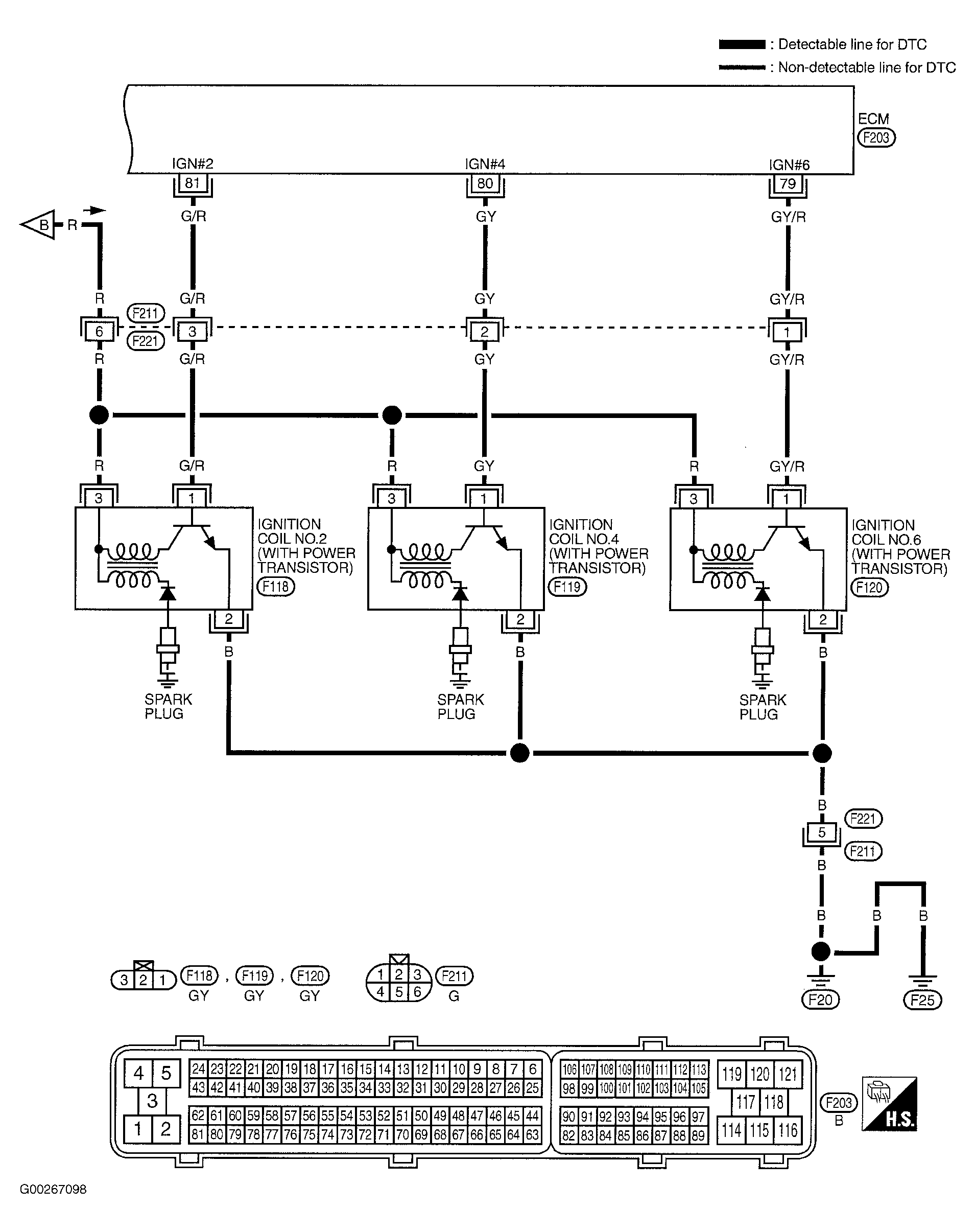
Fig 4: Ignition Signal Circuit System & Component Testing Procedure (Pathfinder - 4 Of 10)
G00267098Courtesy of NISSAN MOTOR CO., U.S.A.
Fig 5: Ignition Signal Circuit System & Component Testing Procedure (Pathfinder - 5 Of 10)
G00267099Courtesy of NISSAN MOTOR CO., U.S.A.
Fig 6: Ignition Signal Circuit System & Component Testing Procedure (Pathfinder - 6 Of 10)
G00267100Courtesy of NISSAN MOTOR CO., U.S.A.
Fig 7: Ignition Signal Circuit System & Component Testing Procedure (Pathfinder - 7 Of 10)
G00267101Courtesy of NISSAN MOTOR CO., U.S.A.
Fig 8: Ignition Signal Circuit System & Component Testing Procedure (Pathfinder - 8 Of 10)
G00272717Courtesy of NISSAN MOTOR CO., U.S.A.
Fig 9: Ignition Signal Circuit System & Component Testing Procedure (Pathfinder - 9 Of 10)
G00272718Courtesy of NISSAN MOTOR CO., U.S.A.
Fig 10: Ignition Signal Circuit System & Component Testing Procedure (Pathfinder - 10 Of 10)
G00272719Courtesy of NISSAN MOTOR CO., U.S.A.