LEMON Manuals: Even more car manuals for everyone: 1960-2025
Home >> Nissan-Datsun >> 2004 >> Maxima SE, Automatic >> Repair and Diagnosis >> Engine Performance >> System >> Engine Control System - Introduction >> Power Supply Circuit For ECM >> Wiring Diagram
April 5, 2026: LEMON Manuals is launched! Read the announcement.

Power Supply Circuit For ECM: Wiring Diagram

For system wiring diagrams, see SYSTEM WIRING DIAGRAMS .

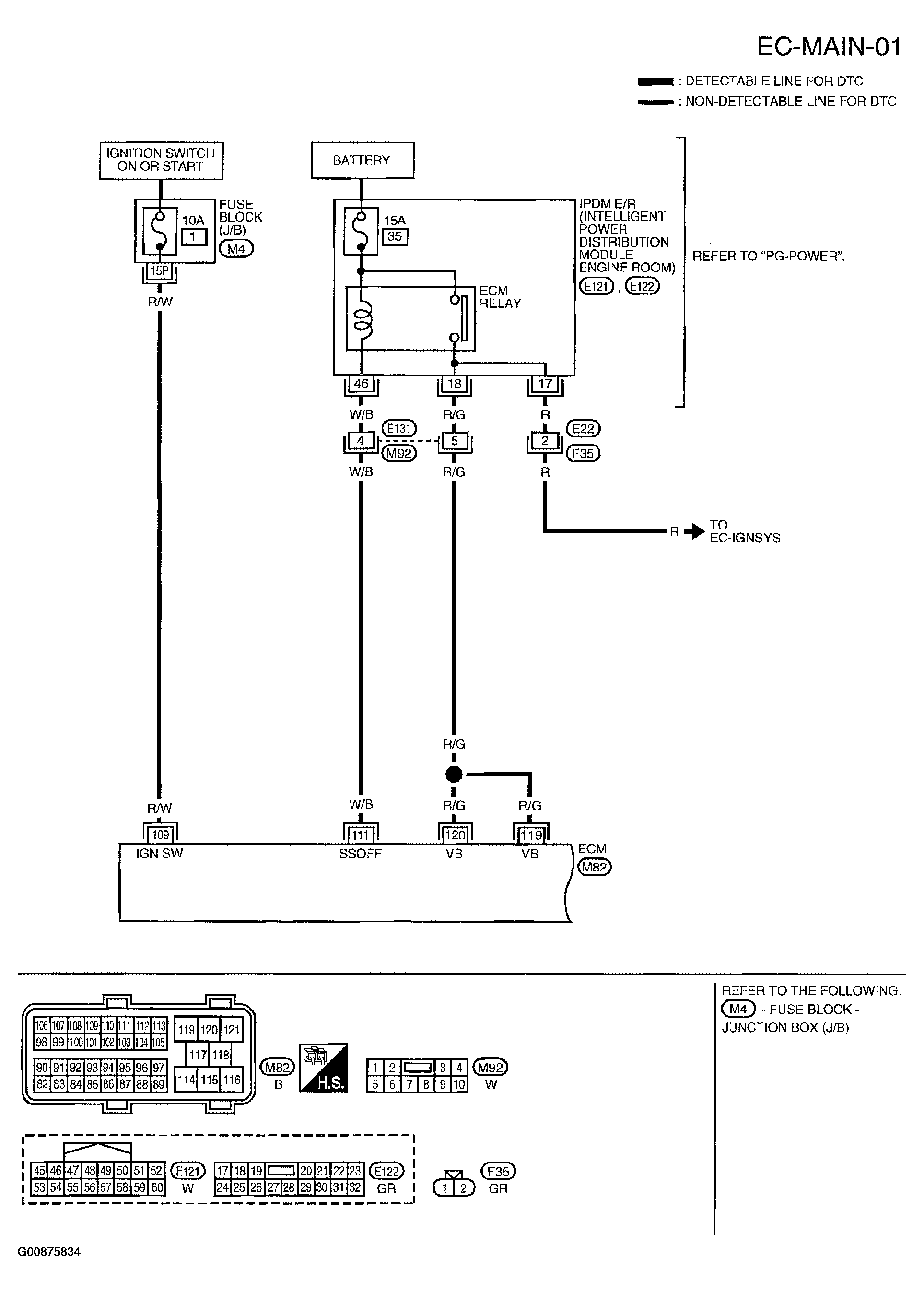
Fig 1: Wiring Diagram - EC-MAIN-01
G00875834Courtesy of NISSAN MOTOR CO., U.S.A.

Specification data are reference values and are measured between each terminal and ground.

CAUTION: Do not use ECM ground terminals when measuring input/output voltage. Doing so may result in damage to the ECM's transistor. Use a ground other than ECM terminals, such as the ground.
Fig 2: Specification Data And Reference Values
G00875835Courtesy of NISSAN MOTOR CO., U.S.A.
Fig 3: Wiring Diagram - EC-MAIN-02
G00875836Courtesy of NISSAN MOTOR CO., U.S.A.

Specification data are reference values and are measured between each terminal and ground.

CAUTION: Do not use ECM ground terminals when measuring input/output voltage. Doing so may result in damage to the ECM's transistor. Use a ground other than ECM terminals, such as the ground.
Fig 4: Specification Data And Reference Values
G00875837Courtesy of NISSAN MOTOR CO., U.S.A.