LEMON Manuals: Even more car manuals for everyone: 1960-2025
Home >> Nissan-Datsun >> 2004 >> Maxima SE, Automatic >> Repair and Diagnosis >> Engine Performance >> System >> Engine Controls - System & Component Testing >> Ignition Signal >> Wiring Diagram
April 5, 2026: LEMON Manuals is launched! Read the announcement.

Ignition Signal: Wiring Diagram

For system wiring diagrams, see SYSTEM WIRING DIAGRAMS .

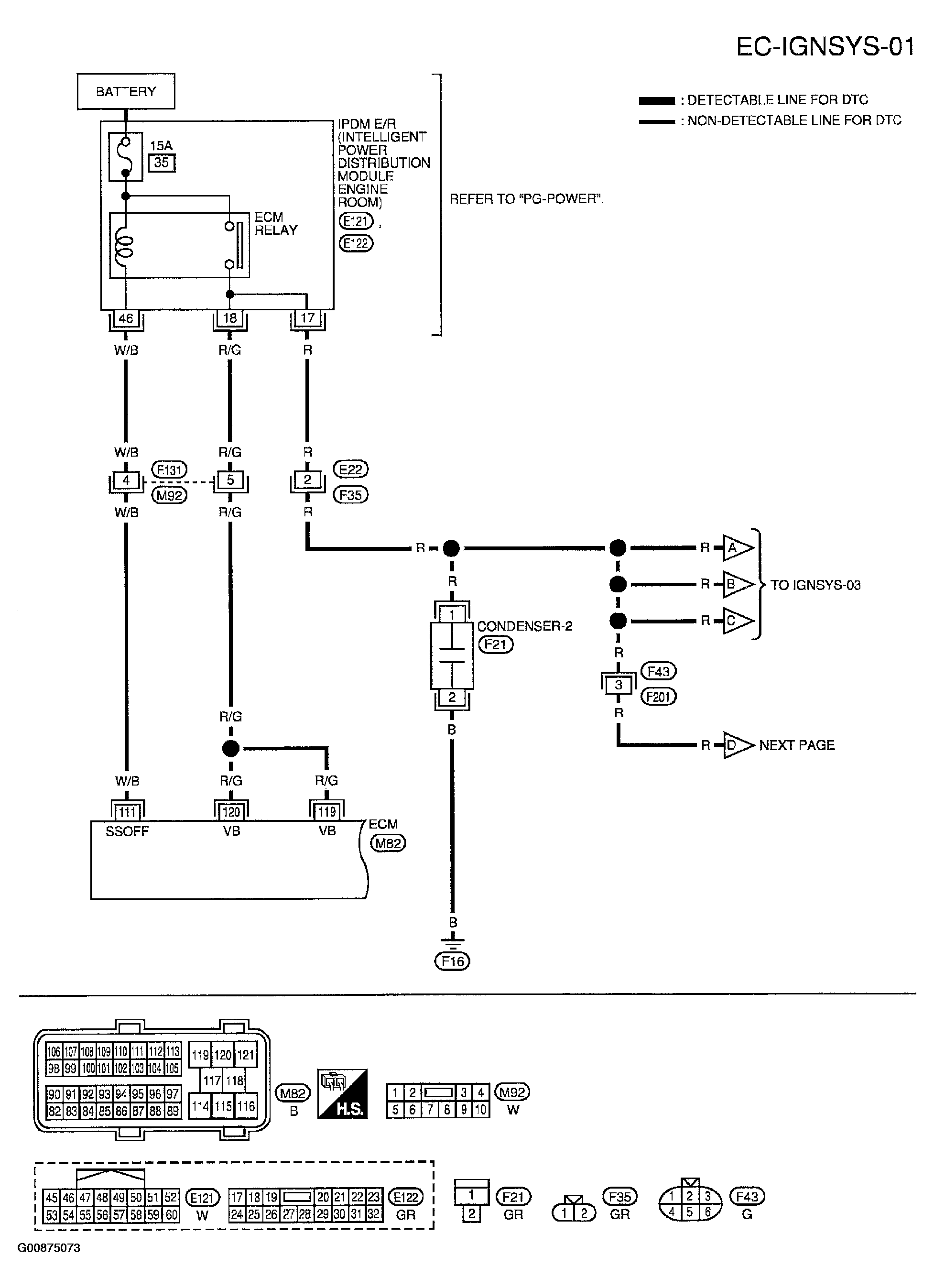
Fig 1: Wiring Diagram
G00875073Courtesy of NISSAN MOTOR CO., U.S.A.

Specification data are reference values and are measured between each terminal and ground.

CAUTION: Do not use ECM ground terminals when measuring input/output voltage. Doing so may result in damage to the ECM's transistor. Use a ground other than ECM terminals, such as the ground.
Fig 2: Specification Data And Reference Values
G00875074Courtesy of NISSAN MOTOR CO., U.S.A.
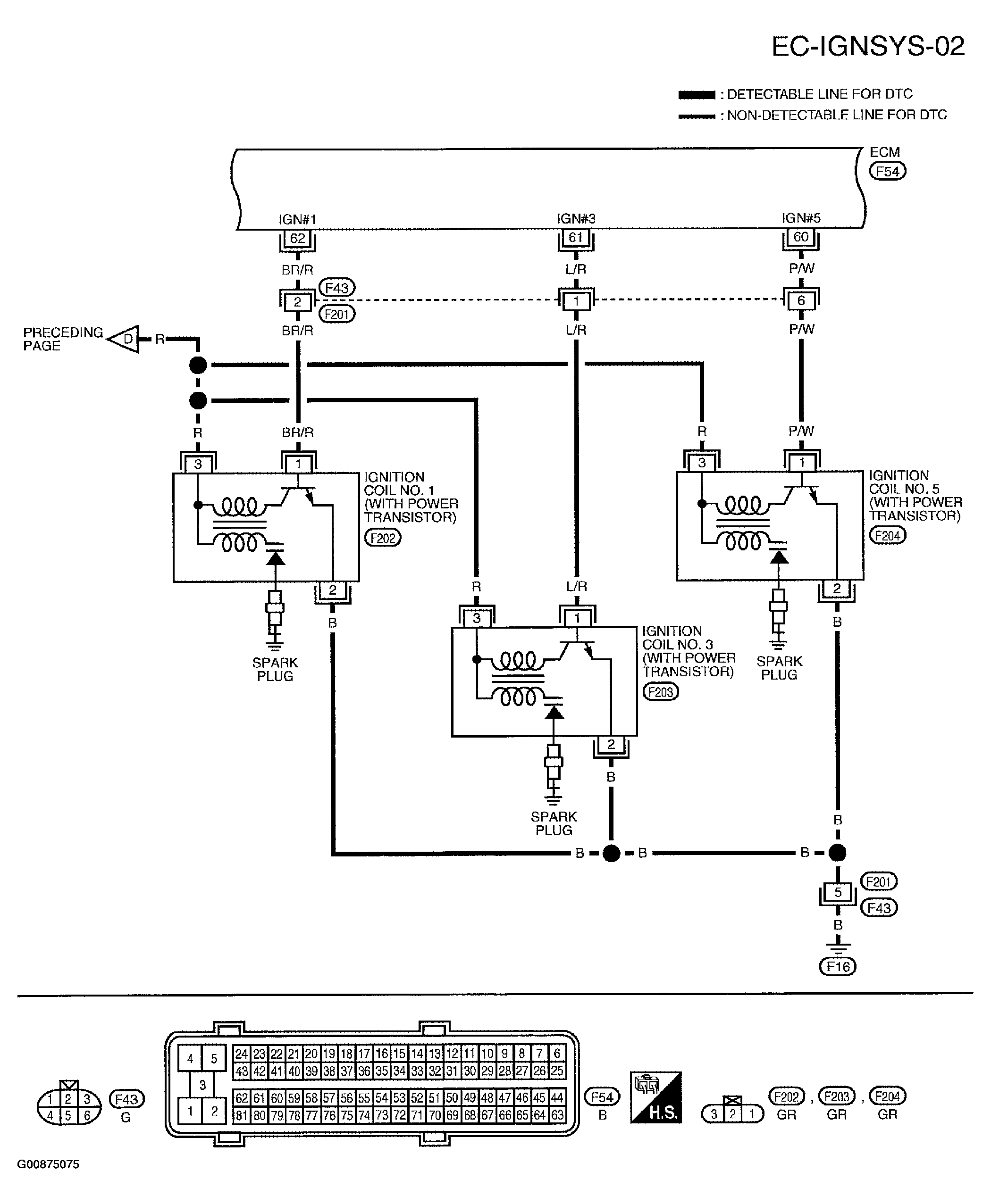
Fig 3: Wiring Diagram
G00875075Courtesy of NISSAN MOTOR CO., U.S.A.

Specification data are reference values and are measured between each terminal and ground.

CAUTION: Do not use ECM ground terminals when measuring input/output voltage. Doing so may result in damage to the ECM's transistor. Use a ground other than ECM terminals, such as the ground.
Fig 4: Specification Data And Reference Values
G00875076Courtesy of NISSAN MOTOR CO., U.S.A.
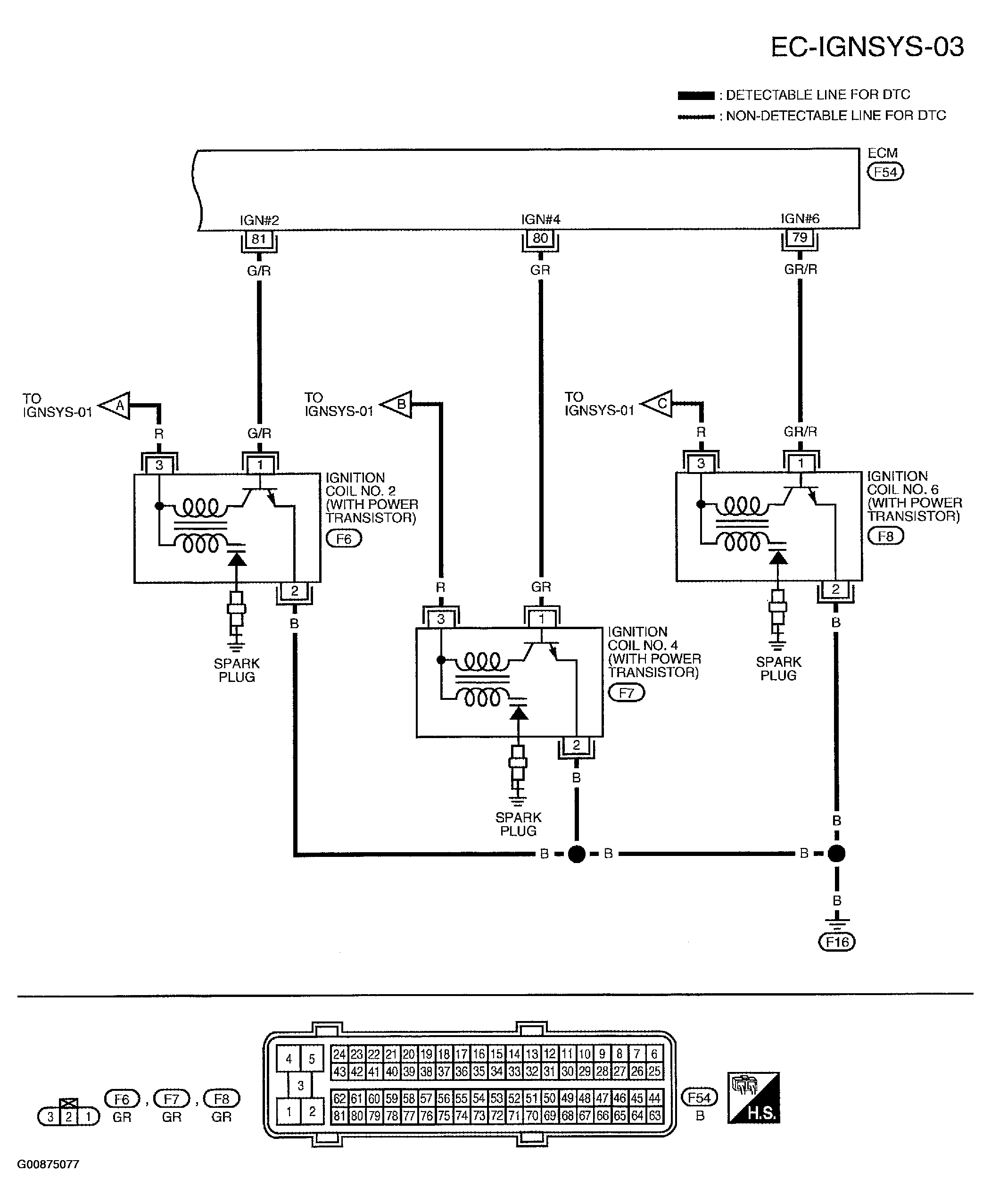
Fig 5: Wiring Diagram
G00875077Courtesy of NISSAN MOTOR CO., U.S.A.

Specification data are reference values and are measured between each terminal and ground.

CAUTION: Do not use ECM ground terminals when measuring input/output voltage. Doing so may result in damage to the ECM's transistor. Use a ground other than ECM terminals, such as the ground.
Fig 6: Specification Data And Reference Values
G00875078Courtesy of NISSAN MOTOR CO., U.S.A.