LEMON Manuals: Even more car manuals for everyone: 1960-2025
Home >> Nissan-Datsun >> 2004 >> Maxima SL, RE4F04B >> Repair and Diagnosis >> Engine Performance >> System >> Engine Control System - DTC >> DTC P0400: EGR Function >> Wiring Diagram
April 5, 2026: LEMON Manuals is launched! Read the announcement.

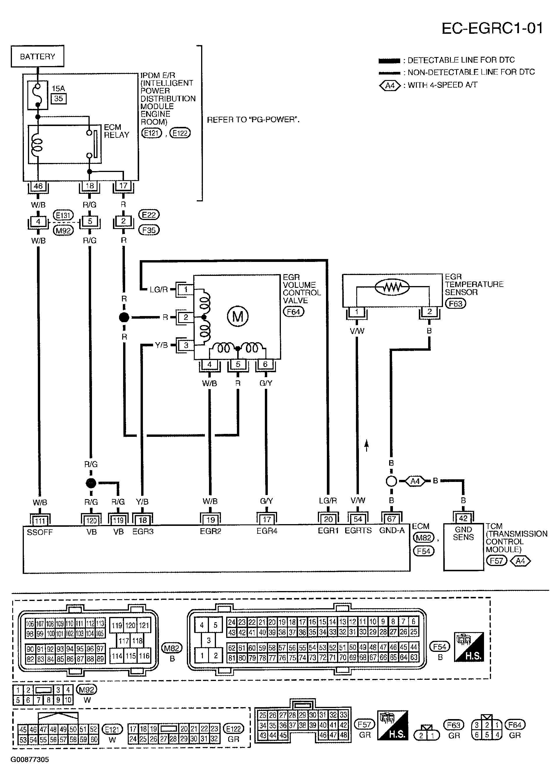
DTC P0400: EGR Function: Wiring Diagram

For system wiring diagrams, see SYSTEM WIRING DIAGRAMS .

Fig 1: Wiring Diagram - EC-ERGC1-01
G00877305Courtesy of NISSAN MOTOR CO., U.S.A.

Specification data are reference values and are measured between each terminal and ground.

CAUTION: Do not use ECM ground terminals when measuring input/output voltage. Doing so may result in damage to the ECM's transistor. Use a ground other than ECM terminals, such as the ground.
Fig 2: Specification Data And Reference Values
G00877306Courtesy of NISSAN MOTOR CO., U.S.A.