LEMON Manuals: Even more car manuals for everyone: 1960-2025
Home >> Nissan-Datsun >> 2004 >> Pathfinder LE, 4WD >> Repair and Diagnosis >> Engine Performance >> System >> Engine Control System >> DTC P1165: Swirl Control Valve Control Vacuum Check Switch >> Wiring Diagram
April 5, 2026: LEMON Manuals is launched! Read the announcement.

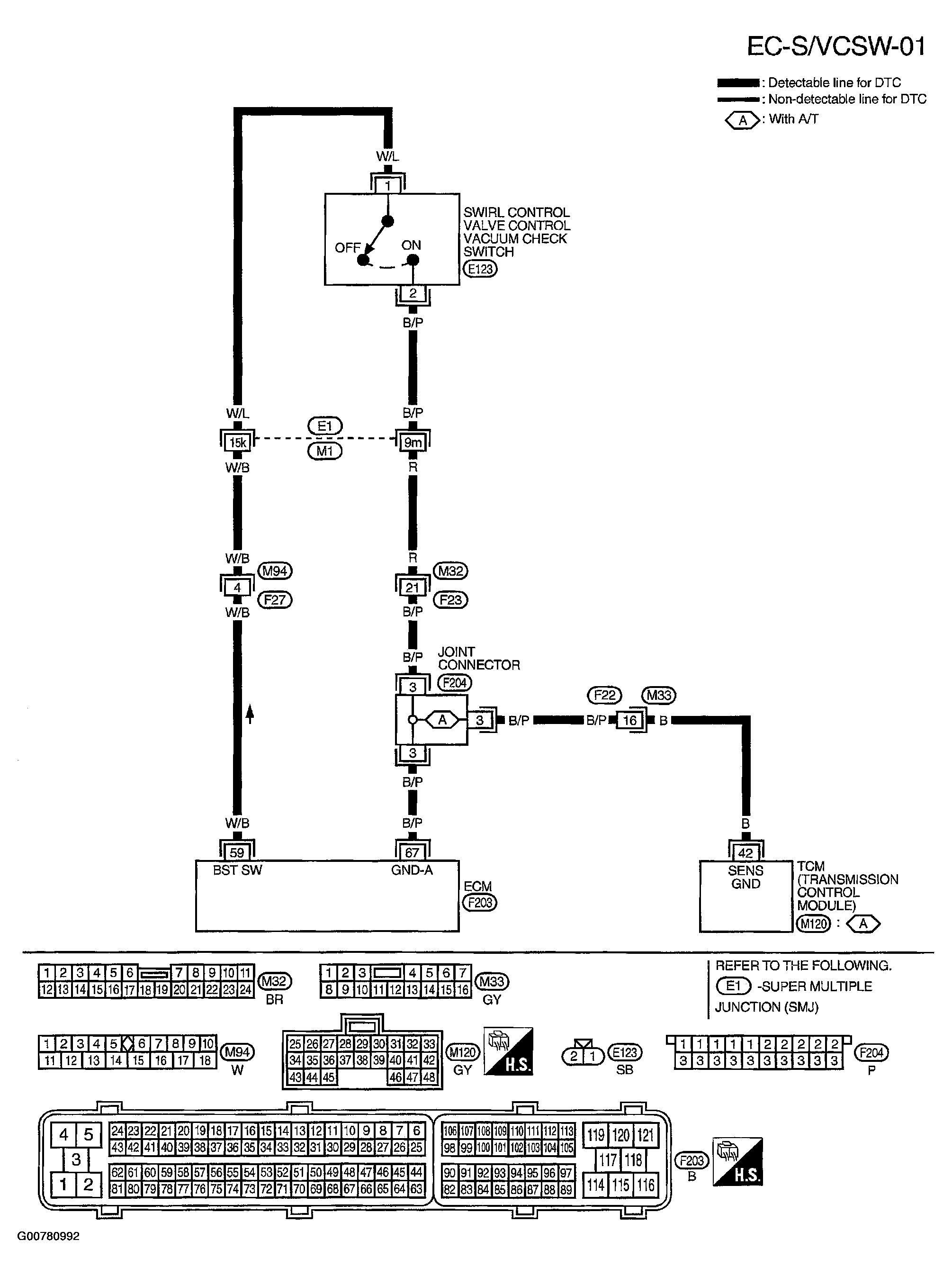
DTC P1165: Swirl Control Valve Control Vacuum Check Switch: Wiring Diagram

Fig 1: Swirl Control Valve Control Vacuum Check Switch - Wiring Diagram
G00780992Courtesy of NISSAN MOTOR CO., U.S.A.