LEMON Manuals: Even more car manuals for everyone: 1960-2025
Home >> Nissan-Datsun >> 2004 >> Pathfinder LE, 4WD >> Repair and Diagnosis >> Engine Performance >> System >> Engine Control System >> Electrical Load Signal >> Wiring Diagram
April 5, 2026: LEMON Manuals is launched! Read the announcement.

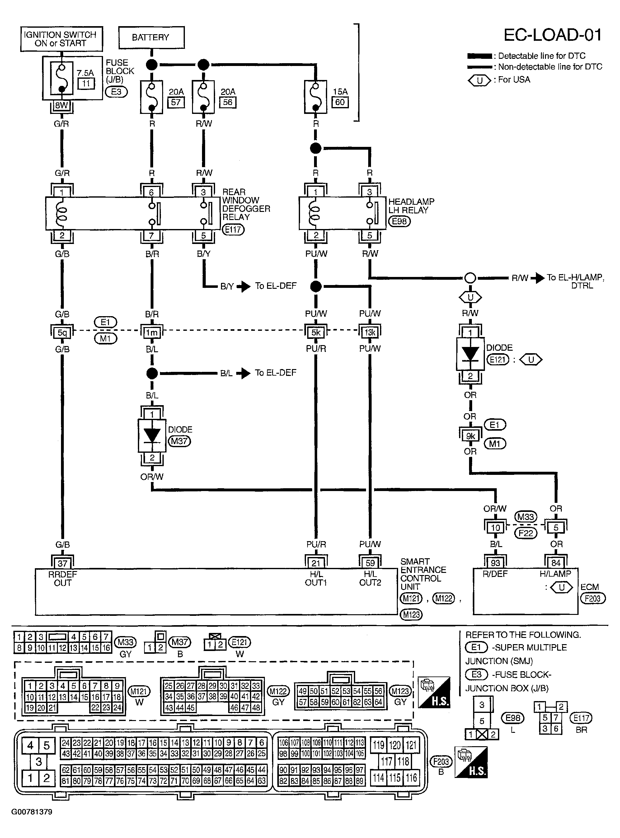
Electrical Load Signal: Wiring Diagram

Fig 1: Wiring Diagram - Electrical Load Signal
G00781379Courtesy of NISSAN MOTOR CO., U.S.A.