LEMON Manuals: Even more car manuals for everyone: 1960-2025
Home >> Nissan-Datsun >> 2004 >> Pathfinder LE, RWD >> Repair and Diagnosis >> Engine Performance >> System >> Engine Control System >> ASCD Indicator Lamp >> Wiring Diagram
April 5, 2026: LEMON Manuals is launched! Read the announcement.

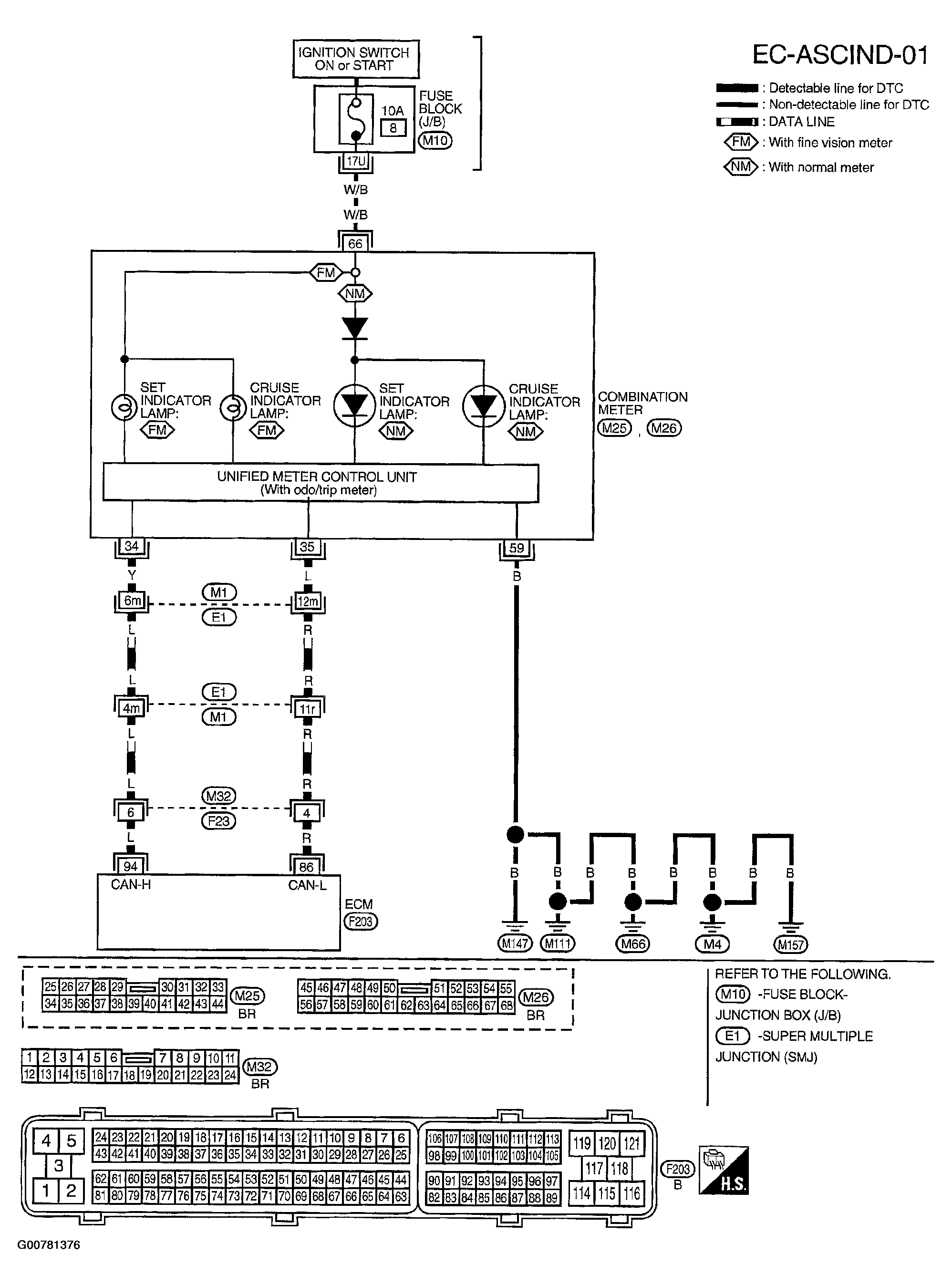
ASCD Indicator Lamp: Wiring Diagram

Fig 1: Wiring Diagram - ASCD Indicator Lamp
G00781376Courtesy of NISSAN MOTOR CO., U.S.A.