LEMON Manuals: Even more car manuals for everyone: 1960-2025
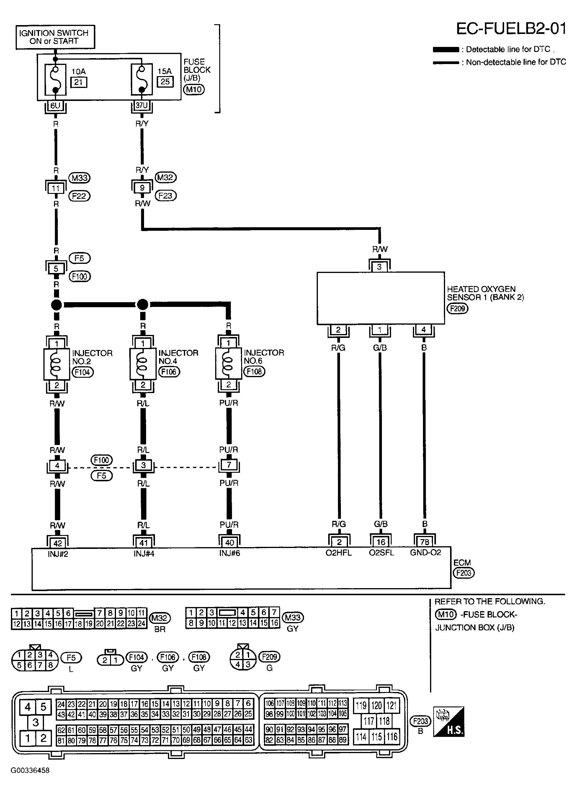
Home >> Nissan-Datsun >> 2004 >> Pathfinder LE, RWD >> Repair and Diagnosis >> Engine Performance >> System >> Engine Control System >> DTC P0171, P0174: Fuel Injection System Function >> Wiring Diagram >> Bank 2
April 5, 2026: LEMON Manuals is launched! Read the announcement.

Bank 2

Fig 1: Wiring Diagram - Fuel System (Bank 2)
G00336458Courtesy of NISSAN MOTOR CO., U.S.A.