LEMON Manuals: Even more car manuals for everyone: 1960-2025
Home >> Nissan-Datsun >> 2004 >> Pathfinder LE, RWD >> Repair and Diagnosis >> Engine Performance >> System >> Engine Control System >> DTC P1122: Electric Throttle Control Function >> Wiring Diagram
April 5, 2026: LEMON Manuals is launched! Read the announcement.

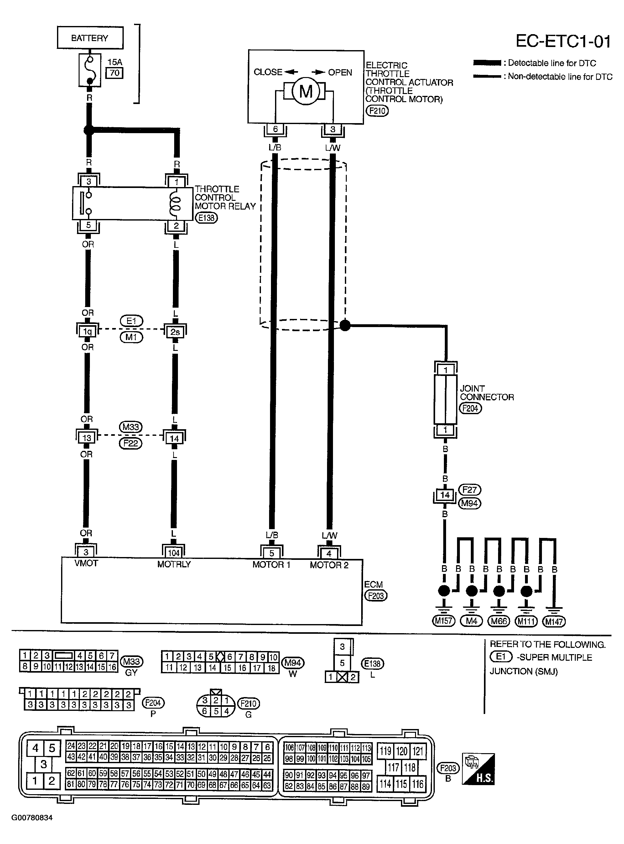
DTC P1122: Electric Throttle Control Function: Wiring Diagram

Fig 1: Wiring Diagram
G00780834Courtesy of NISSAN MOTOR CO., U.S.A.