LEMON Manuals: Even more car manuals for everyone: 1960-2025
Home >> Nissan-Datsun >> 2004 >> Pathfinder LE, RWD >> Repair and Diagnosis >> Engine Performance >> System >> Engine Control System >> Ignition Signal >> Wiring Diagram
April 5, 2026: LEMON Manuals is launched! Read the announcement.

Ignition Signal: Wiring Diagram

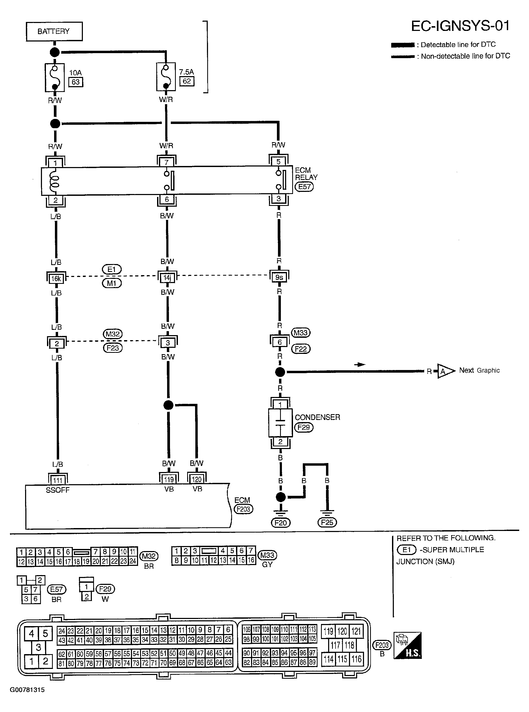
Fig 1: Wiring Diagram - Ignition Signal (1 Of 3)
G00781315Courtesy of NISSAN MOTOR CO., U.S.A.
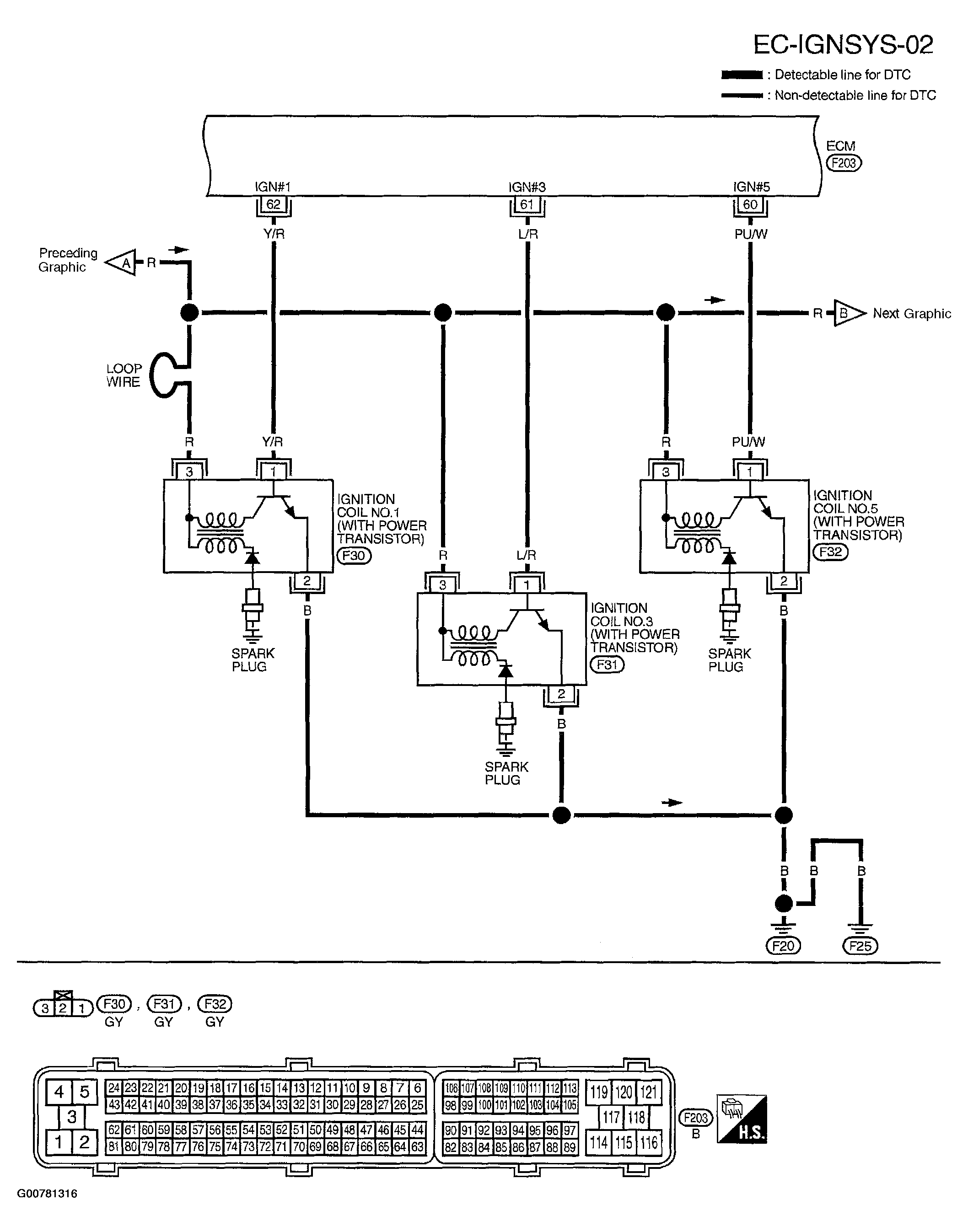
Fig 2: Wiring Diagram - Ignition Signal (2 Of 3)
G00781316Courtesy of NISSAN MOTOR CO., U.S.A.
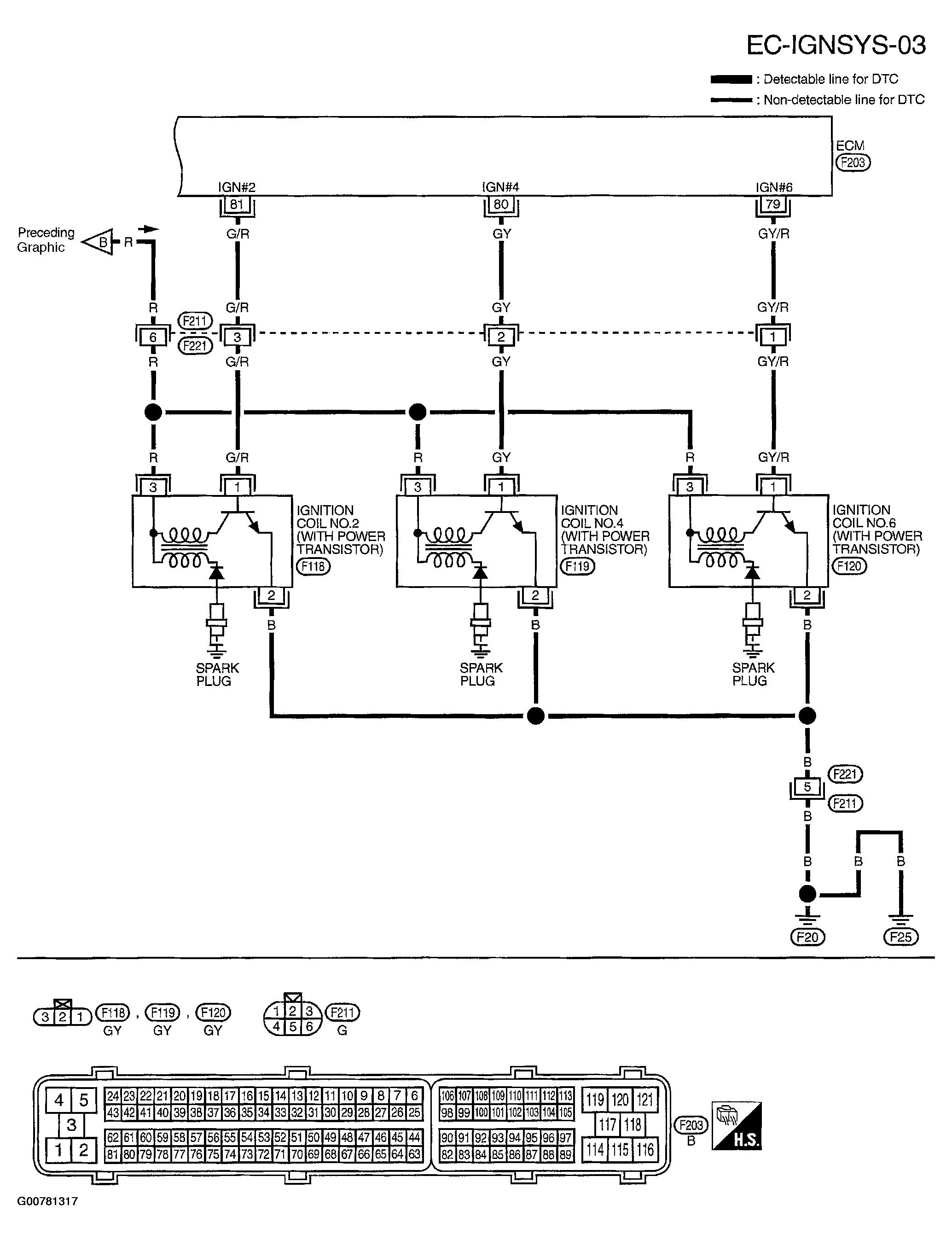
Fig 3: Wiring Diagram - Ignition Signal (3 Of 3)
G00781317Courtesy of NISSAN MOTOR CO., U.S.A.