LEMON Manuals: Even more car manuals for everyone: 1960-2025
Home >> Nissan-Datsun >> 2004 >> Quest S >> Repair and Diagnosis >> Engine Performance >> System >> Engine Control System >> DTC P0403: EGR Volume Control Valve >> Wiring Diagram
April 5, 2026: LEMON Manuals is launched! Read the announcement.

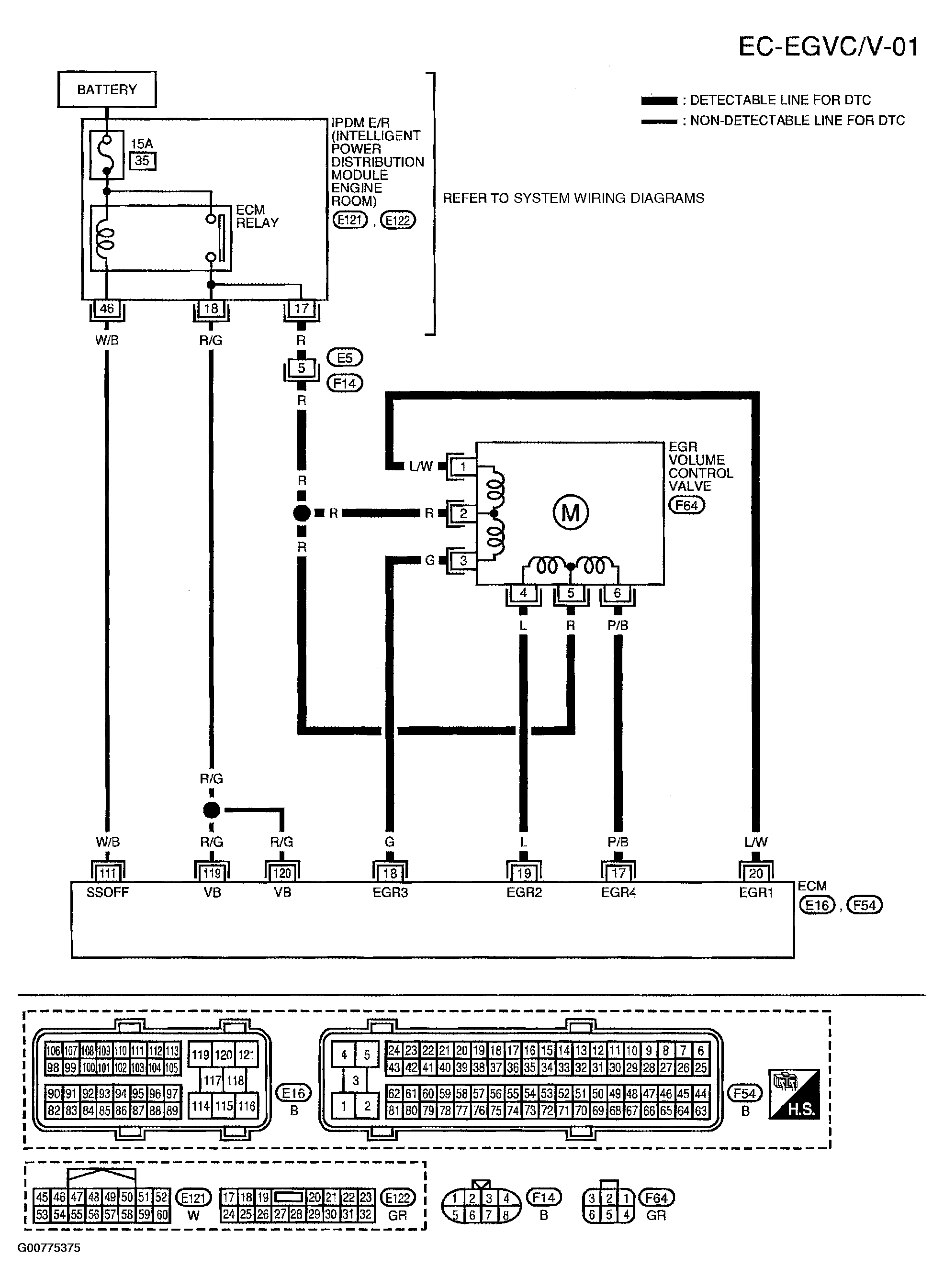
DTC P0403: EGR Volume Control Valve: Wiring Diagram

Fig 1: Displaying EC-EGVC/V-01 Wiring Diagram
G00775375Courtesy of NISSAN MOTOR CO., U.S.A.

Specification data are reference values and are measured between each terminal and ground.

CAUTION: Do not use ECM ground terminals when measuring input/output voltage. Doing so may result in damage to the ECM's transistor. Use a ground other than ECM terminals, such as the ground.
Fig 2: Specification Data Chart
G00775376Courtesy of NISSAN MOTOR CO., U.S.A.