LEMON Manuals: Even more car manuals for everyone: 1960-2025
Home >> Nissan-Datsun >> 2004 >> Quest S >> Repair and Diagnosis >> Engine Performance >> System >> Engine Control System >> Mil And Data Link Connector >> Wiring Diagram
April 5, 2026: LEMON Manuals is launched! Read the announcement.

Mil And Data Link Connector: Wiring Diagram

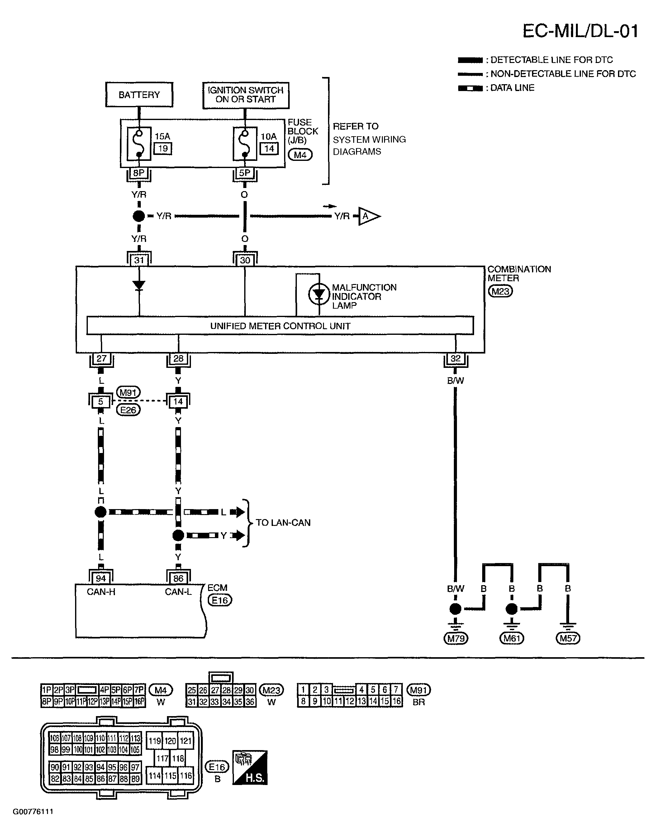
Fig 1: Displaying EC-MIL/DL-01 Wiring Diagram
G00776111Courtesy of NISSAN MOTOR CO., U.S.A.
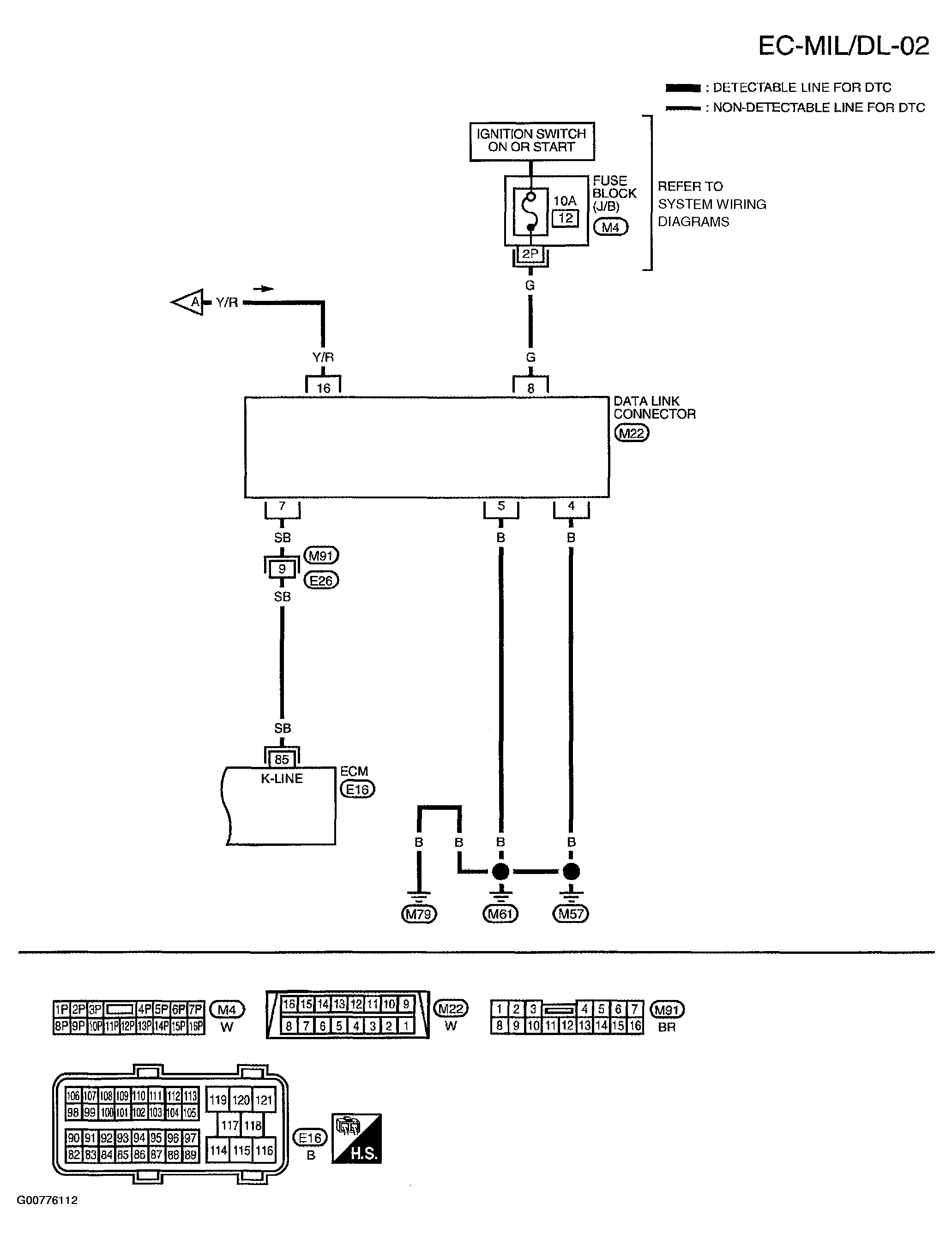
Fig 2: Displaying EC-MIL/DL-02 Wiring Diagram
G00776112Courtesy of NISSAN MOTOR CO., U.S.A.