LEMON Manuals: Even more car manuals for everyone: 1960-2025
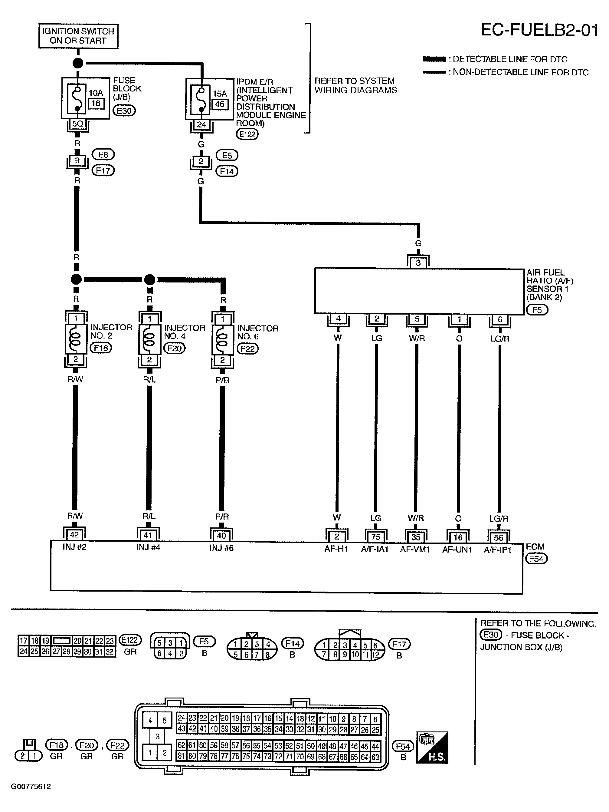
Home >> Nissan-Datsun >> 2004 >> Quest SL >> Repair and Diagnosis >> Engine Performance >> System >> Engine Control System >> DTC P0171, P0174: Fuel Injection System Function >> Wiring Diagram >> Bank 2
April 5, 2026: LEMON Manuals is launched! Read the announcement.

Bank 2

Fig 1: Displaying EC-FUELB2-01 Wiring Diagram
G00775612Courtesy of NISSAN MOTOR CO., U.S.A.