LEMON Manuals: Even more car manuals for everyone: 1960-2025
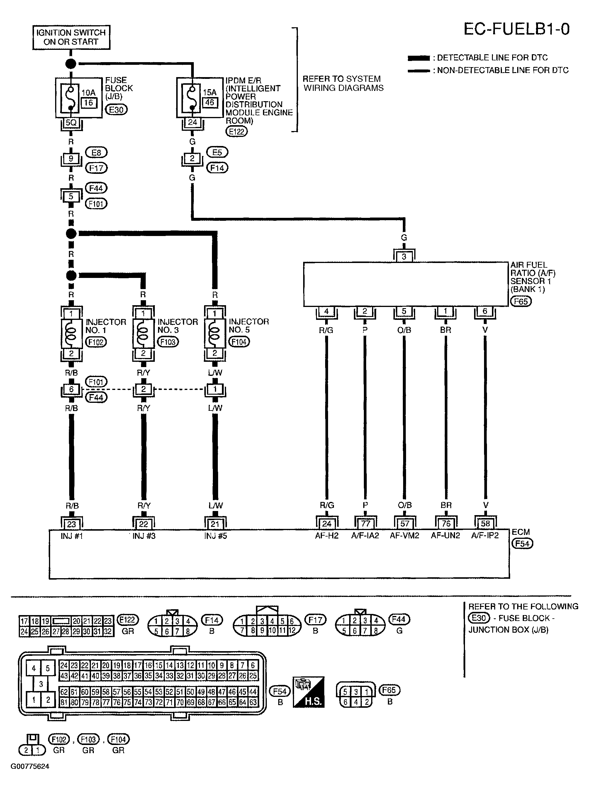
Home >> Nissan-Datsun >> 2004 >> Quest SL >> Repair and Diagnosis >> Engine Performance >> System >> Engine Control System >> DTC P0172, P0175: Fuel Injection System Function >> Wiring Diagram >> Bank1
April 5, 2026: LEMON Manuals is launched! Read the announcement.

DTC P0172, P0175: Fuel Injection System Function: Wiring Diagram: Bank1

Fig 1: Displaying EC-FUELB1-0 Wiring Diagram
G00775624Courtesy of NISSAN MOTOR CO., U.S.A.