LEMON Manuals: Even more car manuals for everyone: 1960-2025
Home >> Nissan-Datsun >> 2004 >> Quest SL >> Repair and Diagnosis >> Engine Performance >> System >> Engine Control System >> DTC P1706: PNP Switch >> Wiring Diagram
April 5, 2026: LEMON Manuals is launched! Read the announcement.

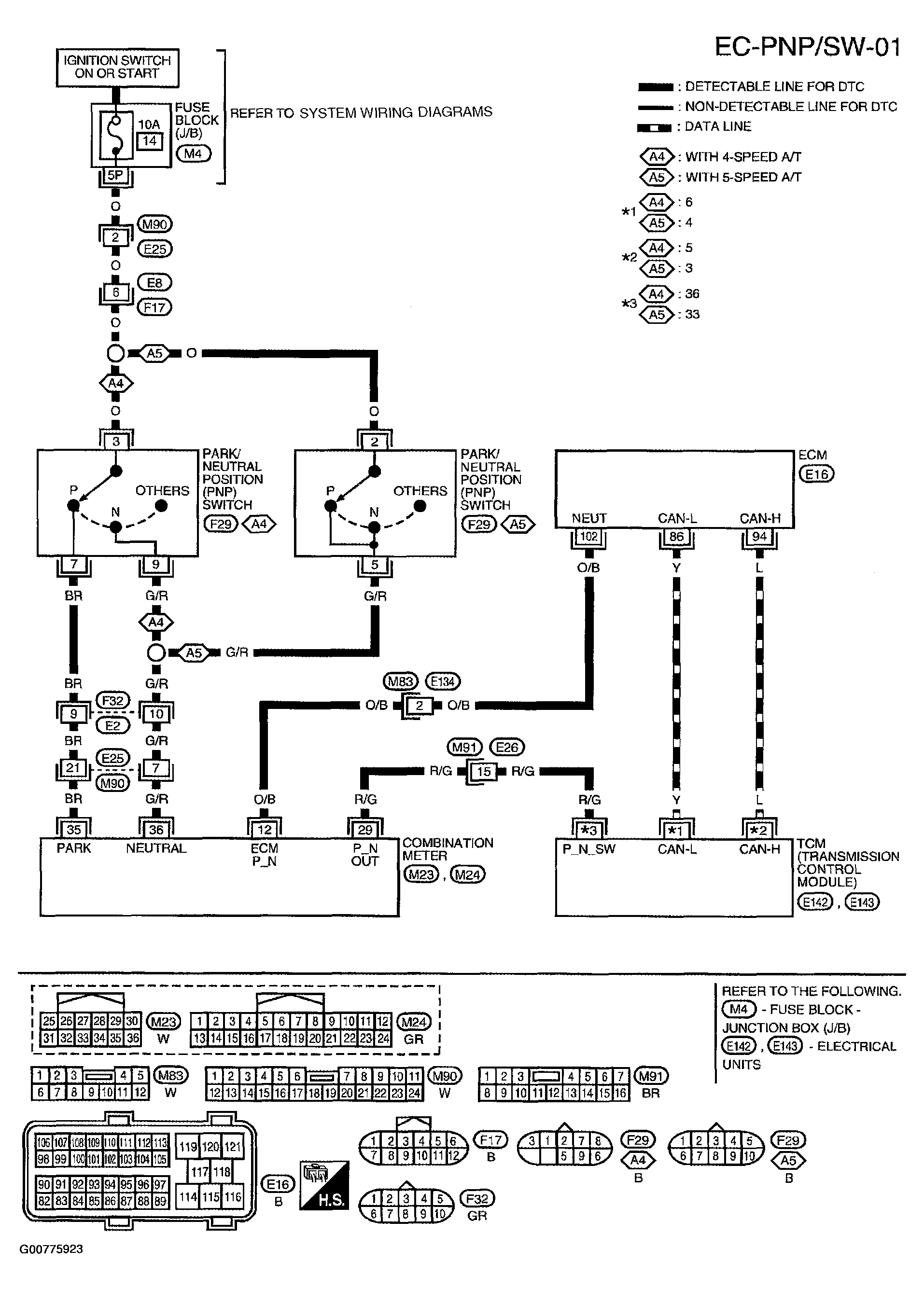
DTC P1706: PNP Switch: Wiring Diagram

Fig 1: Displaying EC-PNP/SW-01 Wiring Diagram
G00775923Courtesy of NISSAN MOTOR CO., U.S.A.

Specification data are reference values and are measured between each terminal and ground.

CAUTION: Do not use ECM ground terminals when measuring input/output voltage. Doing so may result in damage to the ECM's transistor. Use a ground other than ECM terminals, such as the ground.
Fig 2: Displaying Terminal Specifications
G00775924Courtesy of NISSAN MOTOR CO., U.S.A.