LEMON Manuals: Even more car manuals for everyone: 1960-2025
Home >> Nissan-Datsun >> 2004 >> Quest SL >> Repair and Diagnosis >> External Pages >> Different car >> Section 519 (BCM (Body Control Module)) >> BCM (Body Control Module) >> Schematic
April 5, 2026: LEMON Manuals is launched! Read the announcement.

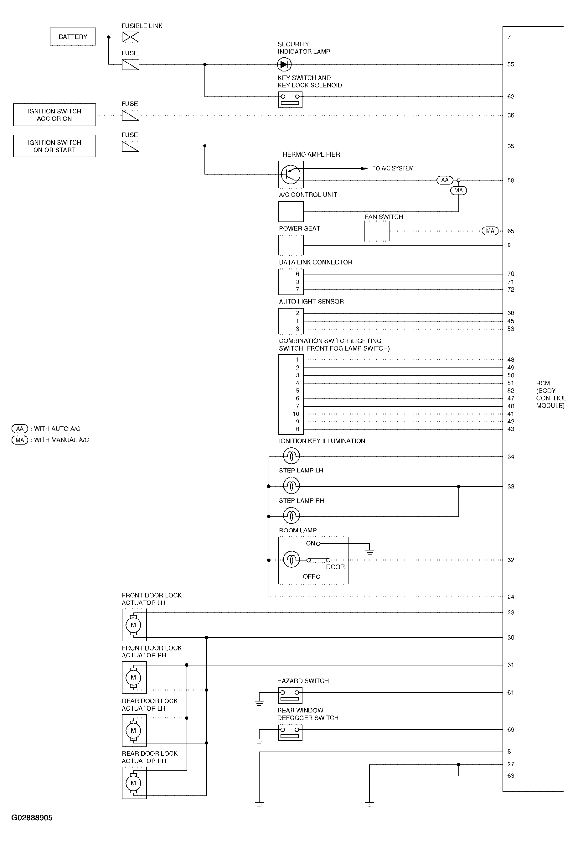
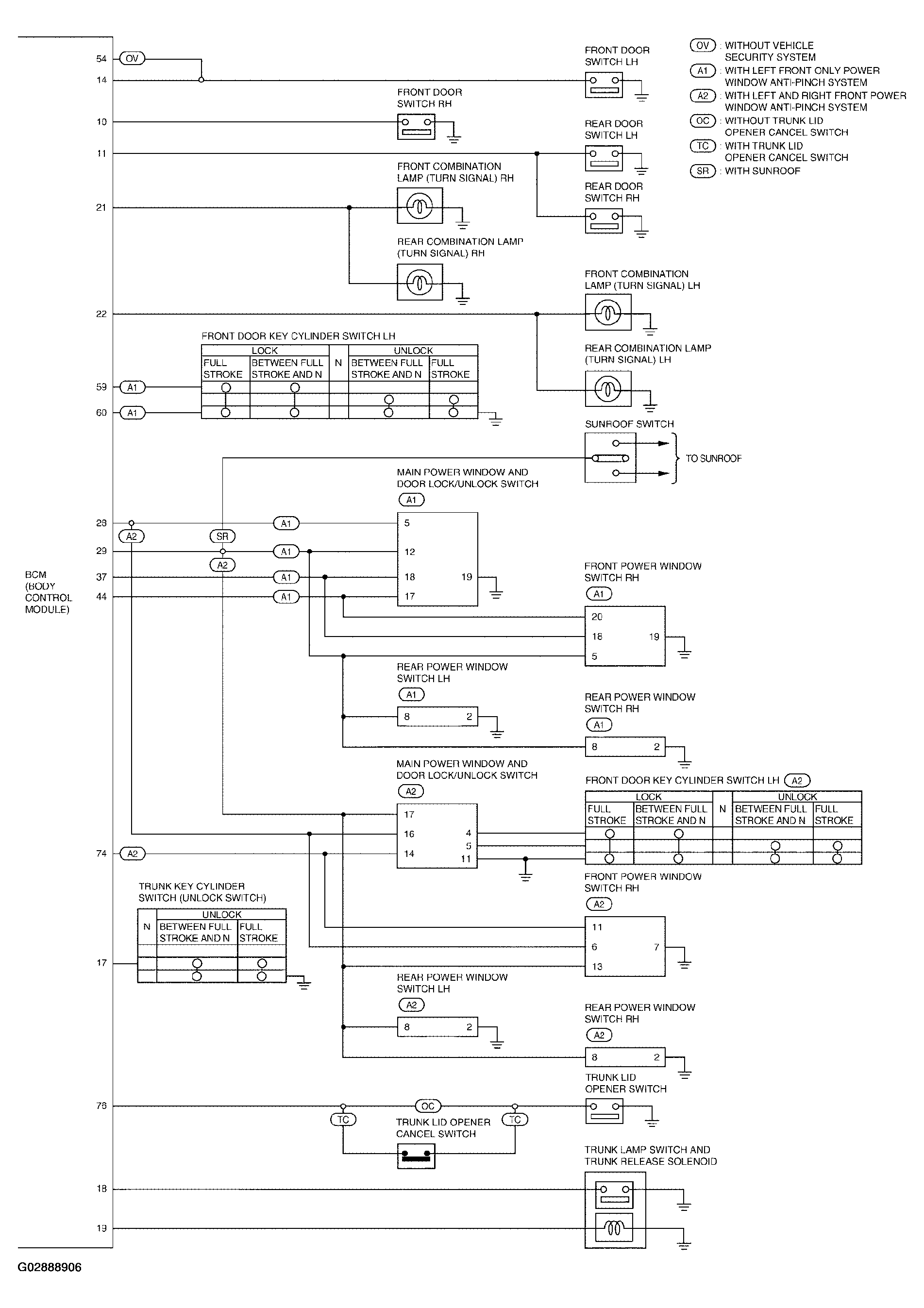
BCM (Body Control Module): Schematic

WARNING: This page is about a different car, the 2004 Nissan Altima. However, it is still accessible from the selected car via links, so may be relevant.
Fig 1: Schematic Diagram (1 Of 2)
G02888905Courtesy of NISSAN MOTOR CO., U.S.A.
Fig 2: Schematic Diagram (2 Of 2)
G02888906Courtesy of NISSAN MOTOR CO., U.S.A.