LEMON Manuals: Even more car manuals for everyone: 1960-2025
Home >> Nissan-Datsun >> 2004 >> Sentra Base, Automatic >> Repair and Diagnosis (Single Page) >> Accessories & Equipment >> Anti-Theft Systems >> Remote Keyless Entry System >> Remote Keyless Entry System >> Schematic
April 5, 2026: LEMON Manuals is launched! Read the announcement.

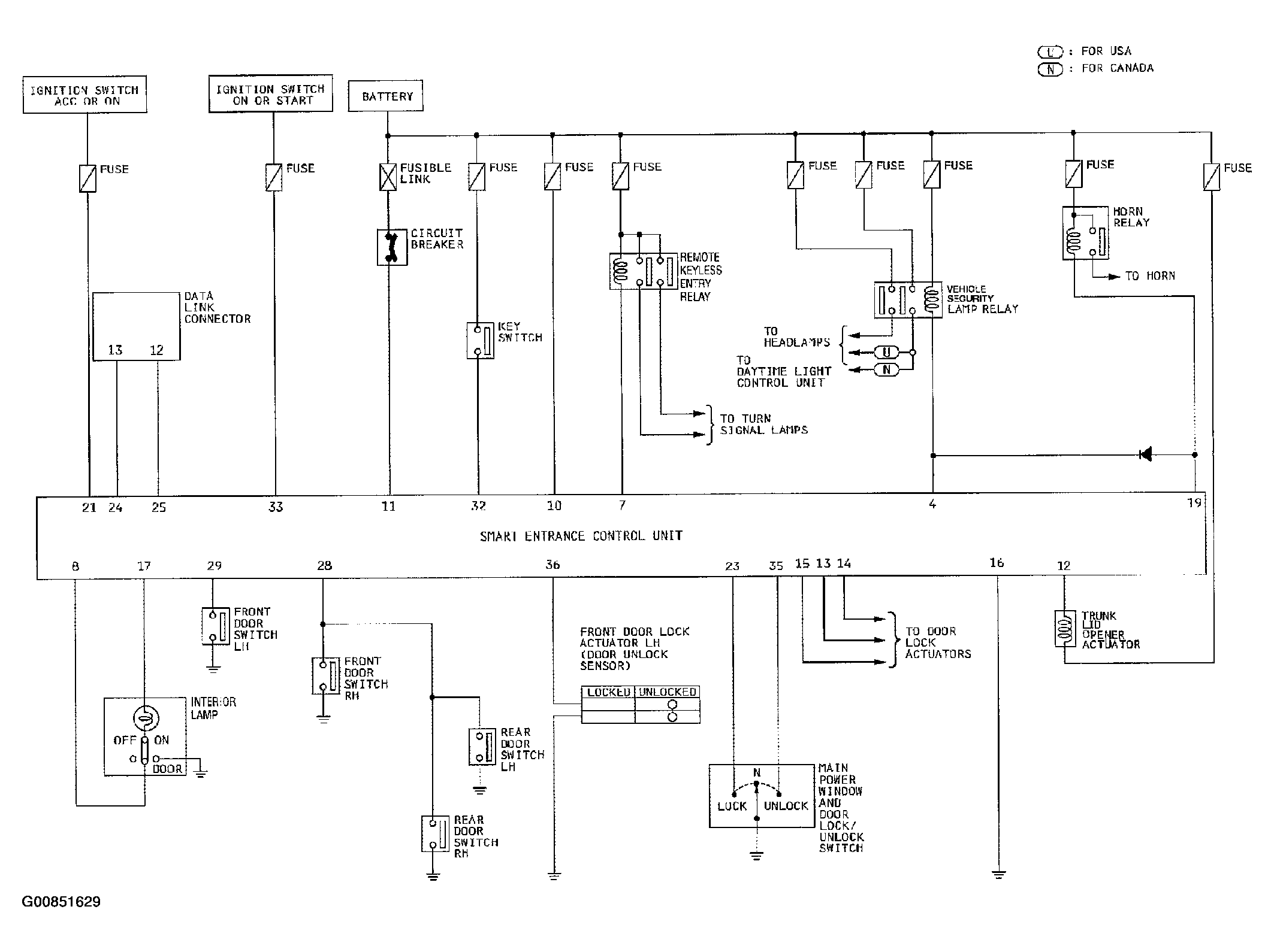
Remote Keyless Entry System: Schematic

Fig 1: Remote Key Lock Entry System Schematic Diagram
G00851629Courtesy of NISSAN MOTOR CO., U.S.A.