LEMON Manuals: Even more car manuals for everyone: 1960-2025
Home >> Nissan-Datsun >> 2004 >> Sentra SE-R Spec V >> Repair and Diagnosis (Single Page) >> External Pages >> Different car >> Section 423 (Engine Control System - DTC) >> DTC P0171, P0174: Fuel Injection System Function >> Wiring Diagram >> Bank 2
April 5, 2026: LEMON Manuals is launched! Read the announcement.

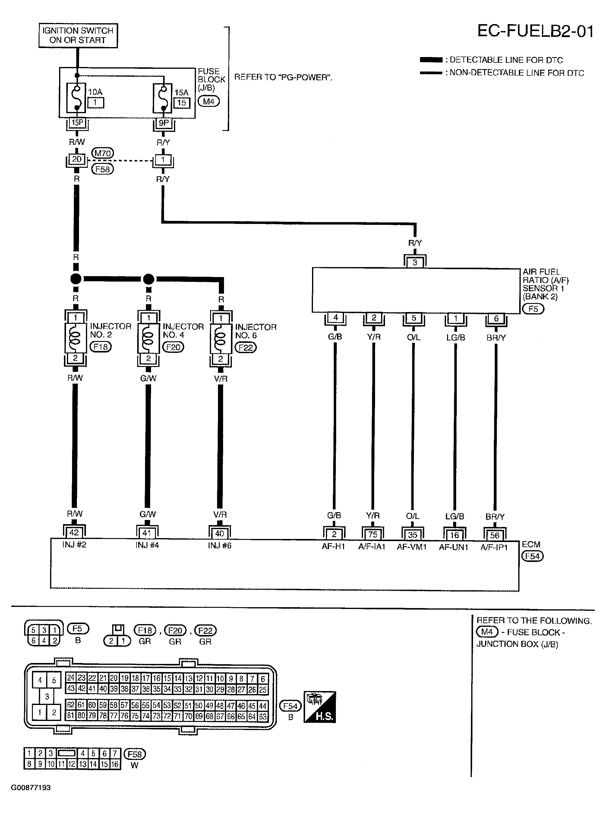
Bank 2

WARNING: This page is about a different car, the 2004 Nissan Maxima. However, it is still accessible from the selected car via links, so may be relevant.
Fig 1: Wiring Diagram - EC-FUELB2-01
G00877193Courtesy of NISSAN MOTOR CO., U.S.A.