LEMON Manuals: Even more car manuals for everyone: 1960-2025
Home >> Nissan-Datsun >> 2004 >> Sentra SE-R Spec V >> Repair and Diagnosis >> Engine Performance >> System >> Engine Control System - Qr25DE >> Data Link Connector >> Wiring Diagram
April 5, 2026: LEMON Manuals is launched! Read the announcement.

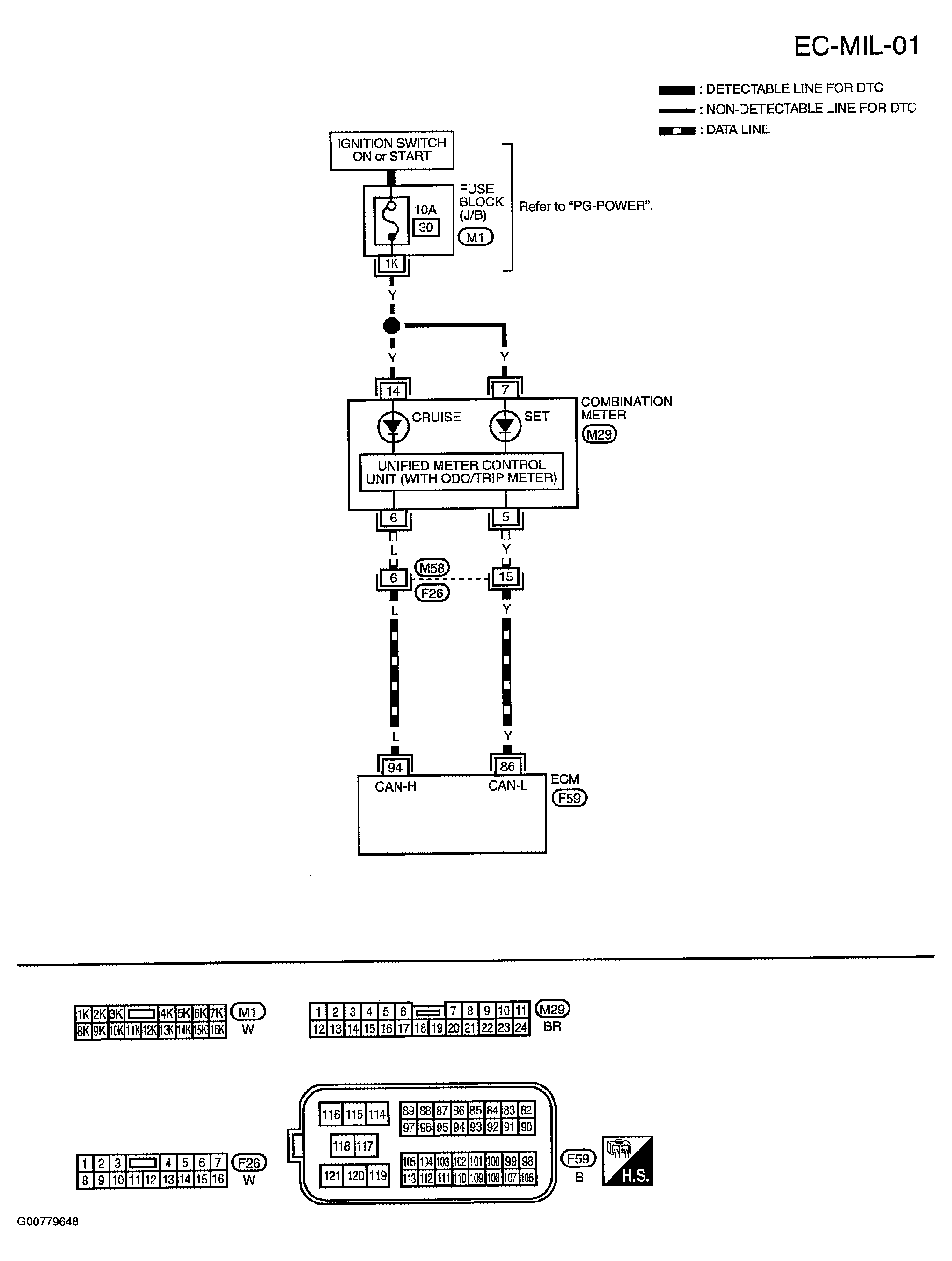
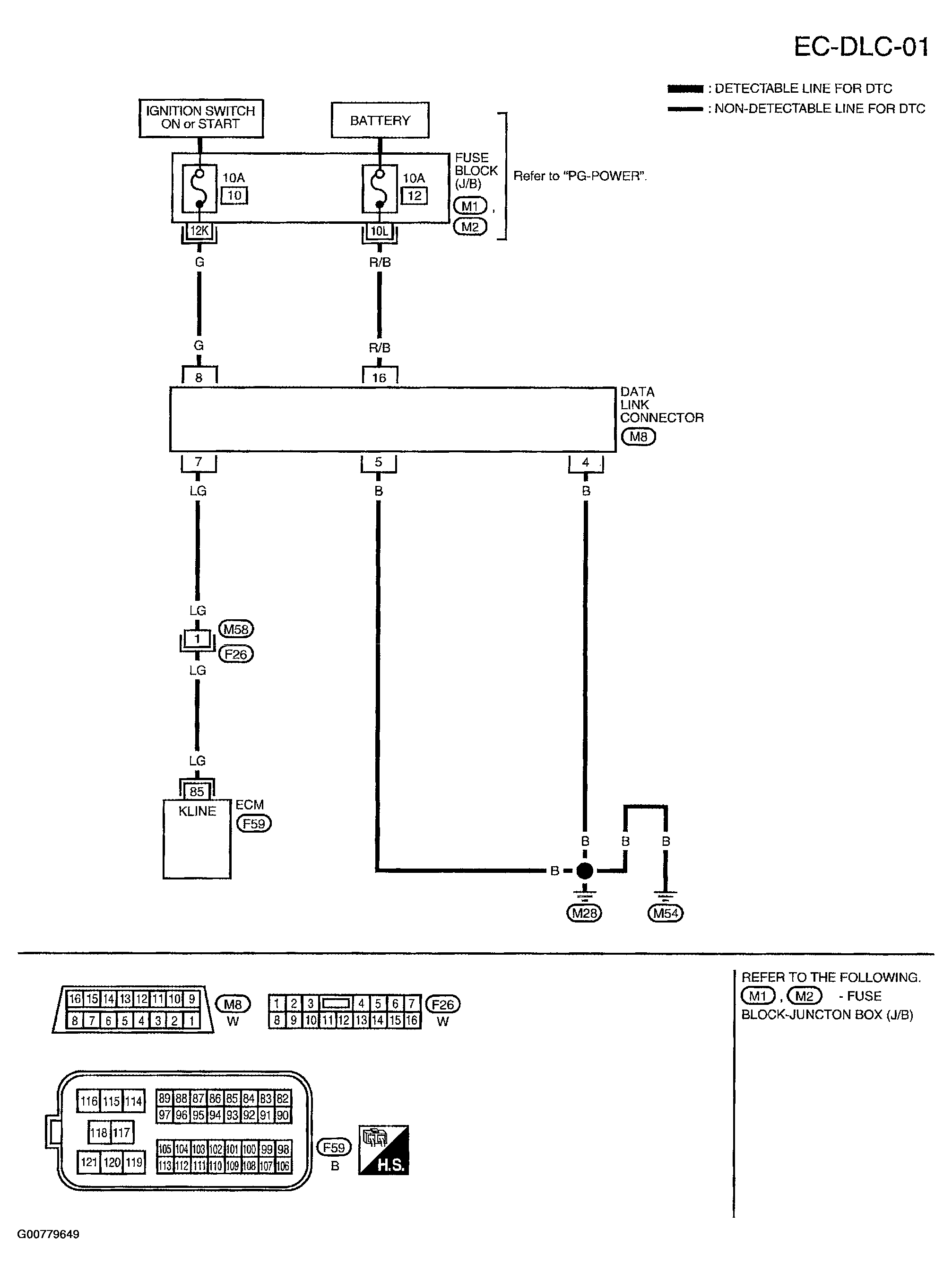
Data Link Connector: Wiring Diagram

NOTE: For references to "PG-Power" in wiring diagrams, see POWER DISTRIBUTION in SYSTEM WIRING DIAGRAMS.
Fig 1: Data Link Connector Wiring Diagram (1 Of 2)
G00779648Courtesy of NISSAN MOTOR CO., U.S.A.
Fig 2: Data Link Connector Wiring Diagram (2 Of 2)
G00779649Courtesy of NISSAN MOTOR CO., U.S.A.