LEMON Manuals: Even more car manuals for everyone: 1960-2025
Home >> Nissan-Datsun >> 2004 >> Sentra SE-R Spec V >> Repair and Diagnosis >> External Pages >> Different car >> Section 1408 (Body, Lock & Security System) >> Intelligent Key System >> Wiring Diagram - I/KEY-
April 5, 2026: LEMON Manuals is launched! Read the announcement.

Wiring Diagram - I/KEY-

WARNING: This page is about a different car, the 2005 Infiniti FX45 and 2005 Infiniti FX35. However, it is still accessible from the selected car via links, so may be relevant.
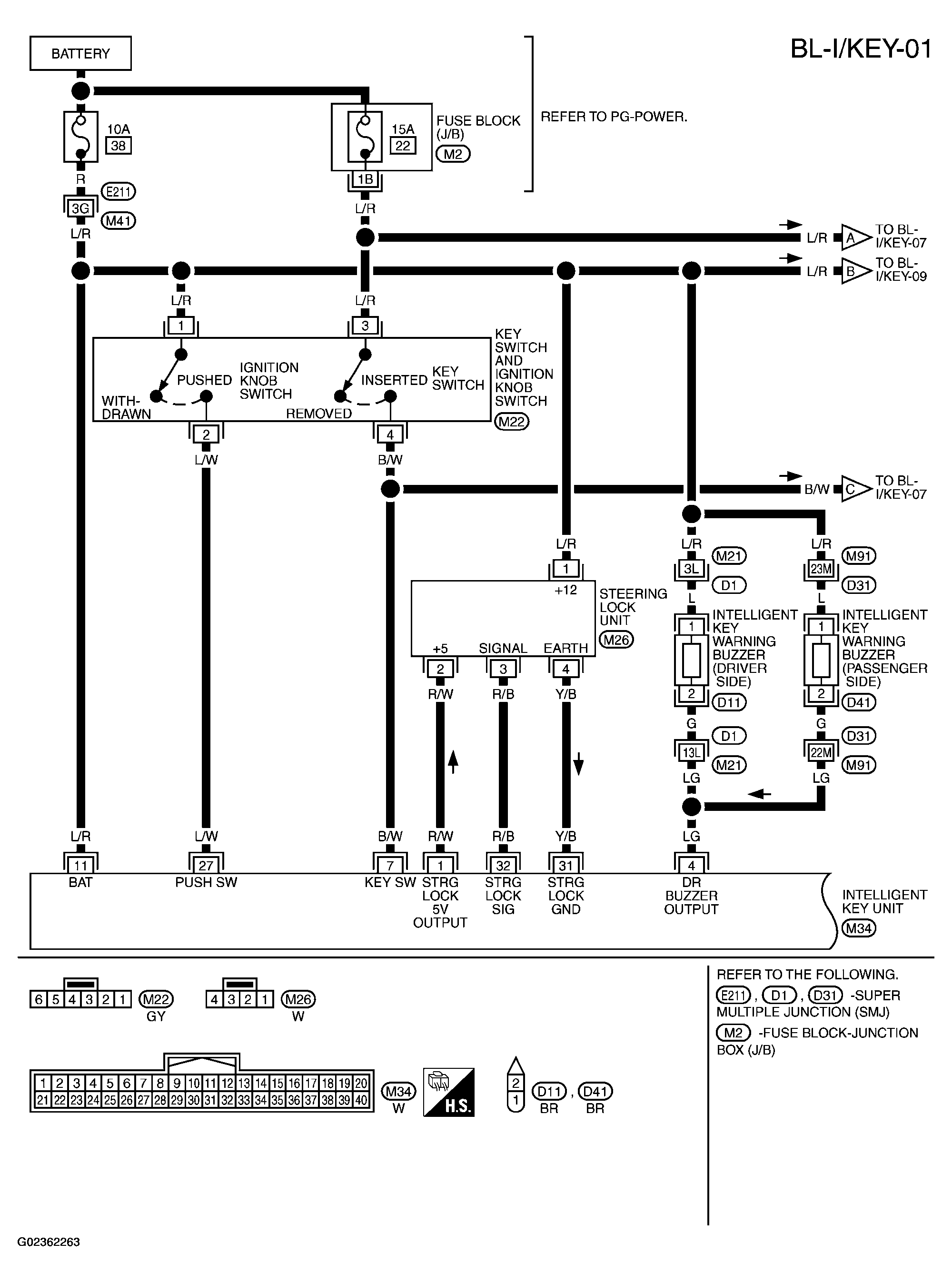
Fig 1: Wiring Diagram - BL-I/KEY-01
G02362263Courtesy of NISSAN MOTOR CO., U.S.A.
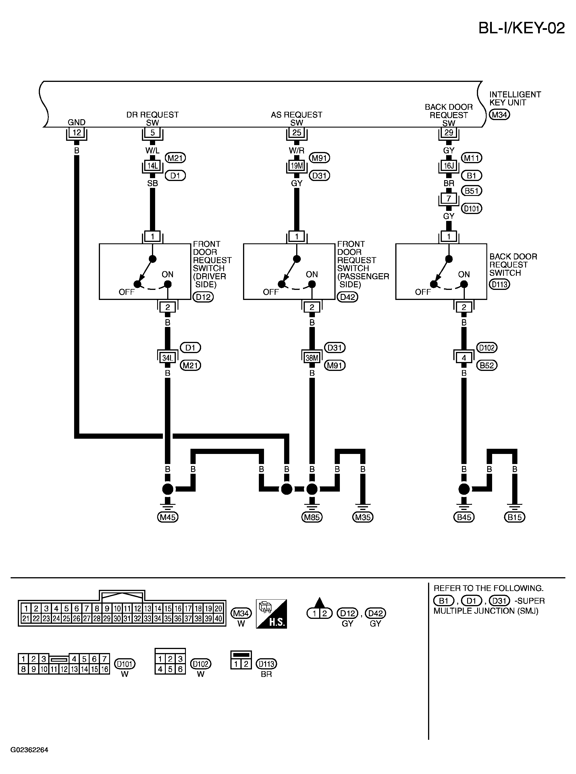
Fig 2: Wiring Diagram - BL-I/KEY-02
G02362264Courtesy of NISSAN MOTOR CO., U.S.A.
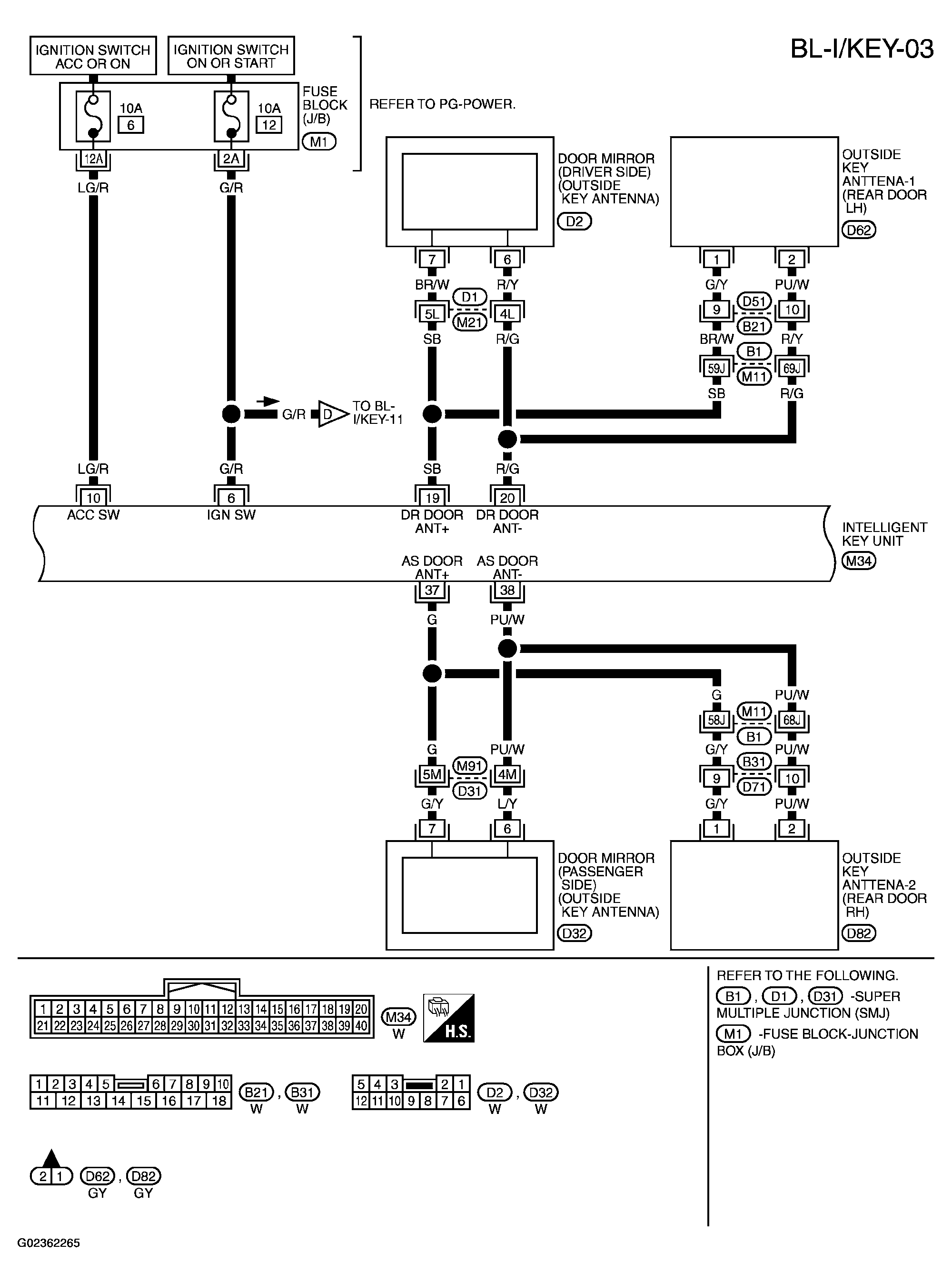
Fig 3: Wiring Diagram - BL-I/KEY-03
G02362265Courtesy of NISSAN MOTOR CO., U.S.A.
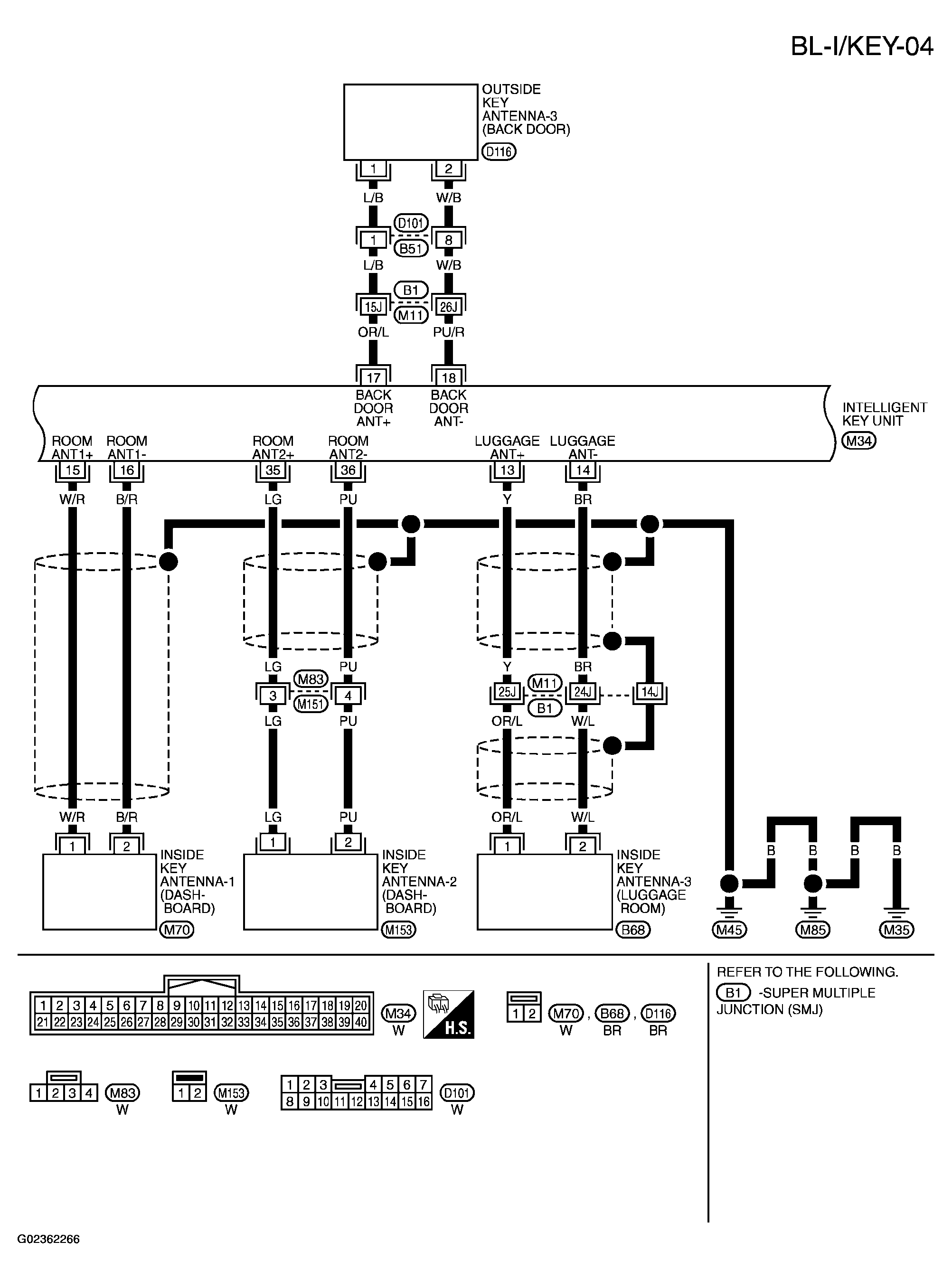
Fig 4: Wiring Diagram - BL-I/KEY-04
G02362266Courtesy of NISSAN MOTOR CO., U.S.A.
Fig 5: Wiring Diagram - BL-I/KEY-05
G02362267Courtesy of NISSAN MOTOR CO., U.S.A.
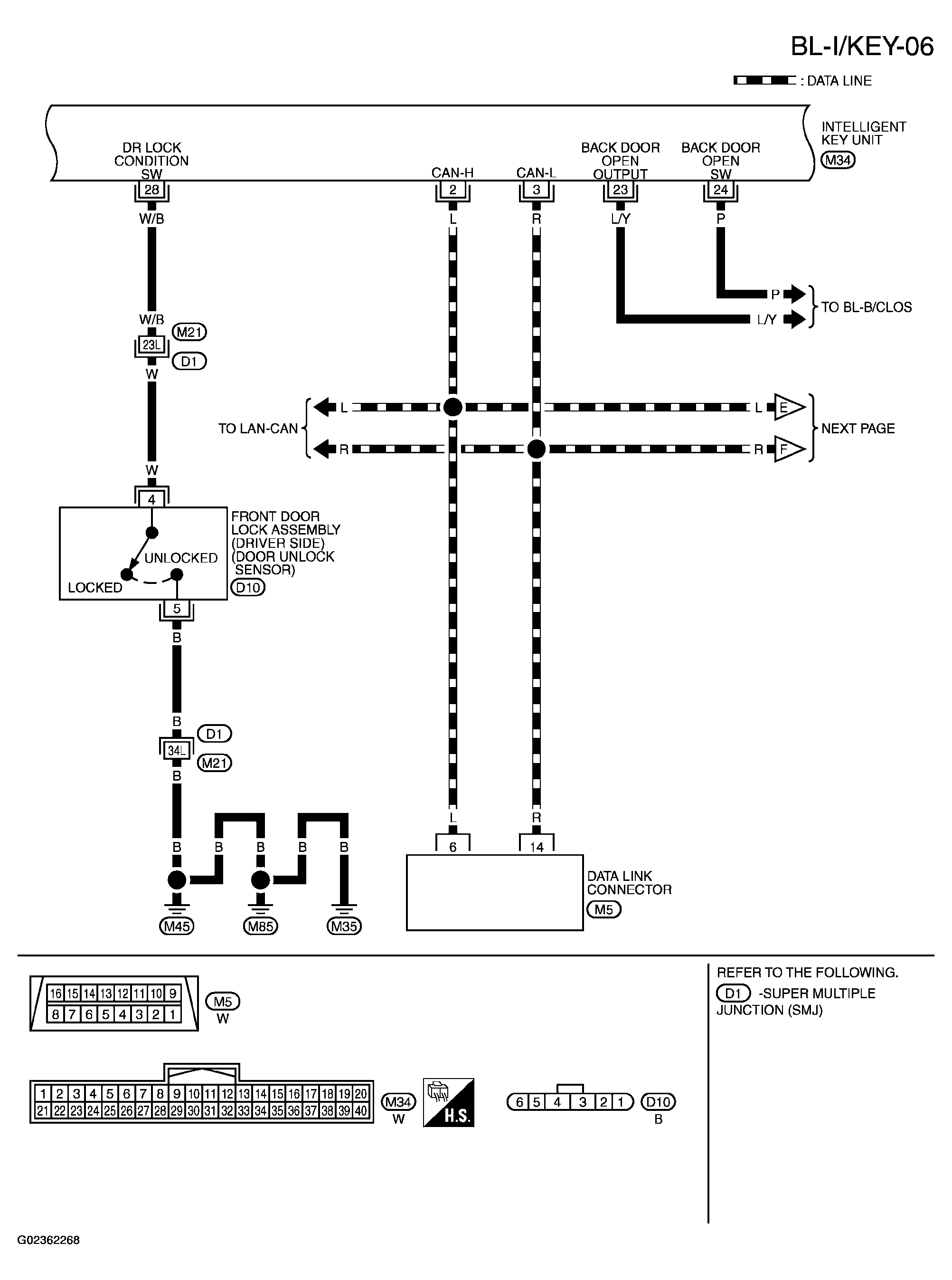
Fig 6: Wiring Diagram - BL-I/KEY-06
G02362268Courtesy of NISSAN MOTOR CO., U.S.A.
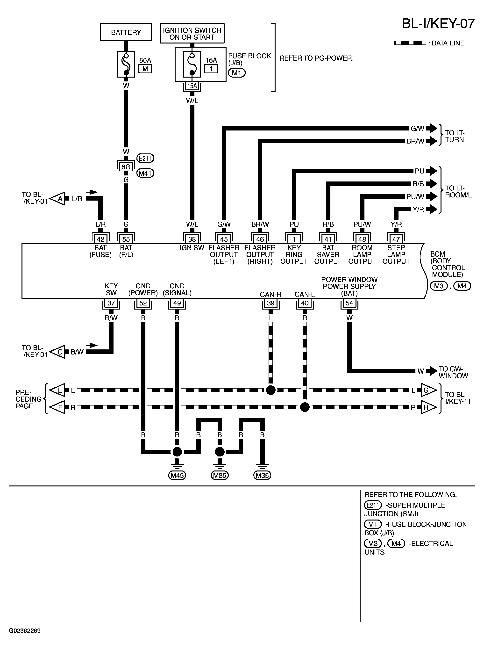
Fig 7: Wiring Diagram - BL-I/KEY-07
G02362269Courtesy of NISSAN MOTOR CO., U.S.A.
Fig 8: Wiring Diagram - BL-I/KEY-08
G02362270Courtesy of NISSAN MOTOR CO., U.S.A.
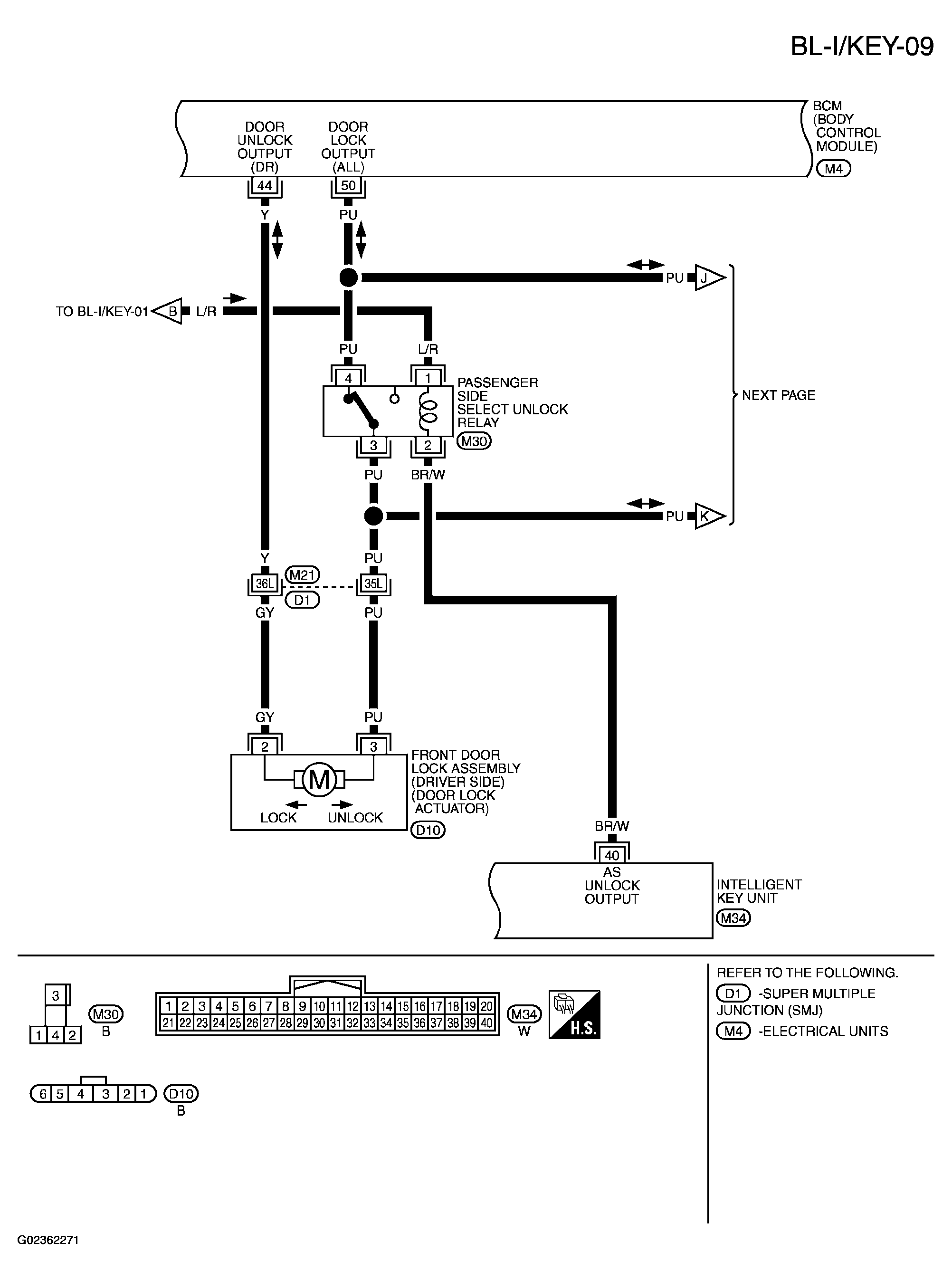
Fig 9: Wiring Diagram - BL-I/KEY-09
G02362271Courtesy of NISSAN MOTOR CO., U.S.A.
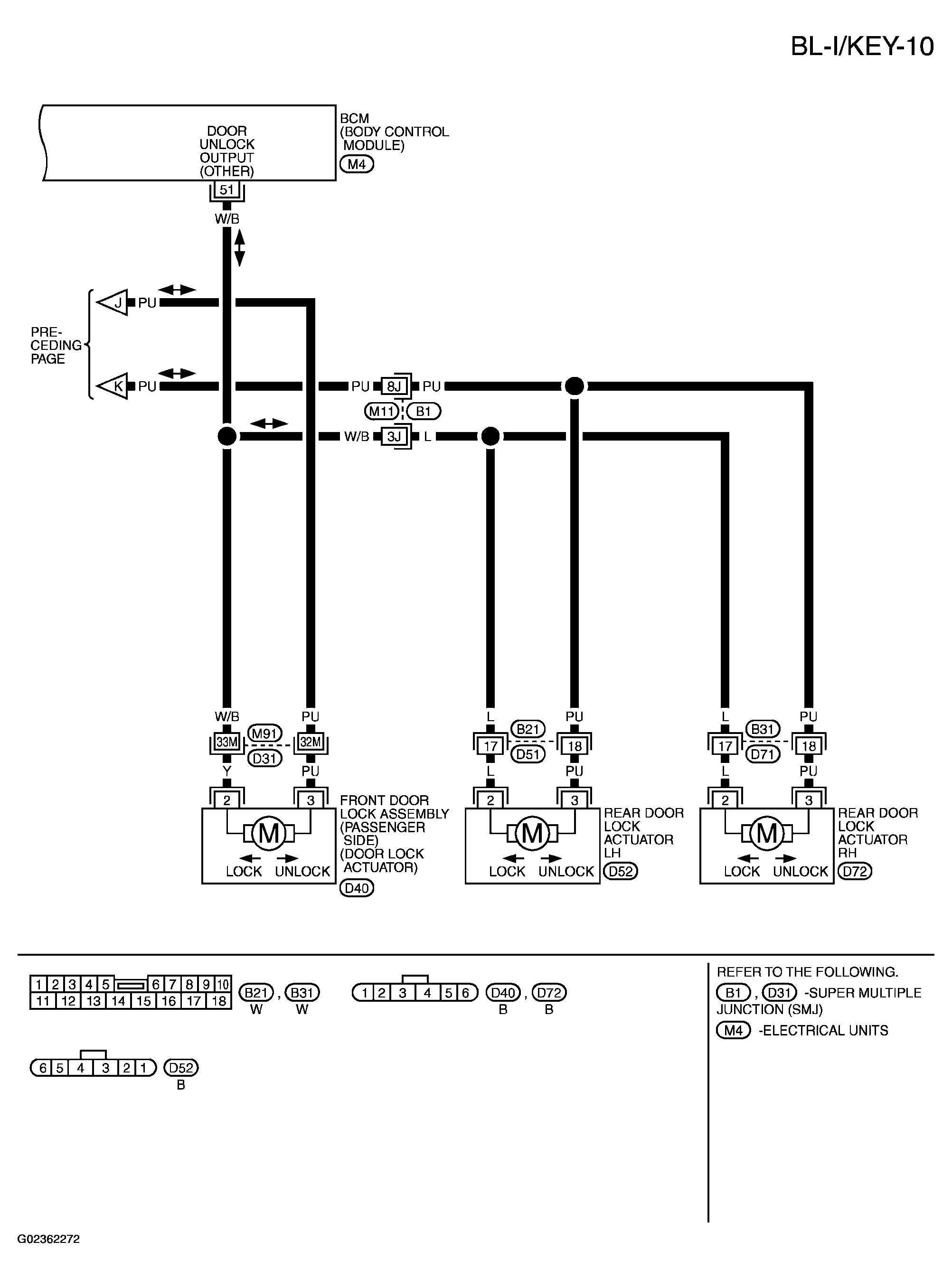
Fig 10: Wiring Diagram - BL-I/KEY-10
G02362272Courtesy of NISSAN MOTOR CO., U.S.A.
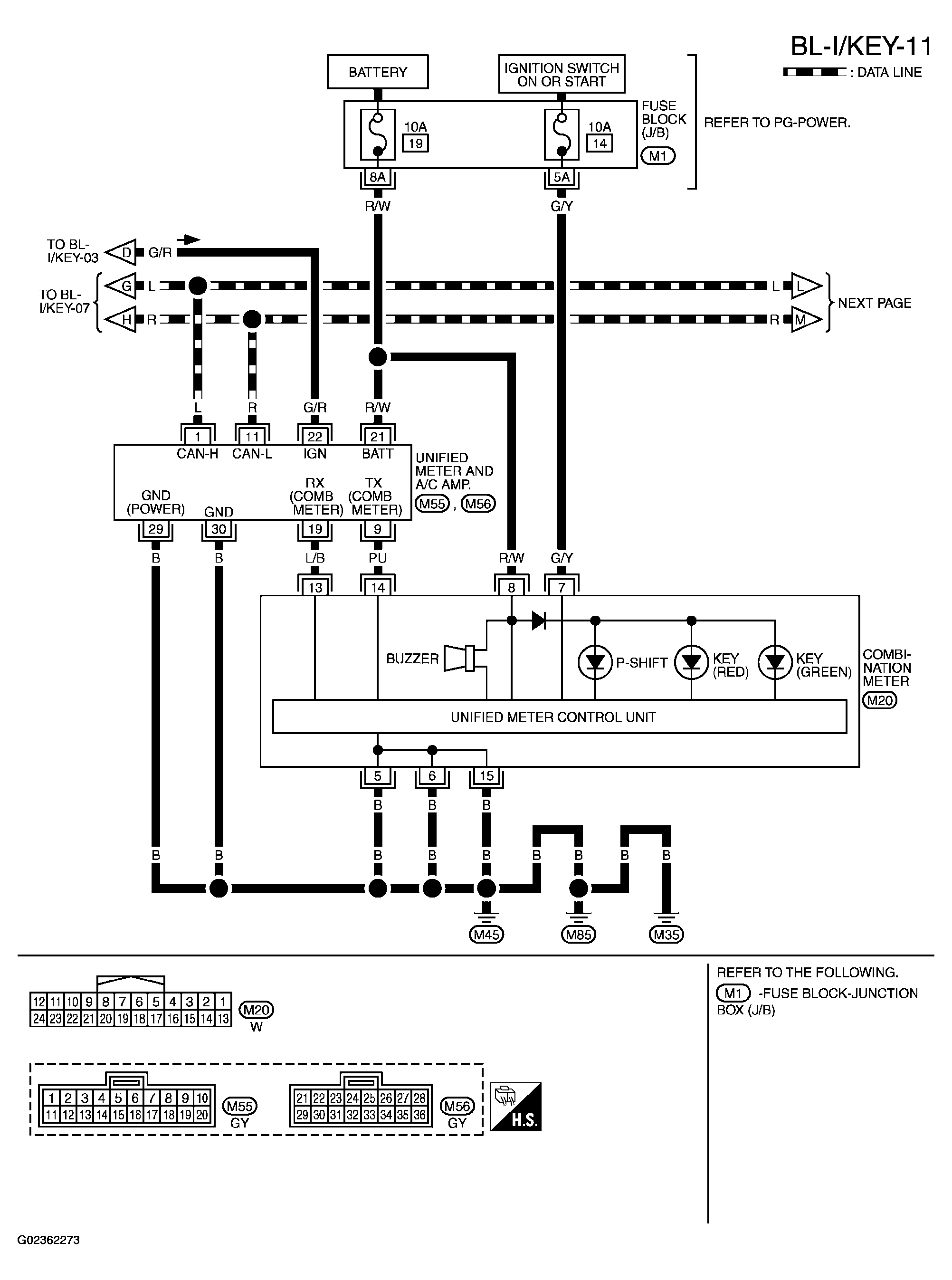
Fig 11: Wiring Diagram - BL-I/KEY-11
G02362273Courtesy of NISSAN MOTOR CO., U.S.A.
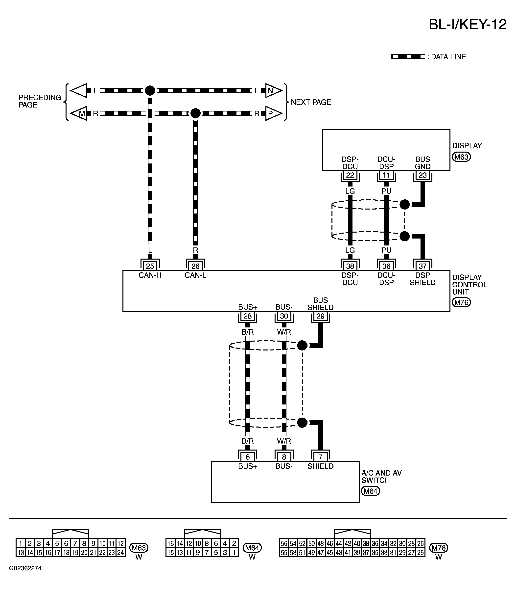
Fig 12: Wiring Diagram - BL-I/KEY-12
G02362274Courtesy of NISSAN MOTOR CO., U.S.A.
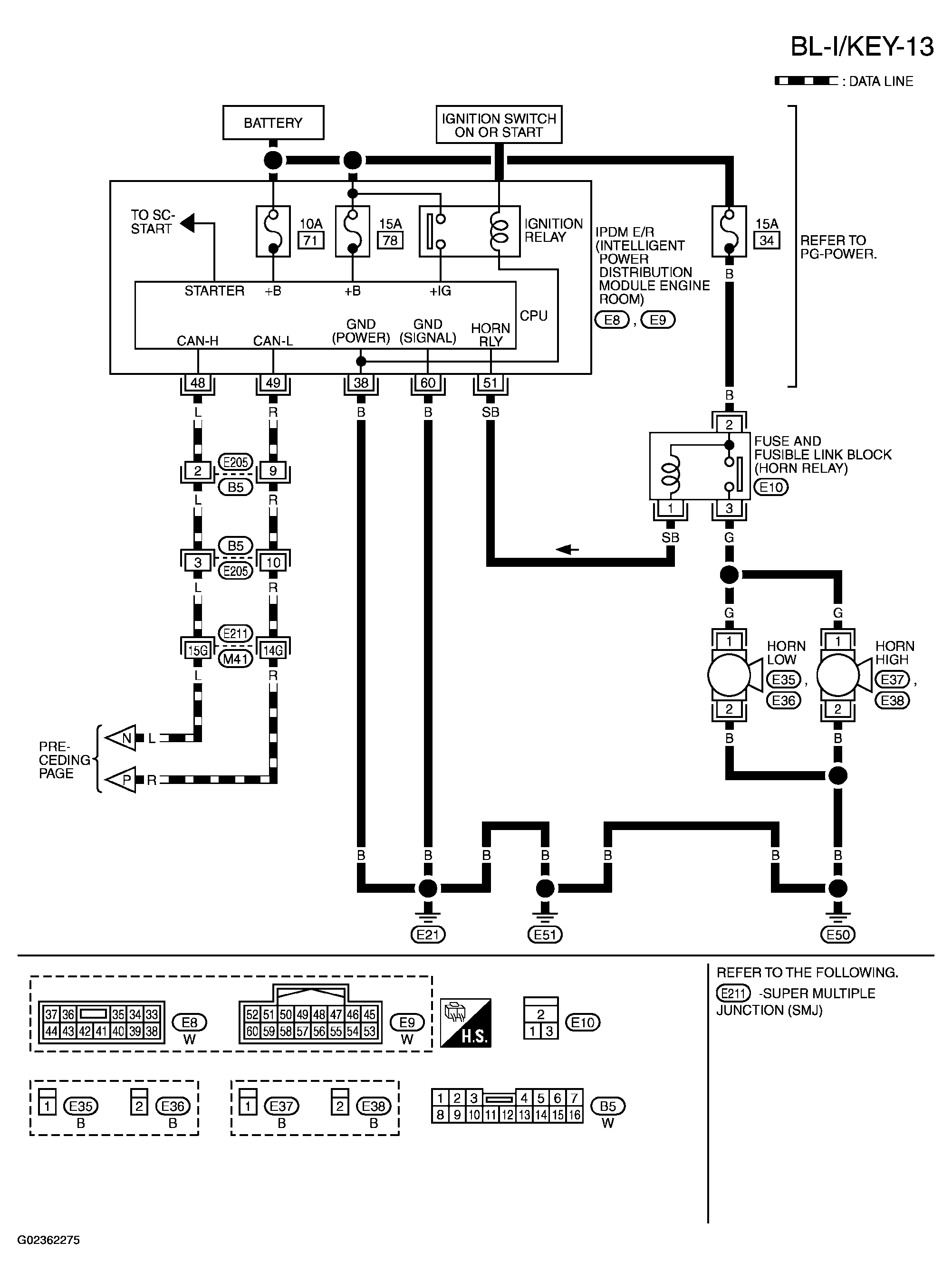
Fig 13: Wiring Diagram - BL-I/KEY-13
G02362275Courtesy of NISSAN MOTOR CO., U.S.A.