LEMON Manuals: Even more car manuals for everyone: 1960-2025
Home >> Nissan-Datsun >> 2004 >> Sentra SE-R Spec V >> Repair and Diagnosis >> External Pages >> Different car >> Section 1420 (Audio Visual, Navigation & Telephone System) >> Audio >> Wiring Diagram - AUDIO - / BOSE System With Navigation System
April 5, 2026: LEMON Manuals is launched! Read the announcement.

Wiring Diagram - AUDIO - / BOSE System With Navigation System

WARNING: This page is about a different car, the 2005 Infiniti FX45 and 2005 Infiniti FX35. However, it is still accessible from the selected car via links, so may be relevant.
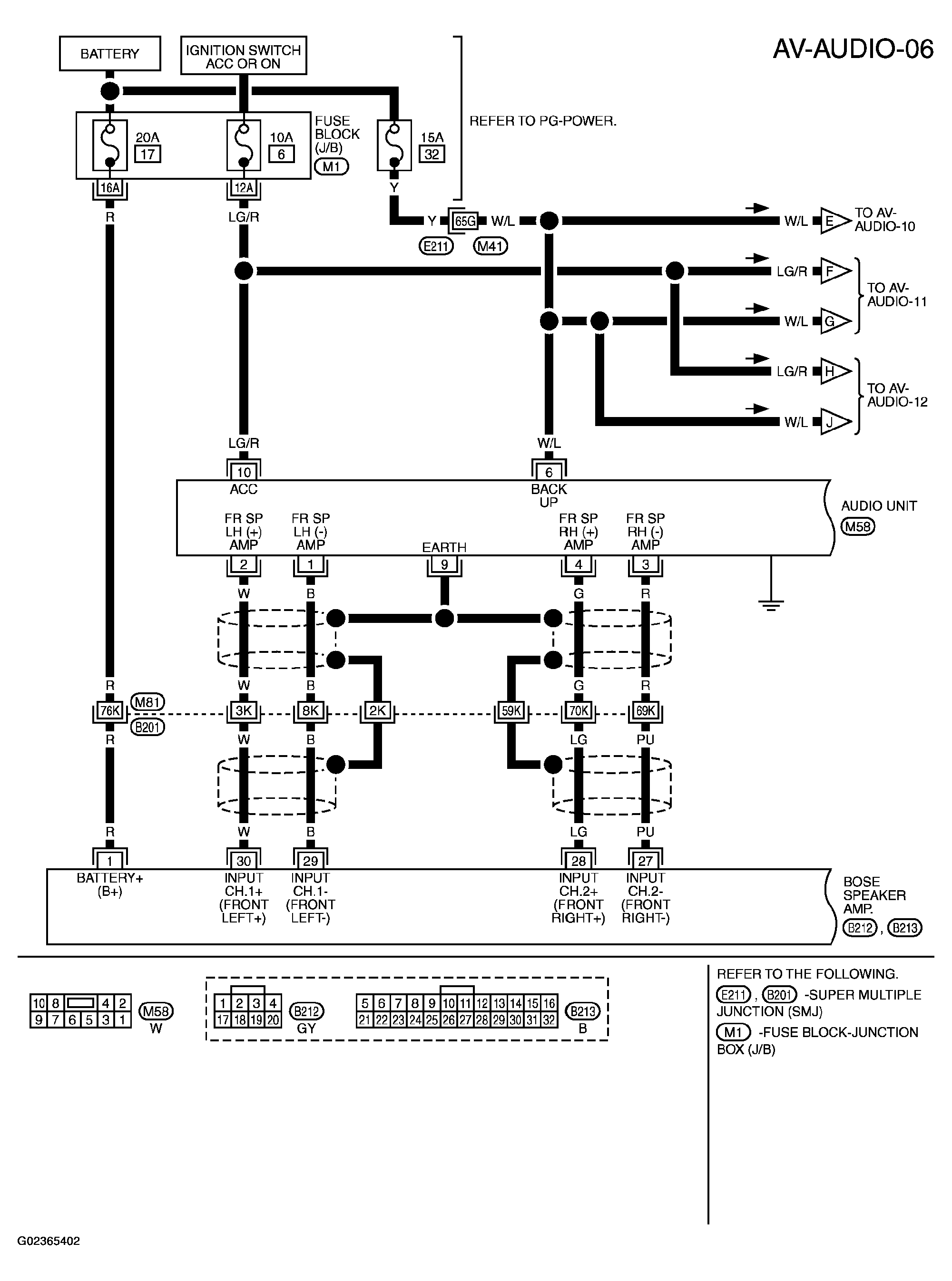
Fig 1: Wiring Diagram - AV-AUDIO-06
G02365402Courtesy of NISSAN MOTOR CO., U.S.A.
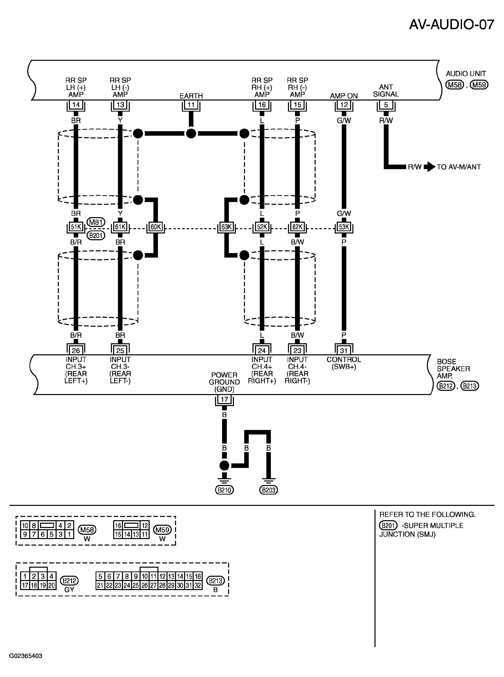
Fig 2: Wiring Diagram - AV-AUDIO-07
G02365403Courtesy of NISSAN MOTOR CO., U.S.A.
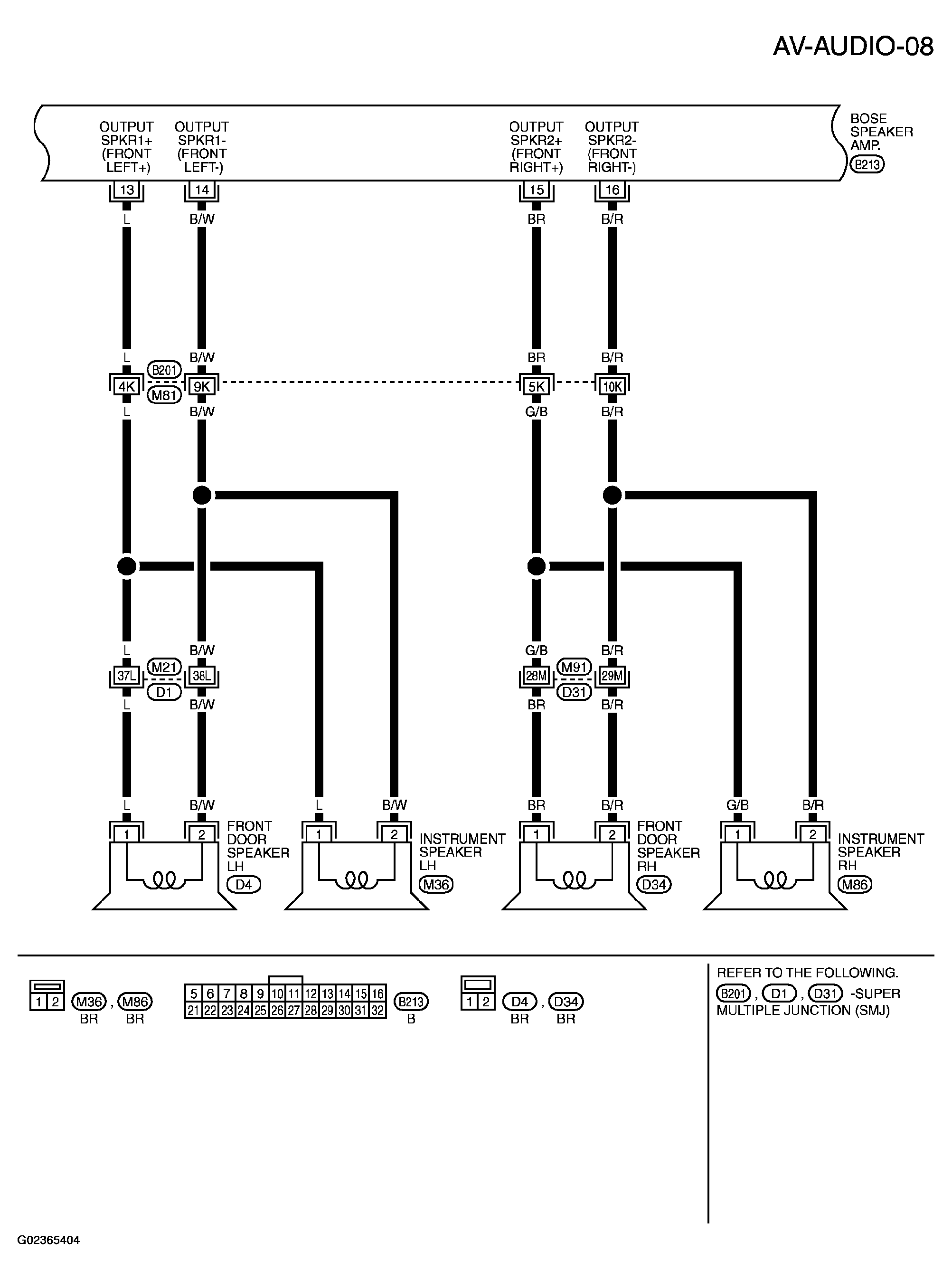
Fig 3: Wiring Diagram - AV-AUDIO-08
G02365404Courtesy of NISSAN MOTOR CO., U.S.A.
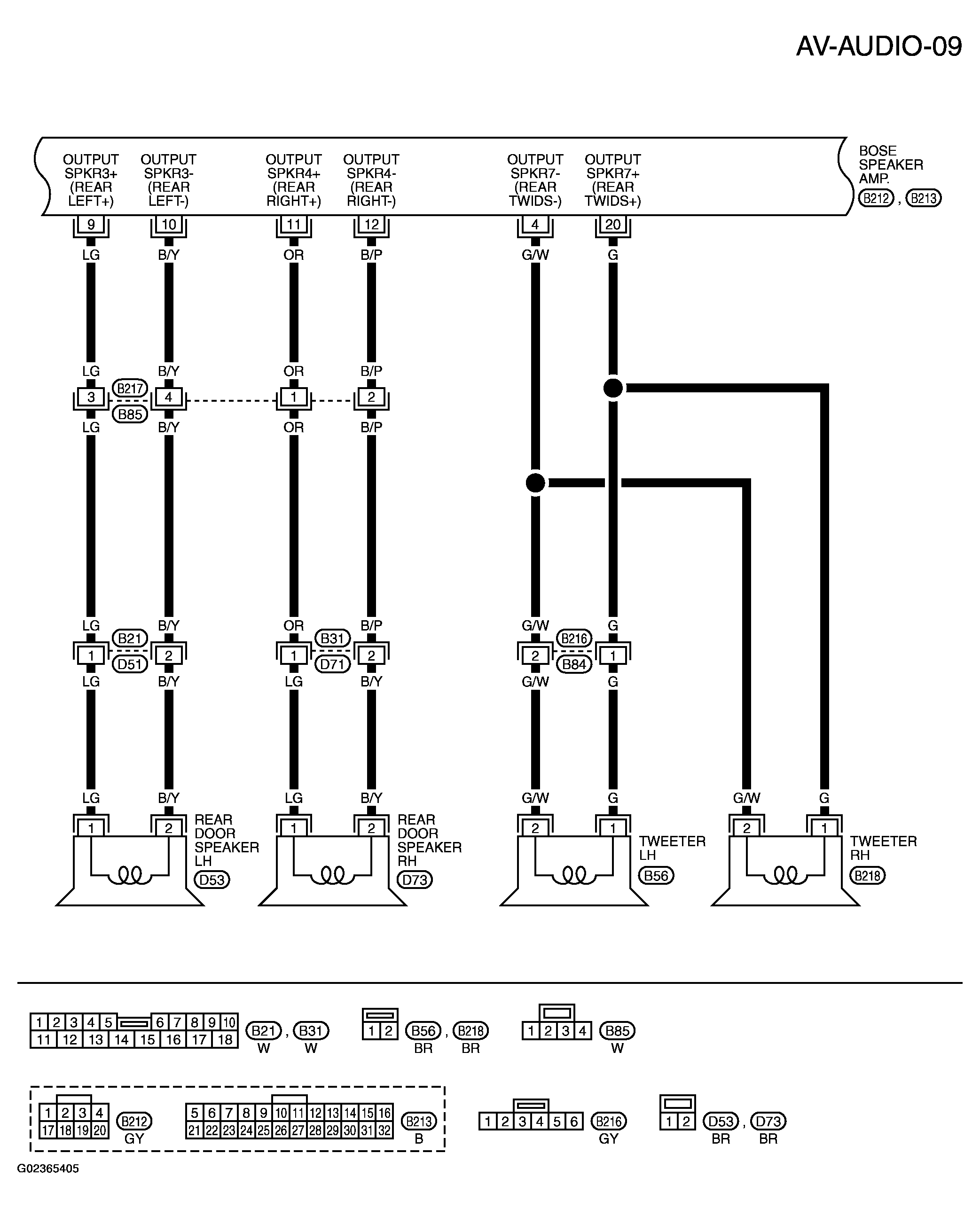
Fig 4: Wiring Diagram - AV-AUDIO-09
G02365405Courtesy of NISSAN MOTOR CO., U.S.A.
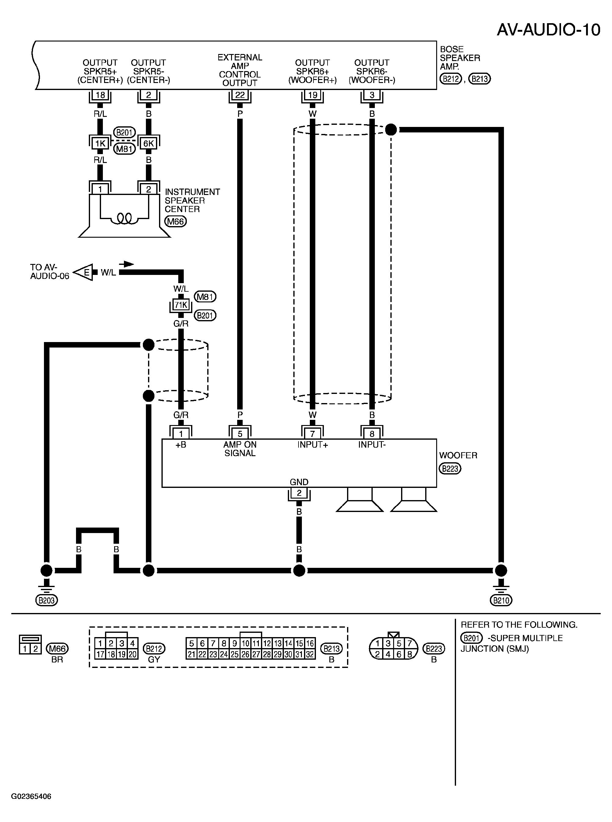
Fig 5: Wiring Diagram - AV-AUDIO-10
G02365406Courtesy of NISSAN MOTOR CO., U.S.A.
Fig 6: Wiring Diagram - AV-AUDIO-11
G02365407Courtesy of NISSAN MOTOR CO., U.S.A.
Fig 7: Wiring Diagram - AV-AUDIO-12
G02365408Courtesy of NISSAN MOTOR CO., U.S.A.
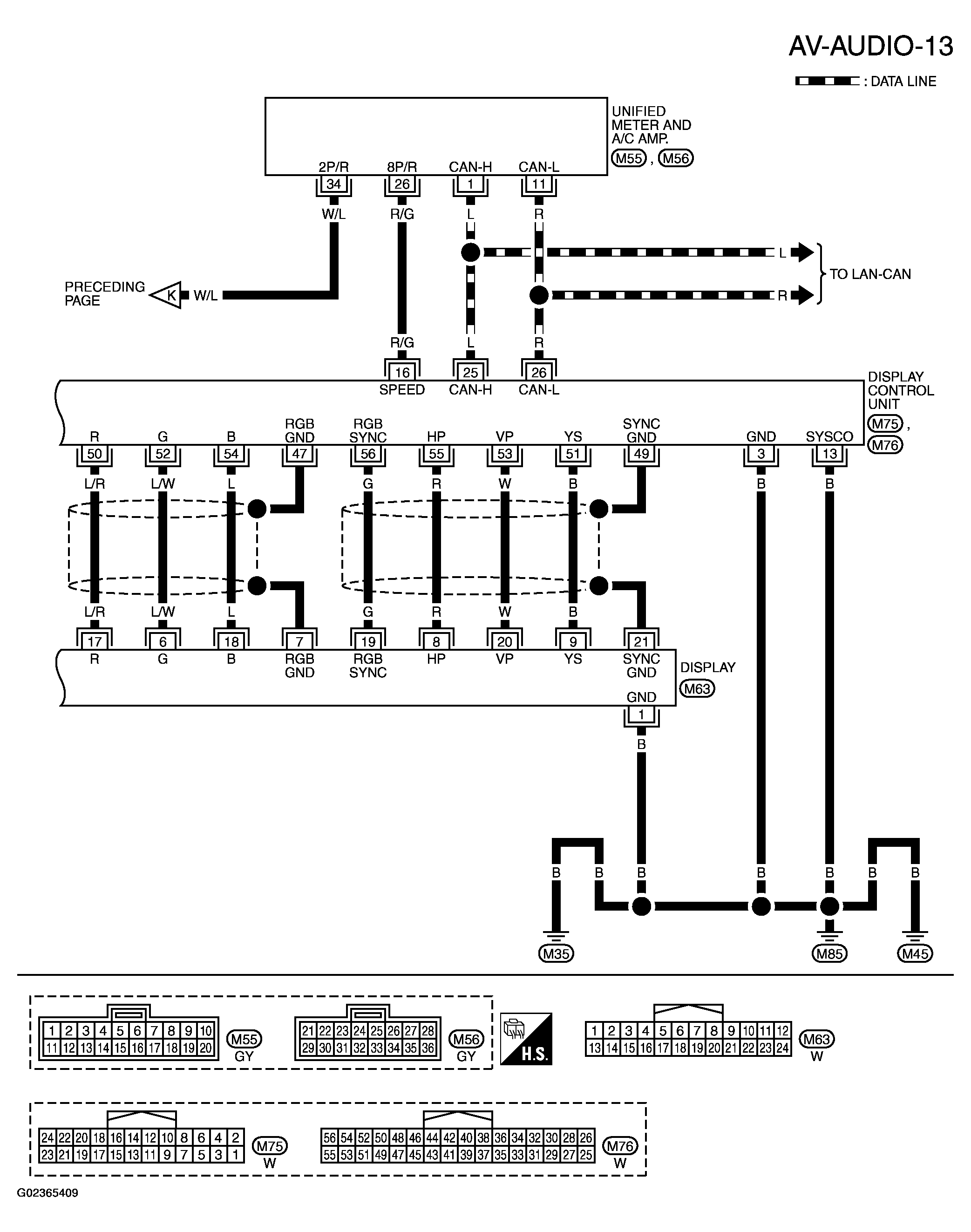
Fig 8: Wiring Diagram - AV-AUDIO-13
G02365409Courtesy of NISSAN MOTOR CO., U.S.A.