LEMON Manuals: Even more car manuals for everyone: 1960-2025
Home >> Nissan-Datsun >> 2004 >> Sentra SE-R Spec V >> Repair and Diagnosis >> External Pages >> Different car >> Section 1449 (Body, Lock & Security System) >> Remote Keyless Entry System >> Wiring Diagram - KEYLESS- /For Coupe >> Fig. 1
April 5, 2026: LEMON Manuals is launched! Read the announcement.

Fig. 1

WARNING: This page is about a different car, the 2005 Nissan 350Z. However, it is still accessible from the selected car via links, so may be relevant.
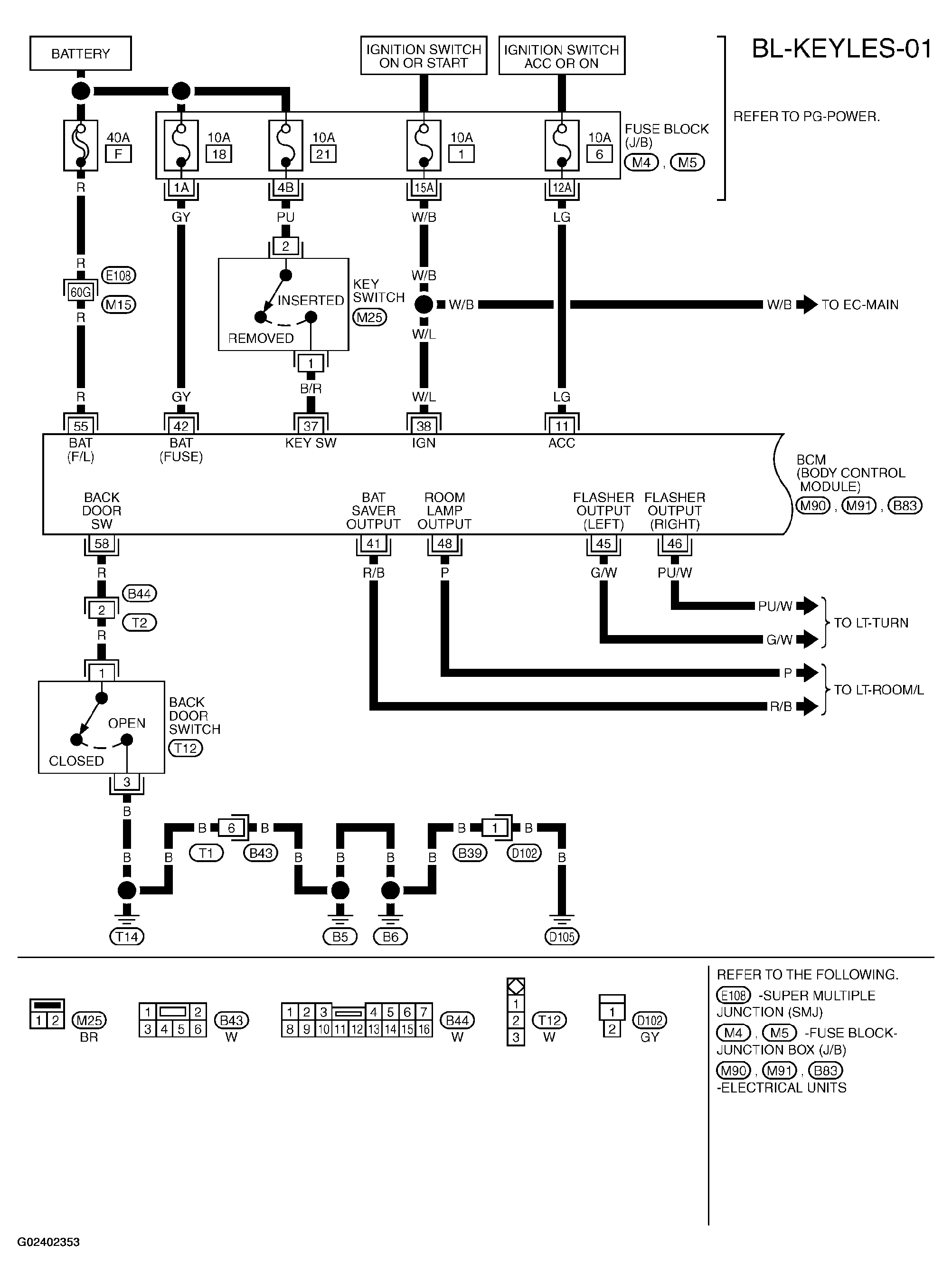
Fig 1: Wiring Diagram - KEYLESS- /For Coupe - BL-KEYLES-01
G02402353Courtesy of NISSAN MOTOR CO., U.S.A.