LEMON Manuals: Even more car manuals for everyone: 1960-2025
Home >> Nissan-Datsun >> 2004 >> Sentra SE-R Spec V >> Repair and Diagnosis >> External Pages >> Different car >> Section 1498 (Body, Lock & Security System) >> Power Door Lock System >> Schematic >> With Right Hand Automatic Sliding Door System And Automatic Back Door System
April 5, 2026: LEMON Manuals is launched! Read the announcement.

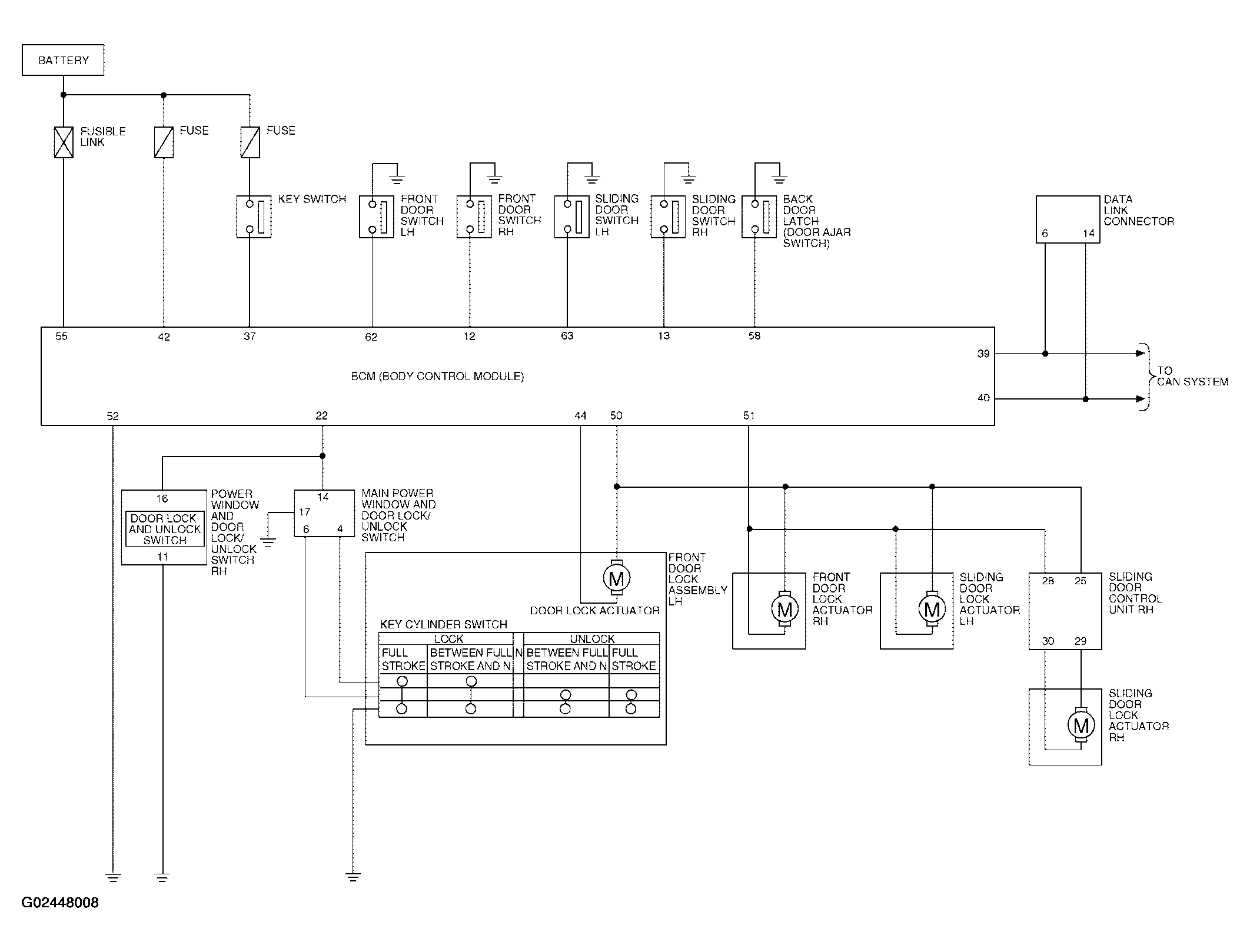
With Right Hand Automatic Sliding Door System And Automatic Back Door System

WARNING: This page is about a different car, the 2005 Nissan Quest. However, it is still accessible from the selected car via links, so may be relevant.
Fig 1: Schematic Diagram - With Right Hand Automatic Sliding Door System & Automatic Back Door System
G02448008Courtesy of NISSAN MOTOR CO., U.S.A.