LEMON Manuals: Even more car manuals for everyone: 1960-2025
Home >> Nissan-Datsun >> 2004 >> Sentra SE-R Spec V >> Repair and Diagnosis >> External Pages >> Different car >> Section 1498 (Body, Lock & Security System) >> Remote Keyless Entry System >> Wiring Diagram - KEYLES -
April 5, 2026: LEMON Manuals is launched! Read the announcement.

Wiring Diagram - KEYLES -

WARNING: This page is about a different car, the 2005 Nissan Quest. However, it is still accessible from the selected car via links, so may be relevant.
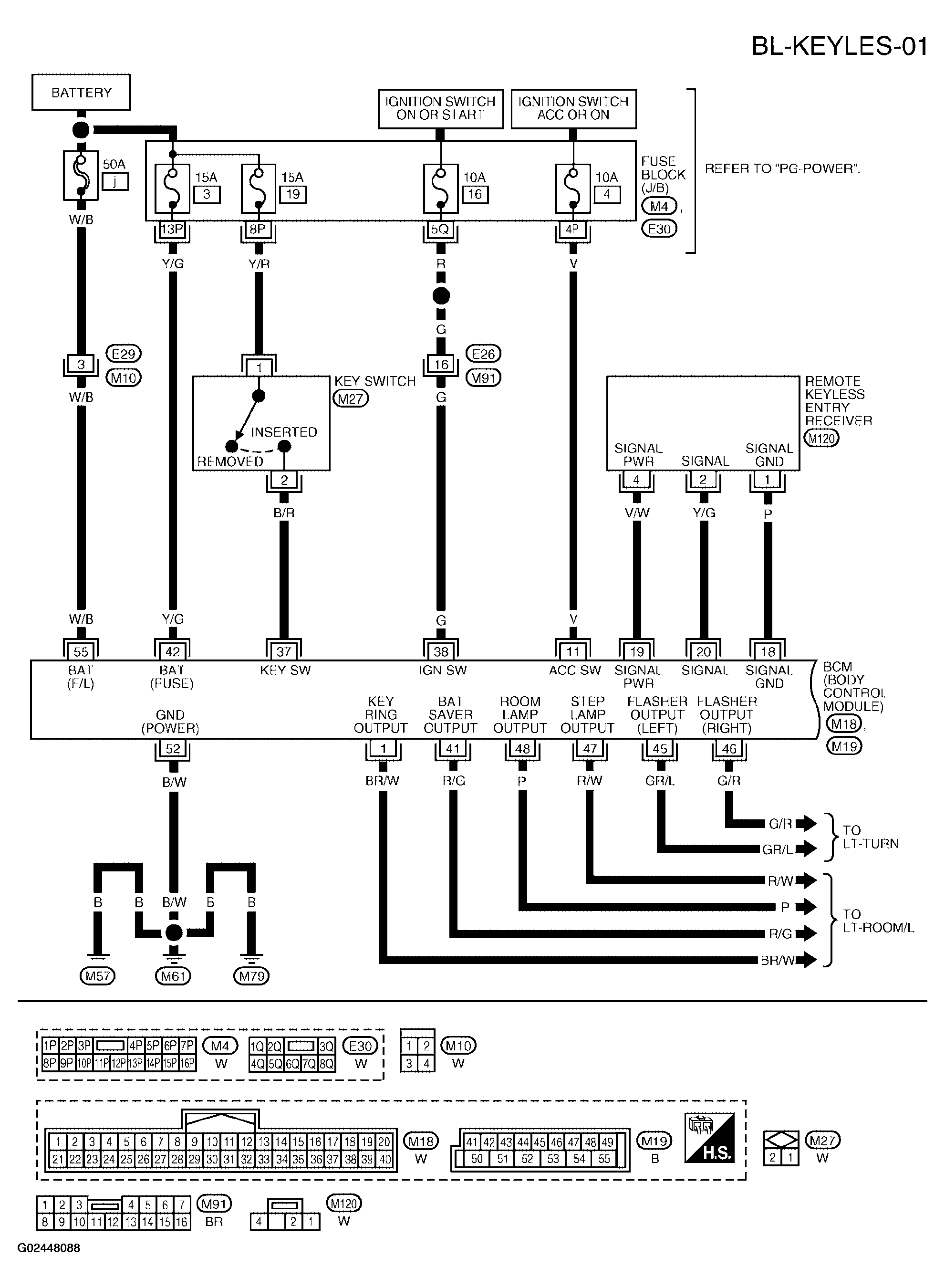
Fig 1: Wiring Diagram - Remote Keyless Entry System - BL-KEYLES-01
G02448088Courtesy of NISSAN MOTOR CO., U.S.A.
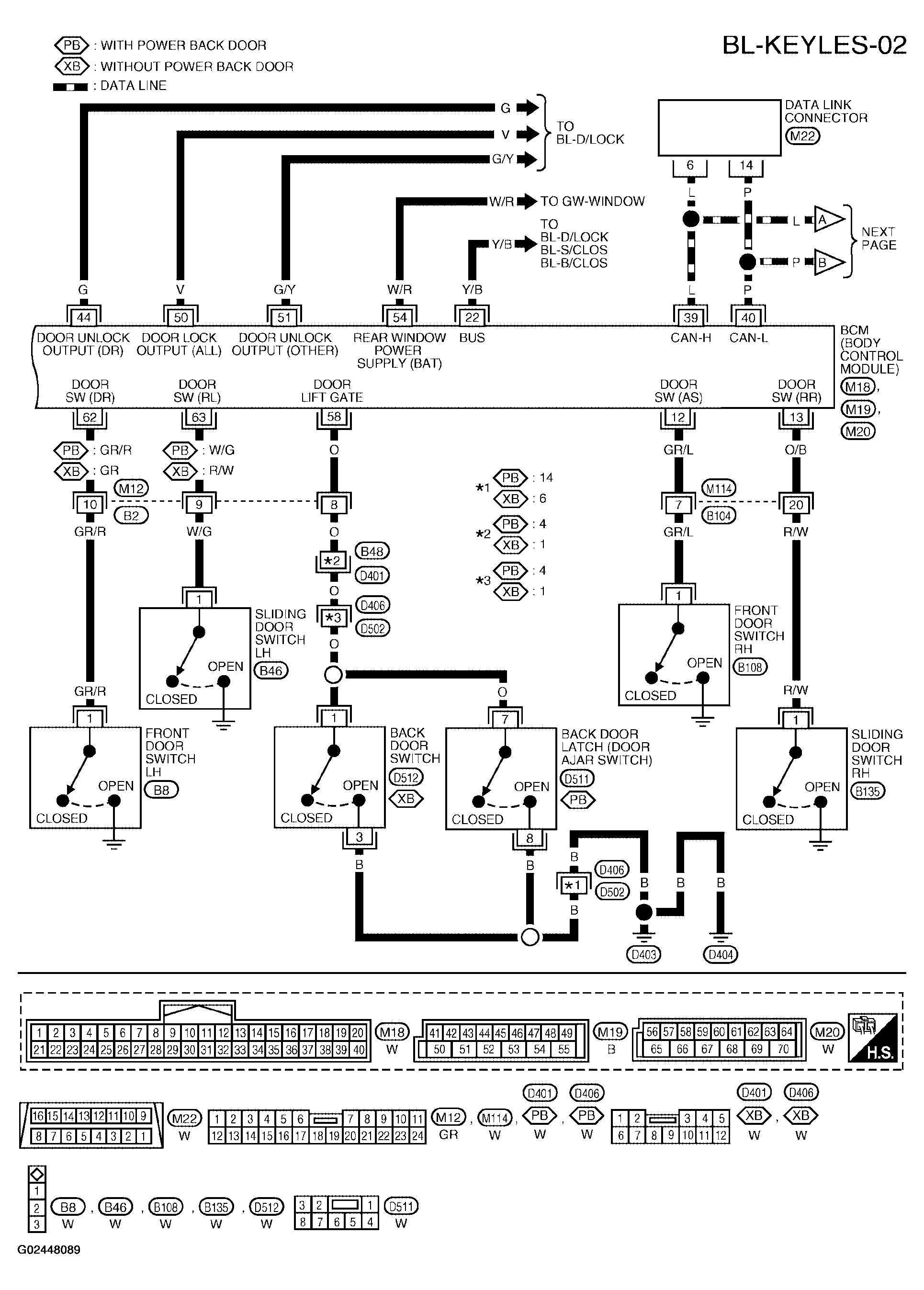
Fig 2: Wiring Diagram - Remote Keyless Entry System - BL-KEYLES-02
G02448089Courtesy of NISSAN MOTOR CO., U.S.A.
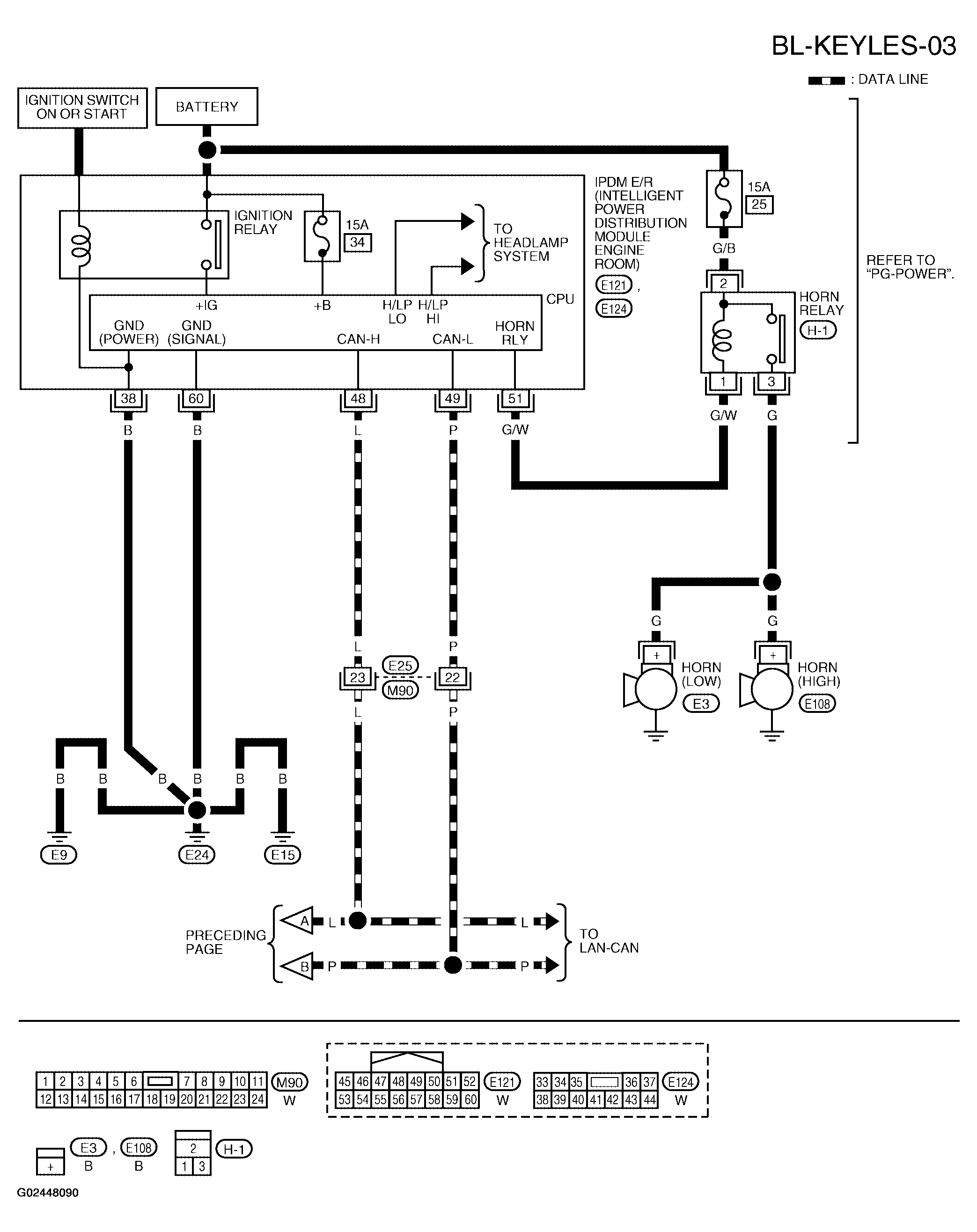
Fig 3: Wiring Diagram - Remote Keyless Entry System - BL-KEYLES-03
G02448090Courtesy of NISSAN MOTOR CO., U.S.A.