LEMON Manuals: Even more car manuals for everyone: 1960-2025
Home >> Nissan-Datsun >> 2004 >> Sentra SE-R Spec V >> Repair and Diagnosis >> External Pages >> Different car >> Section 1723 (Brake Control System (Coupe)) >> VDC/TCS/APS >> System Description >> Hydraulic Pressure Control System Diagram
April 5, 2026: LEMON Manuals is launched! Read the announcement.

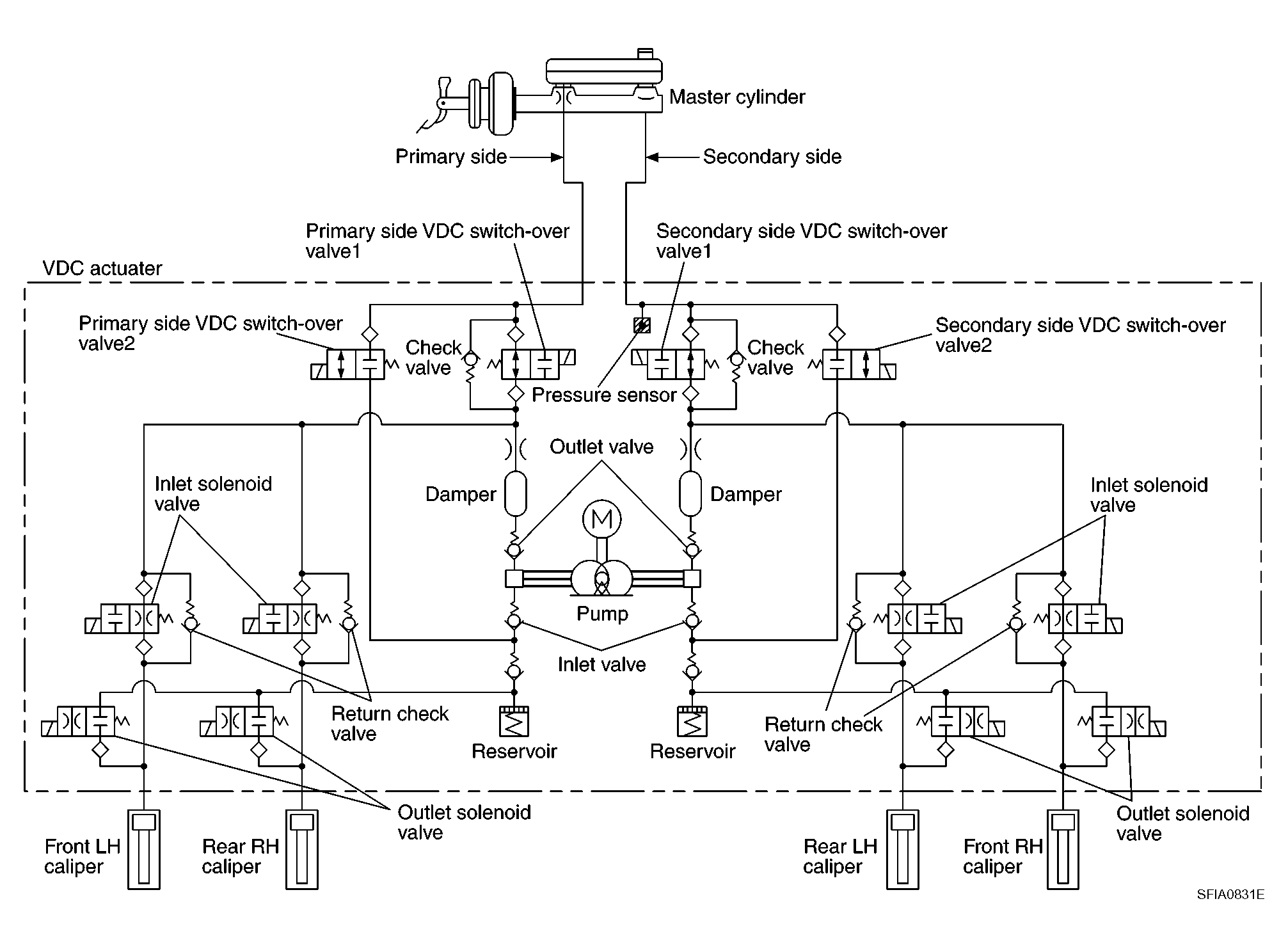
Hydraulic Pressure Control System Diagram

WARNING: This page is about a different car, the 2006 Infiniti G35. However, it is still accessible from the selected car via links, so may be relevant.
Fig 1: Hydraulic Pressure Control System Diagram
G04181514Courtesy of NISSAN MOTOR CO., U.S.A.