LEMON Manuals: Even more car manuals for everyone: 1960-2025
Home >> Nissan-Datsun >> 2004 >> Sentra SE-R Spec V >> Repair and Diagnosis >> External Pages >> Different car >> Section 1810 (Audio, Visual, Navigation & Telephone System) >> Audio >> Schematic >> Mid Level System (With Monochrome Display Unit)
April 5, 2026: LEMON Manuals is launched! Read the announcement.

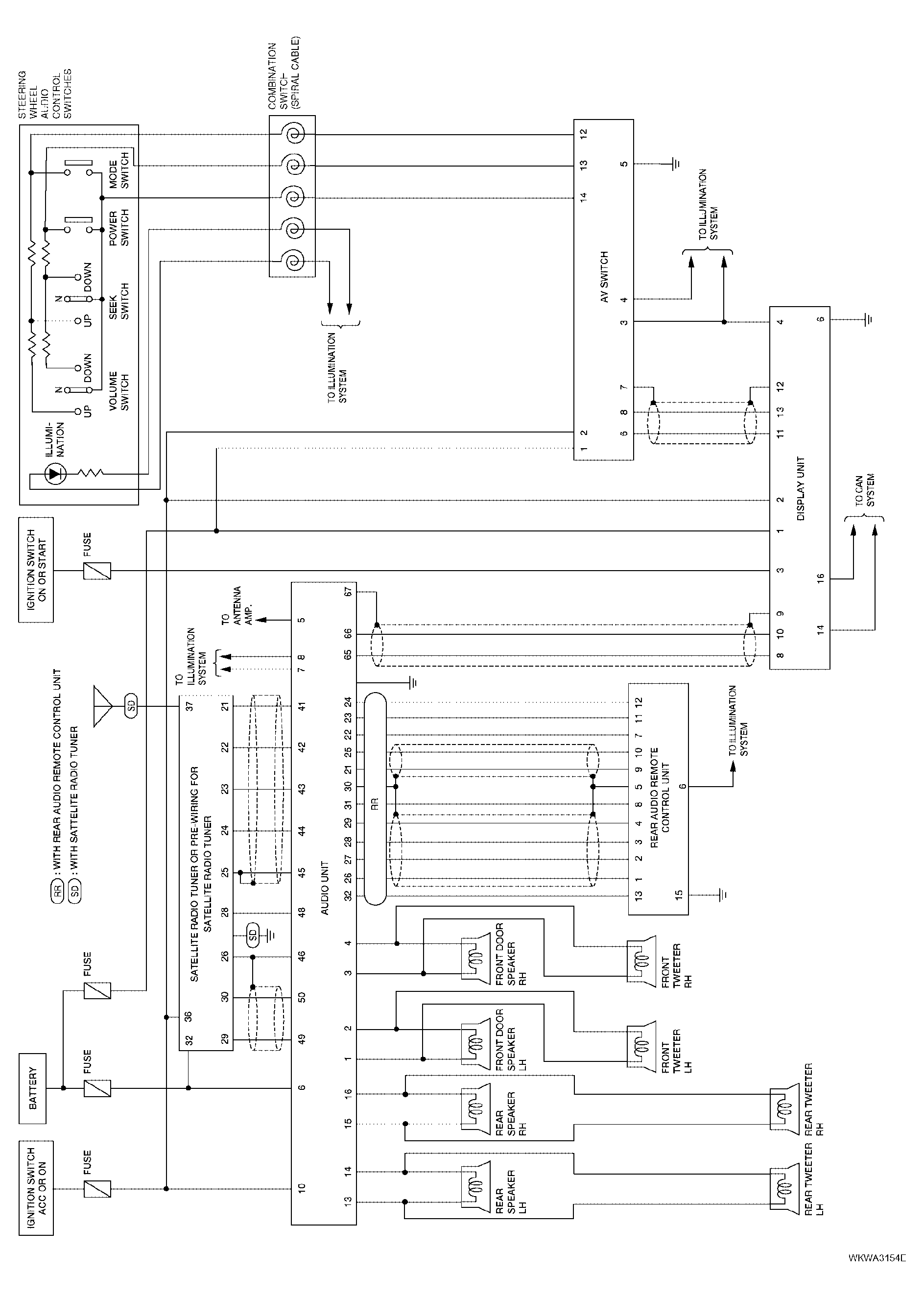
Mid Level System (With Monochrome Display Unit)

WARNING: This page is about a different car, the 2006 Nissan Quest. However, it is still accessible from the selected car via links, so may be relevant.
Fig 1: MID Level System (With Monochrome Display Unit) - Schematic Diagram
G04201427Courtesy of NISSAN MOTOR CO., U.S.A.