LEMON Manuals: Even more car manuals for everyone: 1960-2025
Home >> Nissan-Datsun >> 2004 >> Sentra SE-R Spec V >> Repair and Diagnosis >> External Pages >> Different car >> Section 1861 (Body, Lock & Security System) >> Remote Keyless Entry System >> Wiring Diagram - KEYLES -
April 5, 2026: LEMON Manuals is launched! Read the announcement.

Wiring Diagram - KEYLES -

WARNING: This page is about a different car, the 2006 Nissan Xterra. However, it is still accessible from the selected car via links, so may be relevant.

For PG Power or Section, go to SYSTEM WIRING DIAGRAMS .

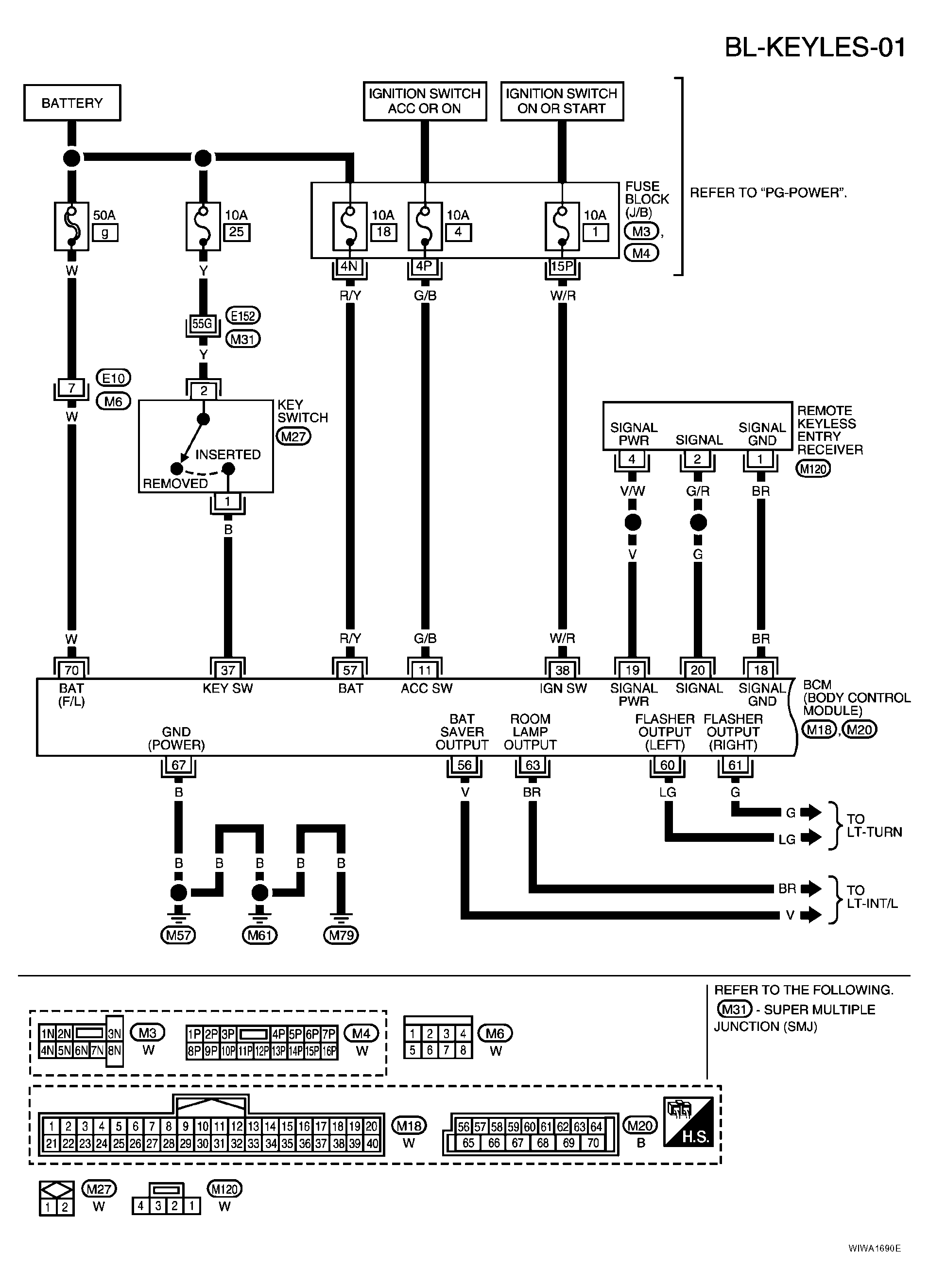
Fig 1: BL-KEYLES-01 - Wiring Diagram
G04205451Courtesy of NISSAN MOTOR CO., U.S.A.
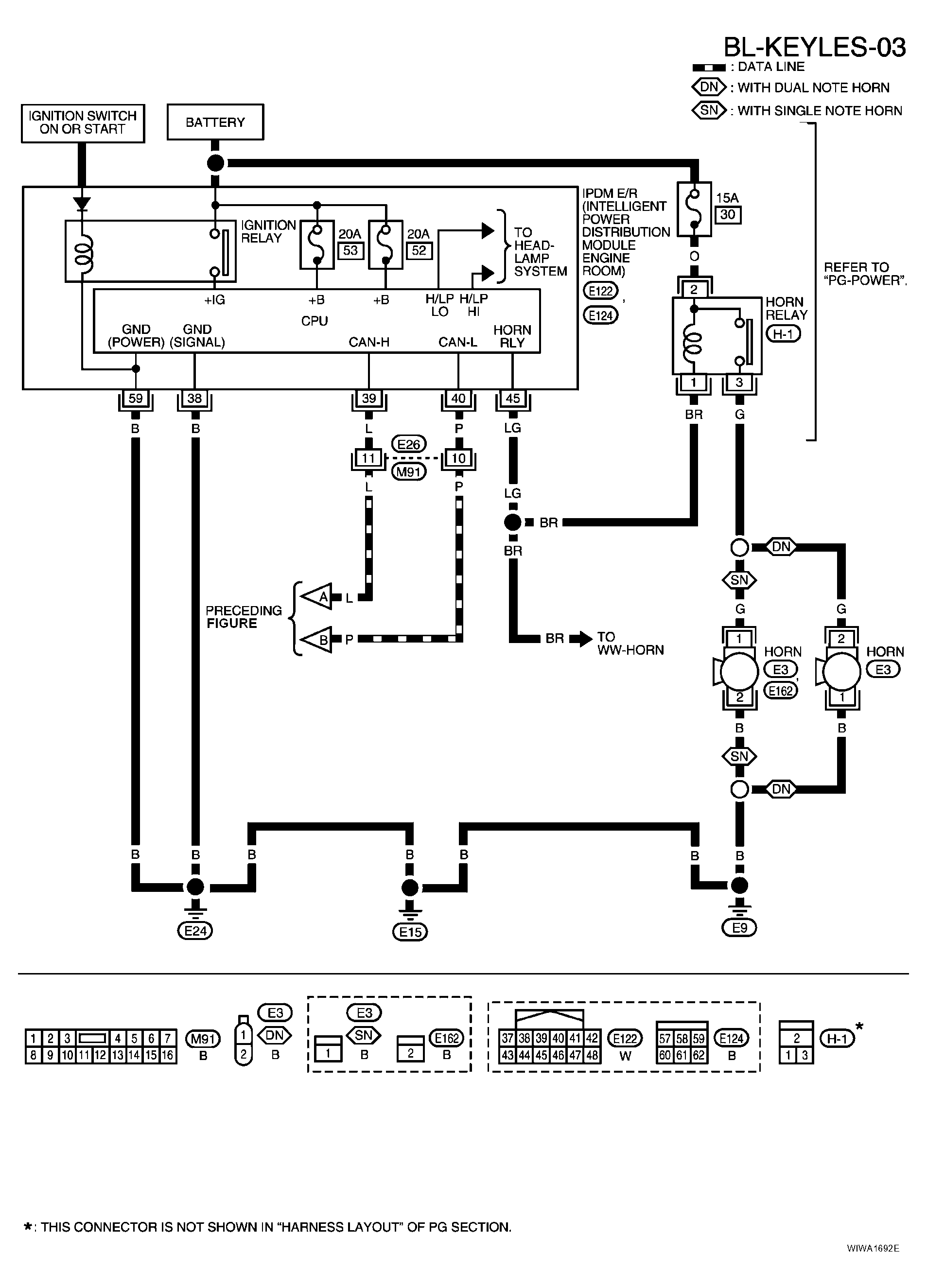
Fig 2: BL-KEYLES-02 - Wiring Diagram
G04205452Courtesy of NISSAN MOTOR CO., U.S.A.
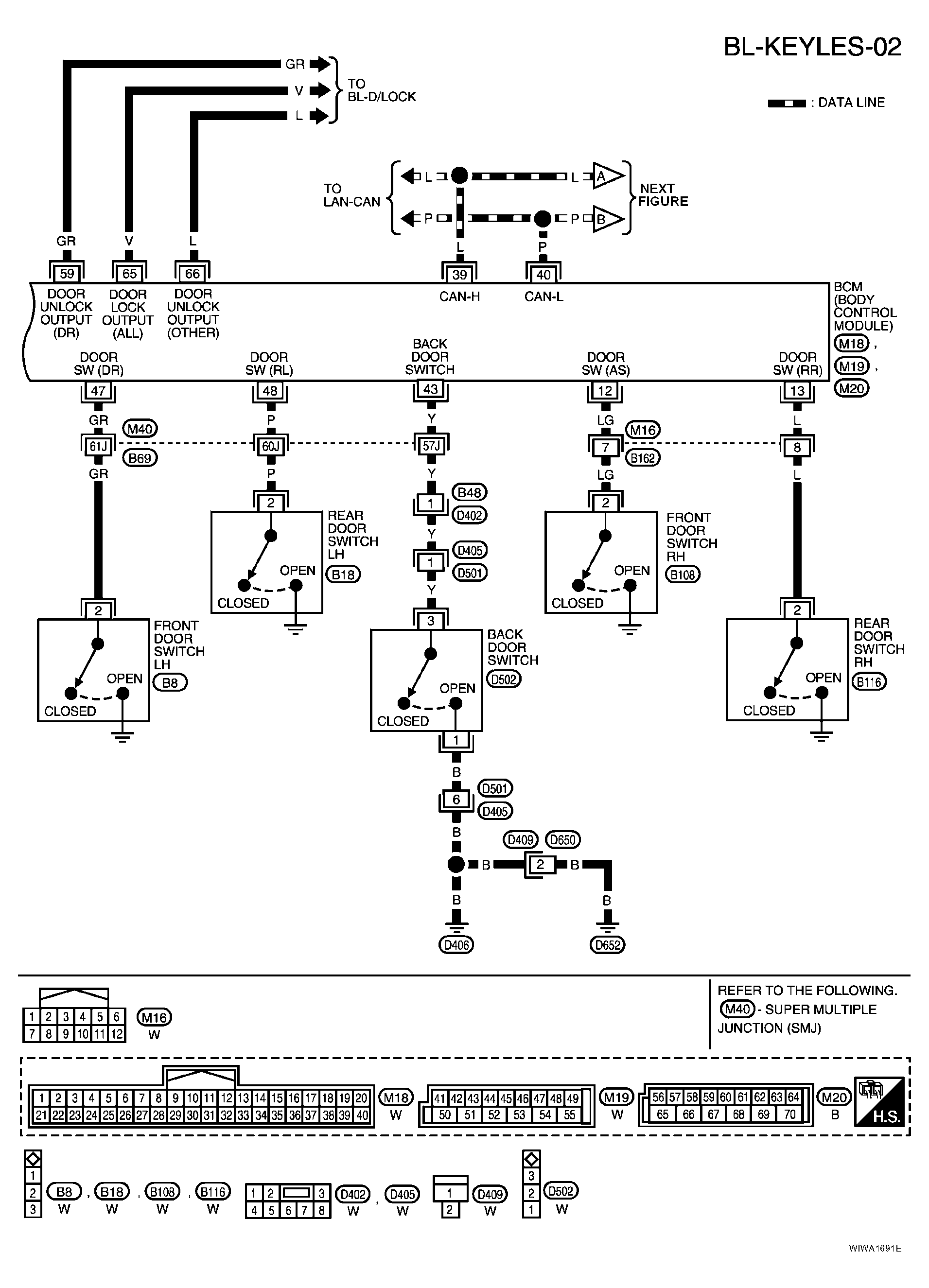
Fig 3: BL-KEYLES-03 - Wiring Diagram
G04205453Courtesy of NISSAN MOTOR CO., U.S.A.