LEMON Manuals: Even more car manuals for everyone: 1960-2025
Home >> Nissan-Datsun >> 2004 >> Sentra SE-R Spec V >> Repair and Diagnosis >> External Pages >> Different car >> Section 1879 (Body Control System) >> BCM (Body Control Module) >> Schematic
April 5, 2026: LEMON Manuals is launched! Read the announcement.

BCM (Body Control Module): Schematic

WARNING: This page is about a different car, the 2006 Nissan Xterra. However, it is still accessible from the selected car via links, so may be relevant.
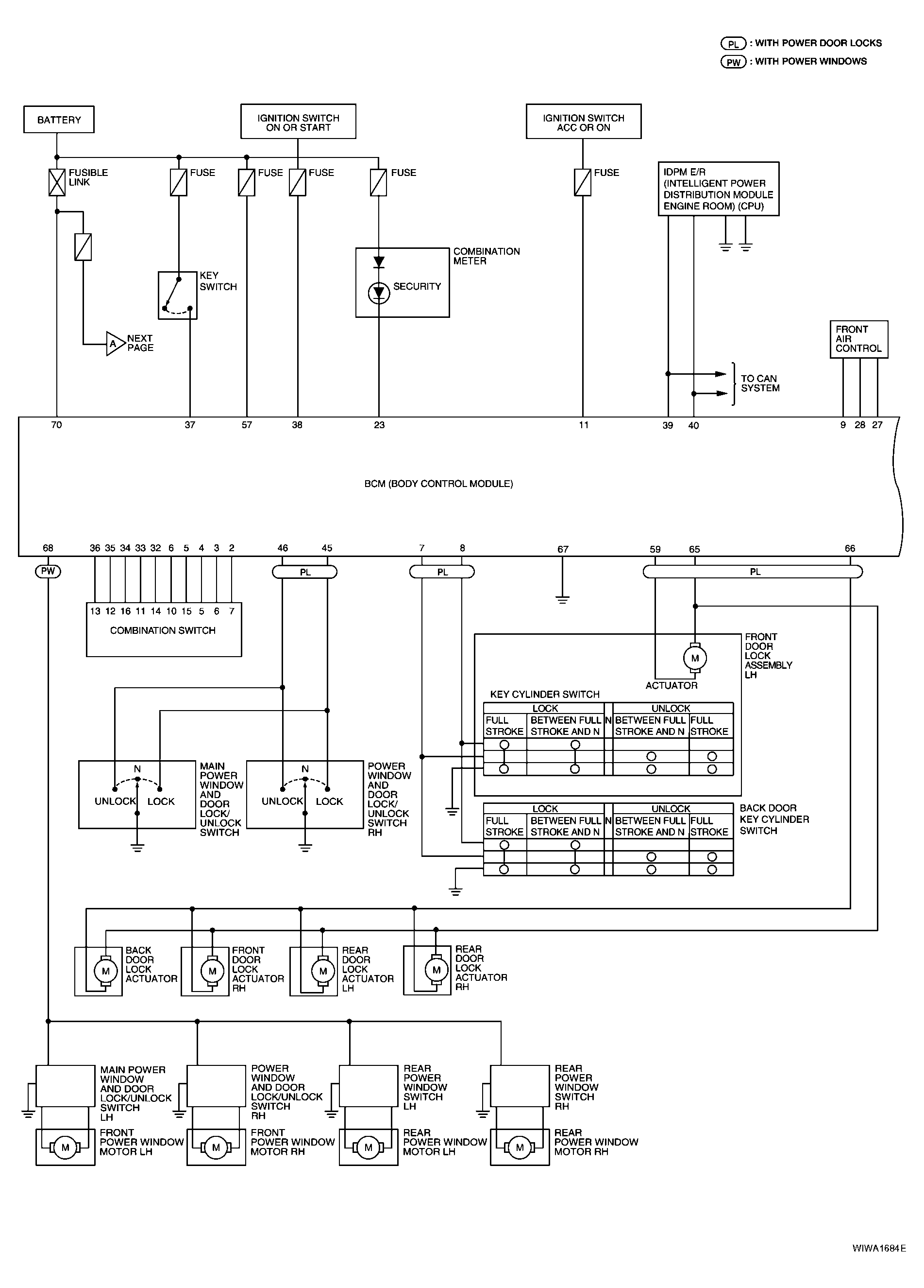
Fig 1: Body Control Module Schematic Diagram (1 Of 2)
G04206432Courtesy of NISSAN MOTOR CO., U.S.A.
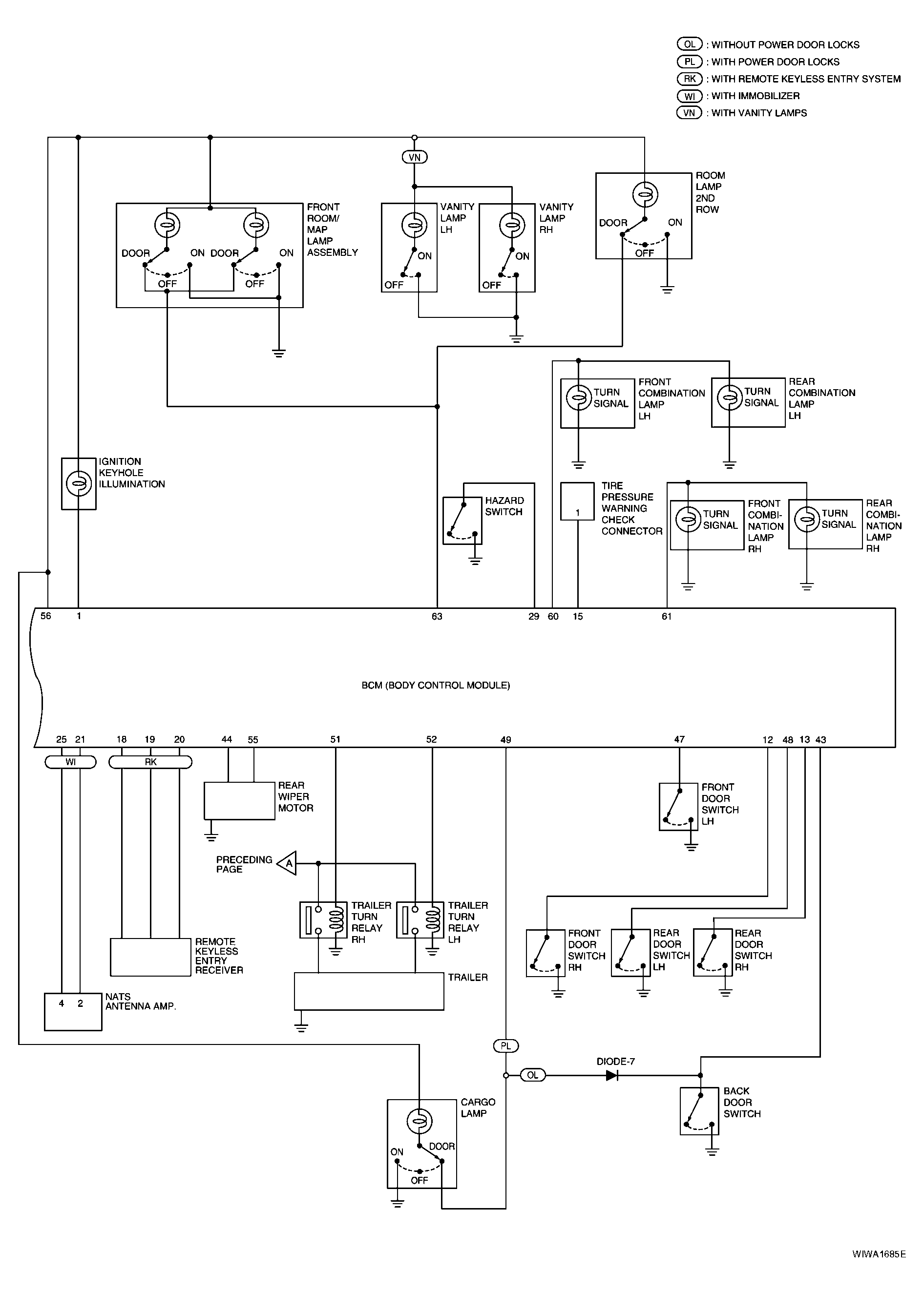
Fig 2: Body Control Module Schematic Diagram (2 Of 2)
G04206433Courtesy of NISSAN MOTOR CO., U.S.A.