LEMON Manuals: Even more car manuals for everyone: 1960-2025
Home >> Nissan-Datsun >> 2004 >> Sentra SE-R Spec V >> Repair and Diagnosis >> External Pages >> Different car >> Section 1934 (Supplemental Restraint System) >> Airbag System >> DTC B1815/54 Short in Front Passenger Side Squib 2nd Step Circuit; DTC B1816/54 Open in Front Passenger Side Squib 2nd Step Circuit; DTC B1817/54 Short to GND in Front Passenger Side Squib 2nd Step Circuit; DTC B1818/54 Short to B+ in Front Passenger Side Squib 2nd Step Circuit >> Wiring Diagram
April 5, 2026: LEMON Manuals is launched! Read the announcement.

DTC B1815/54 Short in Front Passenger Side Squib 2nd Step Circuit; DTC B1816/54 Open in Front Passenger Side Squib 2nd Step Circuit; DTC B1817/54 Short to GND in Front Passenger Side Squib 2nd Step Circuit; DTC B1818/54 Short to B+ in Front Passenger Side Squib 2nd Step Circuit: Wiring Diagram

WARNING: This page is about a different car, the 2006 Scion tC. However, it is still accessible from the selected car via links, so may be relevant.
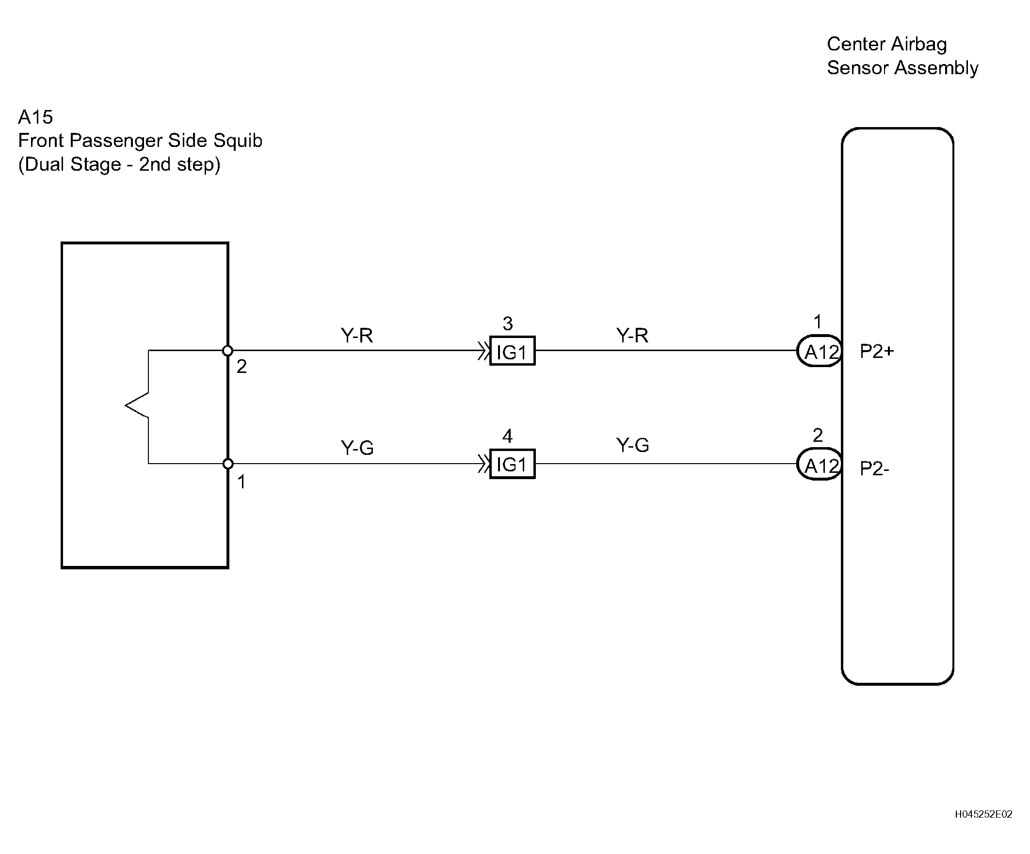
Fig 1: Short In Front Passenger Side Squib 2Nd Step - Wiring Diagram
G04223803Courtesy of © TOYOTA, LICENSE AGREEMENT TMS1002
  1. CHECK FOR DTC 
    1. Proceed to each step according to DTC readings.
      1. If using the intelligent tester (read the 5-digit of DTC):

        Using the intelligent tester, check for DTCs (see DTC CHECK / CLEAR  ).

        Result 

        RESULT REFERENCE

        Result Proceed to
        DTC B1815 is output. A
        DTC B1816 is output. B
        DTC B1817 is output. C
        DTC B1818 is output. D
      2. If not using the intelligent tester (read the 2-digit of DTC):

      Check for DTCs (see DTC CHECK / CLEAR  ).

      Result 

      RESULT REFERENCE

      Result Proceed to
      DTC 54 is output. E

    B: Go to step   4 

    C: Go to step   5 

    D: Go to step   6 

    E: Go to step   7 

    A: Go to next step 

  2. CHECK CONNECTOR 
    1. Check that the instrument panel wire connectors (on the front passenger airbag side) are not damaged.

      OK: The lock button is not disengaged, or the claw of the lock is not deformed or damaged. 

    NG: REPAIR OR REPLACE INSTRUMENT PANEL WIRE ASSEMBLY 

    OK: Go to next step 

  3. CHECK FRONT PASSENGER SIDE SQUIB (DUAL STAGE - 2ND STEP) CIRCUIT (SHORT) 
    1. Turn the ignition switch to the LOCK position.
      Fig 2: Identifying Front Passenger Side Squib (Dual Stage - 2nd Step)
      G04223804Courtesy of © TOYOTA, LICENSE AGREEMENT TMS1002
    2. Disconnect the negative (-) terminal cable from the battery, and wait for at least 90 seconds.
    3. Disconnect the connectors from the center airbag sensor.
    4. Disconnect the connectors from the front passenger airbag.
    5. Release the activation prevention mechanism built into connector "B" (see DIAGNOSIS SYSTEM  ).
    6. Measure the resistance according to the value(s) in the table below.

      Standard resistance 

      TESTER CONNECTION SPECIFIED CONDITION

      Tester Connection Specified Condition
      A15-2 (P2+) - A15-1 (P2-) 1 MΩ or higher

    OK: Go to step   10 

    NG: Go to step   13 

  4. CHECK FRONT PASSENGER SIDE SQUIB (DUAL STAGE - 2ND STEP) CIRCUIT (OPEN) 
    1. Turn the ignition switch to the LOCK position.
    2. Disconnect the negative (-) terminal cable from the battery, and wait for at least 90 seconds.
    3. Disconnect the connectors from the center airbag sensor.
    4. Disconnect the connectors from the front passenger airbag.
    5. Measure the resistance according to the value(s) in the table below.

      Standard resistance 

      TESTER CONNECTION SPECIFIED CONDITION

      Tester Connection Specified Condition
      A15-2 (P2+) - A15-1 (P2-) Below 1 Ω
      Fig 3: Checking Front Passenger Side Squib (Dual Stage - 2Nd Step) Circuit (Open)
      G04223805Courtesy of © TOYOTA, LICENSE AGREEMENT TMS1002

    OK: Go to step   11 

    NG: Go to step   15 

  5. CHECK FRONT PASSENGER SIDE SQUIB (DUAL STAGE - 2ND STEP) CIRCUIT (TO GROUND) 
    1. Turn the ignition switch to the LOCK position.
    2. Disconnect the negative (-) terminal cable from the battery, and wait for at least 90 seconds.
    3. Disconnect the connectors from the center airbag sensor.
    4. Disconnect the connectors from the front passenger airbag.
    5. Measure the resistance according to the value(s) in the table below.

    Standard resistance 

    TESTER CONNECTION SPECIFIED CONDITION

    Tester Connection Specified Condition
    A15-2 (P2+) - Body ground 1 MΩ or higher
    A15-1 (P2-) - Body ground 1 MΩ or higher

    OK: Go to step   11 

    NG: Go to step   17 

    Fig 4: Checking Front Passenger Side Squib (Dual Stage - 2Nd Step) Circuit (To Ground)
    G04223806Courtesy of © TOYOTA, LICENSE AGREEMENT TMS1002
  6. CHECK FRONT PASSENGER SIDE SQUIB (DUAL STAGE - 2ND STEP) CIRCUIT (TO B+) 
    1. Turn the ignition switch to the LOCK position.
    2. Disconnect the negative (-) terminal cable from the battery, and wait for at least 90 seconds.
    3. Disconnect the connectors from the center airbag sensor.
    4. Disconnect the connectors from the front passenger airbag.
    5. Connect the negative (-) terminal cable to the battery, and wait for at least 2 seconds.
    6. Turn the ignition switch to the ON position.
    7. Measure the voltage according to the value(s) in the table below.

      Standard voltage 

      TESTER CONNECTION SPECIFIED CONDITION

      Tester Connection Specified Condition
      A15-2 (P2+) - Body ground Below 1 V
      A15-1 (P2-) - Body ground Below 1 V
    8. Before proceeding to the next step, perform the following procedures.
    1. Turn the ignition switch to the LOCK position.
    2. Disconnect the negative (-) terminal cable from the battery, and wait for at least 90 seconds.
    Fig 5: Checking Front Passenger Side Squib (Dual Stage - 2Nd Step) Circuit (To B+)
    G04223807Courtesy of © TOYOTA, LICENSE AGREEMENT TMS1002

    OK: Go to step   11 

    NG: Go to step   19 

  7. CHECK CONNECTOR 
    1. Turn the ignition switch to the LOCK position.
    2. Disconnect the negative (-) terminal cable from the battery, and wait for at least 90 seconds.
    3. Check that the instrument panel wire connectors (on the front passenger airbag side) are not damaged.

      OK: The lock button is not disengaged, or the claw of the lock is not deformed or damaged. 

    NG: REPAIR OR REPLACE INSTRUMENT PANEL WIRE ASSEMBLY 

    OK: Go to next step 

  8. CHECK FRONT PASSENGER SIDE SQUIB (DUAL STAGE - 2ND STEP) CIRCUIT 
    1. Disconnect the connectors from the center airbag sensor.
    2. Disconnect the connectors from the front passenger airbag.
    3. Connect the negative (-) terminal cable to the battery, and wait for at least 2 seconds.
    4. Turn the ignition switch to the ON position.
    5. Measure the voltage according to the value(s) in the table below.

      Standard voltage 

      TESTER CONNECTION SPECIFIED CONDITION

      Tester Connection Specified Condition
      A15-2 (P2+) - Body ground Below 1 V
      A15-1 (P1-) - Body ground Below 1 V
    6. Turn the ignition switch to the LOCK position.
    7. Disconnect the negative (-) terminal cable from the battery, and wait for at least 90 seconds.
    8. Measure the resistance according to the value(s) in the table below.
      Fig 6: Checking Front Passenger Side Squib (Dual Stage - 2Nd Step) Circuit
      G04223808Courtesy of © TOYOTA, LICENSE AGREEMENT TMS1002

      Standard resistance 

      TESTER CONNECTION SPECIFIED CONDITION

      Tester Connection Specified Condition
      A15-2 (P2+) - A15-1 (P2-) Below 1 Ω
      A15-2 (P2+) - Body ground 1 MΩ or higher
      A15-1 (P2-) - Body ground 1 MΩ or higher
    9. Release the activation prevention mechanism built into connector "B" (see DIAGNOSIS SYSTEM  ).
    10. Measure the resistance according to the value(s) in the table below.

      Standard resistance 

      TESTER CONNECTION SPECIFIED CONDITION

      Tester Connection Specified Condition
      A15-2 (P2+) - A15-1 (P2-) 1 MΩ or higher

    NG: Go to step   21 

    OK: Go to next step 

  9. REPLACE FRONT PASSENGER AIRBAG ASSEMBLY (FRONT PASSENGER SIDE SQUIB, DUAL STAGE - 2ND STEP) 
    1. Replace the front passenger airbag and connect the connectors.

      HINT:

      Perform the inspection using parts from a normal vehicle if possible.

    2. Connect the connectors to the center airbag sensor.
    3. Connect the negative (-) terminal cable to the battery, and wait for at least 2 seconds.
    4. Turn the ignition switch to the ON position, and wait for at least 60 seconds.
    5. Clear the DTCs stored in memory (see DTC CHECK / CLEAR  ).
    6. Turn the ignition switch to the LOCK position.
    7. Turn the ignition switch to the ON position, and wait for at least 60 seconds.
    8. Check for DTCs (see DTC CHECK / CLEAR  ).

    OK: DTC 54 is not output. 

    HINT:

    Codes other than code 54 may be output at this time, but they are not related to this check.

    NG: REPLACE CENTER AIRBAG SENSOR ASSEMBLY 

    Fig 7: Removing Front Passenger Airbag Assembly (Front Passenger Side Squib, Dual Stage - 2Nd Step)
    G04223809Courtesy of © TOYOTA, LICENSE AGREEMENT TMS1002

    OK: END 

  10. CHECK CENTER AIRBAG SENSOR ASSEMBLY 
    1. Restore the released activation prevention mechanism of connector "B" to the original condition.
    2. Connect the connectors to the center airbag sensor.
    3. Connect the negative (-) terminal cable to the battery, and wait for at least 2 seconds.
    4. Turn the ignition switch to the ON position, and wait for at least 60 seconds.
    5. Clear the DTCs stored in memory (see DTC CHECK / CLEAR  ).
    6. Turn the ignition switch to the LOCK position.
    7. Turn the ignition switch to the ON position, and wait for at least 60 seconds.
    8. Check for DTCs (see DTC CHECK / CLEAR  ).

      OK: DTC B1815 is not output. 

      HINT:

      Codes other than code B1815 may be output at this time, but they are not related to this check.

      Fig 8: Checking Center Airbag Sensor Assembly
      G04223810Courtesy of © TOYOTA, LICENSE AGREEMENT TMS1002

    OK: Go to step   12 

    NG: REPLACE CENTER AIRBAG SENSOR ASSEMBLY 

  11. CHECK CENTER AIRBAG SENSOR ASSEMBLY 
    1. Connect the connectors to the center airbag sensor.
    2. Using a service wire, connect A15-2 (P2+) and A15-1 (P2-) of connector "C".
      NOTE:
      • Twist the end of the service wire in order to insert it into the connector.
      • Do not forcibly insert the twisted service wire into the terminals of the connector when connecting.
    3. Connect the negative (-) terminal cable to the battery, and wait for at least 2 seconds.
    4. Turn the ignition switch on the ON position, and wait for at least 60 seconds.
    5. Clear the DTCs stored in memory (see DTC CHECK / CLEAR  ).
    6. Turn the ignition switch to the LOCK position.
    7. Turn the ignition switch to the ON position, and wait for at least 60 seconds.
    8. Check for DTCs (see DTC CHECK / CLEAR  ).
      Fig 9: Checking Center Airbag Sensor Assembly
      G04223811Courtesy of © TOYOTA, LICENSE AGREEMENT TMS1002

      OK: DTC B1816, B1817 or B1818 is not output. 

      HINT:

      Codes other than code B1816, B1817 or B1818 may be output at this time, but they are not related to this check.

    9. Before proceeding to the next step, perform the following procedures.
      1. Disconnect the service wire from connector "E".

    NG: REPLACE CENTER AIRBAG SENSOR ASSEMBLY 

    OK: Go to next step 

  12. CHECK FRONT PASSENGER AIRBAG ASSEMBLY (FRONT PASSENGER SIDE SQUIB, DUAL STAGE - 2ND STEP) 
    1. Turn the ignition switch to the LOCK position.
    2. Disconnect the negative (-) terminal cable from the battery, and wait for at least 90 seconds.
    3. Connect the connector to the front passenger airbag.
    4. Connect the negative (-) terminal cable to the battery, and wait for at least 2 seconds.
    5. Turn the ignition switch to the ON position, and wait for at least 60 seconds.
    6. Clear the DTCs stored in memory (see DTC CHECK / CLEAR  ).
    7. Turn the ignition switch to the LOCK position.
    8. Turn the ignition switch to the ON position, and wait for at least 60 seconds.
    9. Check for DTCs (see DTC CHECK / CLEAR  ).

      OK: DTC B1815, B1816, B1817 or B1818 is not output. 

      HINT:

      Codes other than code B1815, B1816, B1817 or B1818 may be output at this time, but they are not related to this check.

      Fig 10: Checking Front Passenger Airbag Assembly (Front Passenger Side Squib, Dual Stage - 2Nd Step)
      G04223812Courtesy of © TOYOTA, LICENSE AGREEMENT TMS1002

    NG: REPLACE FRONT PASSENGER AIRBAG ASSEMBLY 

    OK: PERFORM SYMPTOM SIMULATION 

  13. CHECK INSTRUMENT PANEL WIRE (SHORT) 
    1. Disconnect the instrument panel wire connector from the instrument panel wire assembly.

      HINT:

      The activation prevention mechanism of connector "B" has already been released.

    2. Measure the resistance according to the value(s) in the table below.

    Standard resistance 

    TESTER CONNECTION SPECIFIED CONDITION

    Tester Connection Specified Condition
    IG1-3 (P2+) - IG1-4 (P2-) 1 MΩ or higher

    NG: REPAIR OR REPLACE INSTRUMENT PANEL WIRE 

    Fig 11: Checking Instrument Panel Wire (Short)
    G04223813Courtesy of © TOYOTA, LICENSE AGREEMENT TMS1002

    OK: Go to next step 

  14. CHECK INSTRUMENT PANEL WIRE ASSEMBLY (SHORT) 
    1. Release the activation prevention mechanism built into connector "D" (see DIAGNOSIS SYSTEM  ).
    2. Measure the resistance according to the value(s) in the table below.

    Standard resistance 

    TESTER CONNECTION SPECIFIED CONDITION

    Tester Connection Specified Condition
    A15-2 (P2+) - A15-1 (P2-) 1 MΩ or higher

    NG: REPAIR OR REPLACE INSTRUMENT PANEL WIRE ASSEMBLY 

    Fig 12: Checking Instrument Panel Wire Assembly (Short)
    G04223814Courtesy of © TOYOTA, LICENSE AGREEMENT TMS1002

    OK: PERFORM SYMPTOM SIMULATION 

  15. CHECK INSTRUMENT PANEL WIRE (OPEN) 
    1. Disconnect the instrument panel wire connector from the instrument panel wire assembly.
    2. Measure the resistance according to the value(s) in the table below.

    Standard resistance 

    TESTER CONNECTION SPECIFIED CONDITION

    Tester Connection Specified Condition
    IG1-3 (P2+) - IG1-4 (P2-) Below 1 Ω

    NG: REPAIR OR REPLACE INSTRUMENT PANEL WIRE 

    Fig 13: Checking Instrument Panel Wire (Open)
    G04223815Courtesy of © TOYOTA, LICENSE AGREEMENT TMS1002

    OK: Go to next step 

  16. CHECK INSTRUMENT PANEL WIRE ASSEMBLY (OPEN) 
    1. Measure the resistance according to the value(s) in the table below.

    Standard resistance 

    TESTER CONNECTION SPECIFIED CONDITION

    Tester Connection Specified Condition
    A15-2 (P2+) - A15-1 (P2-) Below 1 Ω

    NG: REPAIR OR REPLACE INSTRUMENT PANEL WIRE ASSEMBLY 

    Fig 14: Checking Instrument Panel Wire Assembly (Open)
    G04223816Courtesy of © TOYOTA, LICENSE AGREEMENT TMS1002

    OK: PERFORM SYMPTOM SIMULATION 

  17. CHECK INSTRUMENT PANEL WIRE (TO GROUND) 
    1. Disconnect the instrument panel wire connector from the instrument panel wire assembly.
    2. Measure the resistance according to the value(s) in the table below.

    Standard resistance 

    TESTER CONNECTION SPECIFIED CONDITION

    Tester Connection Specified Condition
    IG1-3 (P2+) - Body ground 1 MΩ or higher
    IG1-4 (P2-) - Body ground 1 MΩ or higher

    NG: REPAIR OR REPLACE INSTRUMENT PANEL WIRE 

    Fig 15: Checking Instrument Panel Wire (To Ground)
    G04223817Courtesy of © TOYOTA, LICENSE AGREEMENT TMS1002

    OK: Go to next step 

  18. CHECK INSTRUMENT PANEL WIRE ASSEMBLY (TO GROUND) 
    1. Measure the resistance according to the value(s) in the table below.

    Standard resistance 

    TESTER CONNECTION SPECIFIED CONDITION

    Tester Connection Specified Condition
    A15-2 (P2+) - Body ground 1 MΩ or higher
    A15-1 (P2-) - Body ground 1 MΩ or higher

    NG: REPAIR OR REPLACE INSTRUMENT PANEL WIRE ASSEMBLY 

    Fig 16: Checking Instrument Panel Wire Assembly (To Ground)
    G04223818Courtesy of © TOYOTA, LICENSE AGREEMENT TMS1002

    OK: PERFORM SYMPTOM SIMULATION 

  19. CHECK INSTRUMENT PANEL WIRE (TO B+) 
    1. Turn the ignition switch to the LOCK position.
    2. Disconnect the negative (-) terminal cable from the battery, and wait for at least 90 seconds.
    3. Disconnect the instrument panel wire connector from the instrument panel wire assembly.
    4. Connect the negative (-) terminal cable to the battery, and wait for at least 2 seconds.
    5. Turn the ignition switch to the ON position.
    6. Measure the voltage according to the value(s) in the table below.

    Standard voltage 

    TESTER CONNECTION SPECIFIED CONDITION

    Tester Connection Specified Condition
    IG1-3 (P2+) - Body ground Below 1 V
    IG1-4 (P2-) - Body ground Below 1 V

    NG: REPAIR OR REPLACE INSTRUMENT PANEL WIRE 

    Fig 17: Checking Instrument Panel Wire (To B+)
    G04223819Courtesy of © TOYOTA, LICENSE AGREEMENT TMS1002

    OK: Go to next step 

  20. CHECK INSTRUMENT PANEL WIRE ASSEMBLY (TO B+) 
    1. Measure the voltage according to the value(s) in the table below when the ignition switch is in the ON position.

    Standard voltage 

    TESTER CONNECTION SPECIFIED CONDITION

    Tester Connection Specified Condition
    A15-2 (P2+) - Body ground Below 1 V
    A15-1 (P2-) - Body ground Below 1 V

    NG: REPAIR OR REPLACE INSTRUMENT PANEL WIRE ASSEMBLY 

    Fig 18: Checking Instrument Panel Wire Assembly (To B+)
    G04223820Courtesy of © TOYOTA, LICENSE AGREEMENT TMS1002

    OK: PERFORM SYMPTOM SIMULATION 

  21. CHECK INSTRUMENT PANEL WIRE 
    1. Restore the released activation prevention mechanism of connector "B" to the original condition.
    2. Disconnect the instrument panel wire connector from the instrument panel wire assembly.
    3. Connect the negative (-) terminal cable to the battery, and wait for at least 2 seconds.
    4. Turn the ignition switch to the ON position.
    5. Measure the voltage according to the value(s) in the table below.

      Standard voltage 

      TESTER CONNECTION SPECIFIED CONDITION

      Tester Connection Specified Condition
      IG1-3 (P2+) - Body ground Below 1 V
      IG1-4 (P2-) - Body ground Below 1 V
    6. Turn the ignition switch to the LOCK position.
    7. Disconnect the negative (-) terminal cable from the battery, and wait for at least 90 seconds.
    8. Measure the resistance according to the value(s) in the table below.
      Fig 19: Checking Instrument Panel Wire
      G04223821Courtesy of © TOYOTA, LICENSE AGREEMENT TMS1002

      Standard resistance 

      TESTER CONNECTION SPECIFIED CONDITION

      Tester Connection Specified Condition
      IG1-3 (P2+) - IG1-4 (P2-) Below 1 Ω
      IG1-3 (P2+) - Body ground 1 MΩ or higher
      IG1-4 (P2-) - Body ground 1 MΩ or higher
    9. Release the activation prevention mechanism built into connector "B" (see DIAGNOSIS SYSTEM  ).
    10. Measure the resistance according to the value(s) in the table below.

    Standard resistance 

    TESTER CONNECTION SPECIFIED CONDITION

    Tester Connection Specified Condition
    IG1-3 (P2+) - IG1-4 (P2-) 1 MΩ or higher

    NG: REPAIR OR REPLACE INSTRUMENT PANEL WIRE 

    OK: Go to next step 

  22. CHECK INSTRUMENT PANEL WIRE ASSEMBLY 
    1. Connect the negative (-) terminal cable to the battery, and wait for at least 2 seconds.
    2. Turn the ignition switch to the ON position.
    3. Measure the voltage according to the value(s) in the table below.

      Standard voltage 

      TESTER CONNECTION SPECIFIED CONDITION

      Tester Connection Specified Condition
      A15-2 (P2+) - Body ground Below 1 V
      A15-1 (P2-) - Body ground Below 1 V
    4. Turn the ignition switch to the LOCK position.
    5. Disconnect the negative (-) terminal cable from the battery, and wait for at least 90 seconds.
    6. Measure the resistance according to the value(s) in the table below.

      Standard resistance 

      TESTER CONNECTION SPECIFIED CONDITION

      Tester Connection Specified Condition
      A15-2 (P2+) - A15-1 (P2-) Below 1 Ω
      A15-2 (P2+) - Body ground 1 MΩ or higher
      A15-1 (P2-) - Body ground 1 MΩ or higher
      Fig 20: Checking Instrument Panel Wire Assembly
      G04223822Courtesy of © TOYOTA, LICENSE AGREEMENT TMS1002
    7. Release the activation prevention mechanism built into connector "D" (see DIAGNOSIS SYSTEM  ).
    8. Measure the resistance according to the value(s) in the table below.

    Standard resistance 

    TESTER CONNECTION SPECIFIED CONDITION

    Tester Connection Specified Condition
    A15-2 (P2+) - A15-1 (P2-) 1 MΩ or higher

    NG: REPAIR OR REPLACE INSTRUMENT PANEL WIRE ASSEMBLY 

    OK: PERFORM SYMPTOM SIMULATION