LEMON Manuals: Even more car manuals for everyone: 1960-2025
Home >> Nissan-Datsun >> 2004 >> Sentra SE-R Spec V >> Repair and Diagnosis >> External Pages >> Different car >> Section 1950 (Engine Control System - VK45DE) >> DTC P1122: Electric Throttle Control Function >> Wiring Diagram
April 5, 2026: LEMON Manuals is launched! Read the announcement.

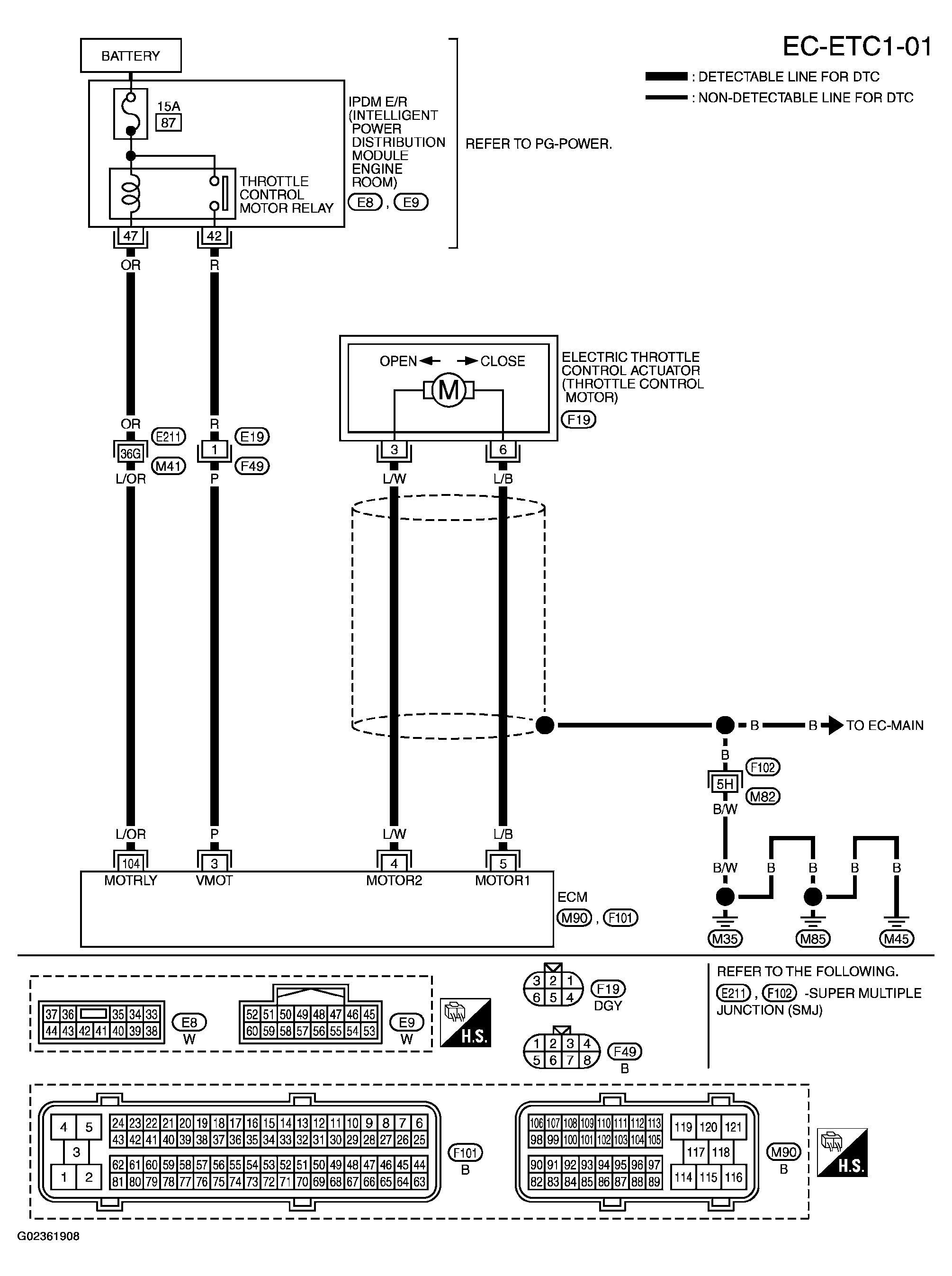
DTC P1122: Electric Throttle Control Function: Wiring Diagram

WARNING: This page is about a different car, the 2005 Infiniti FX45. However, it is still accessible from the selected car via links, so may be relevant.
Fig 1: Wiring Diagram - EC-ETC1-01
G02361908Courtesy of NISSAN MOTOR CO., U.S.A.

Specification data are reference values and are measured between each terminal and ground. Pulse signal is measured by CONSULT-II.

CAUTION: Do not use ECM ground terminals when measuring input/output voltage. Doing so may result in damage to the ECM's transistor. Use a ground other than ECM terminals, such as the ground.
Fig 2: Terminal Description Chart
G02361909Courtesy of NISSAN MOTOR CO., U.S.A.