LEMON Manuals: Even more car manuals for everyone: 1960-2025
Home >> Nissan-Datsun >> 2004 >> Sentra SE-R Spec V >> Repair and Diagnosis >> External Pages >> Different car >> Section 2043 (Body, Lock & Security System) >> Power Door Lock System >> Schematic >> With RH Automatic Sliding Door System And Automatic Back Door System
April 5, 2026: LEMON Manuals is launched! Read the announcement.

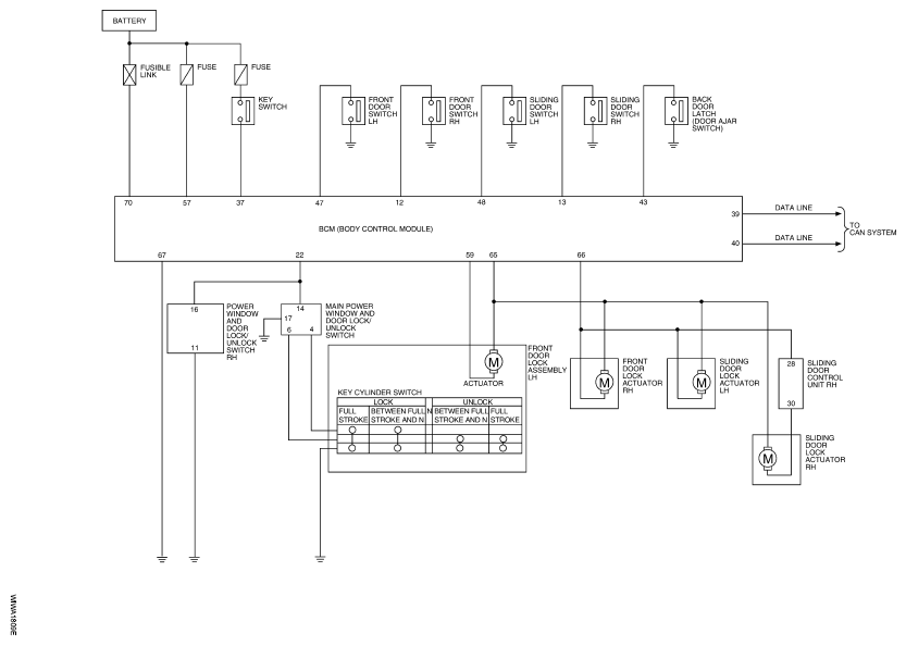
With RH Automatic Sliding Door System And Automatic Back Door System

WARNING: This page is about a different car, the 2007 Nissan Quest. However, it is still accessible from the selected car via links, so may be relevant.
Fig 1: Power Door Lock Schematic Diagram With RH Automatic Sliding Door System And Back Door System
G04906998Courtesy of NISSAN MOTOR CO., U.S.A.