LEMON Manuals: Even more car manuals for everyone: 1960-2025
Home >> Nissan-Datsun >> 2004 >> Sentra SE-R Spec V >> Repair and Diagnosis >> External Pages >> Different car >> Section 211 (Engine Controls - Self-Diagnostics) >> Diagnostic Tests >> DTC P0182: Fuel Tank Temperature Sensor Circuit Low Input Or DTC P0183: Fuel Tank Temperature Sensor Circuit High Input
April 5, 2026: LEMON Manuals is launched! Read the announcement.

DTC P0182: Fuel Tank Temperature Sensor Circuit Low Input Or DTC P0183: Fuel Tank Temperature Sensor Circuit High Input

WARNING: This page is about a different car, the 2003 Nissan Murano. However, it is still accessible from the selected car via links, so may be relevant.
NOTE: Before performing diagnostic procedure, follow testing procedure. See TESTING PROCEDURE  under SELF-DIAGNOSTIC SYSTEM.

For diagnostic procedures, see Fig 1-Fig 4 .

Fig 1: DTCs P0182 & P0183 (1 Of 4)
G00259832Courtesy of NISSAN MOTOR CO., U.S.A.
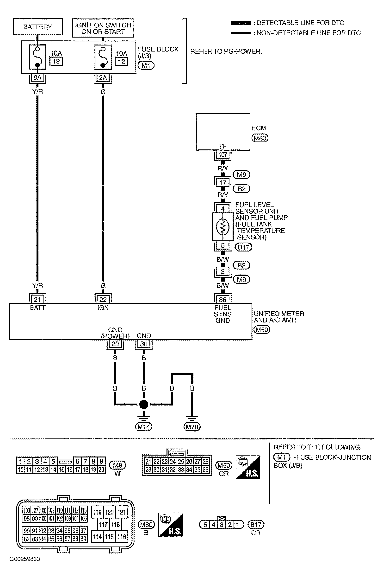
Fig 2: DTCs P0182 & P0183 (2 Of 4)
G00259833Courtesy of NISSAN MOTOR CO., U.S.A.
Fig 3: DTCs P0182 & P0183 (3 Of 4)
G00259834Courtesy of NISSAN MOTOR CO., U.S.A.
Fig 4: DTCs P0182 & P0183 (4 Of 4)
G00259835Courtesy of NISSAN MOTOR CO., U.S.A.