LEMON Manuals: Even more car manuals for everyone: 1960-2025
Home >> Nissan-Datsun >> 2004 >> Sentra SE-R Spec V >> Repair and Diagnosis >> External Pages >> Different car >> Section 211 (Engine Controls - Self-Diagnostics) >> Diagnostic Tests >> DTC P0453: EVAP Control System Pressure Sensor High Input
April 5, 2026: LEMON Manuals is launched! Read the announcement.

DTC P0453: EVAP Control System Pressure Sensor High Input

WARNING: This page is about a different car, the 2003 Nissan Murano. However, it is still accessible from the selected car via links, so may be relevant.
NOTE: Before performing diagnostic procedure, follow testing procedure. See TESTING PROCEDURE  under SELF-DIAGNOSTIC SYSTEM.

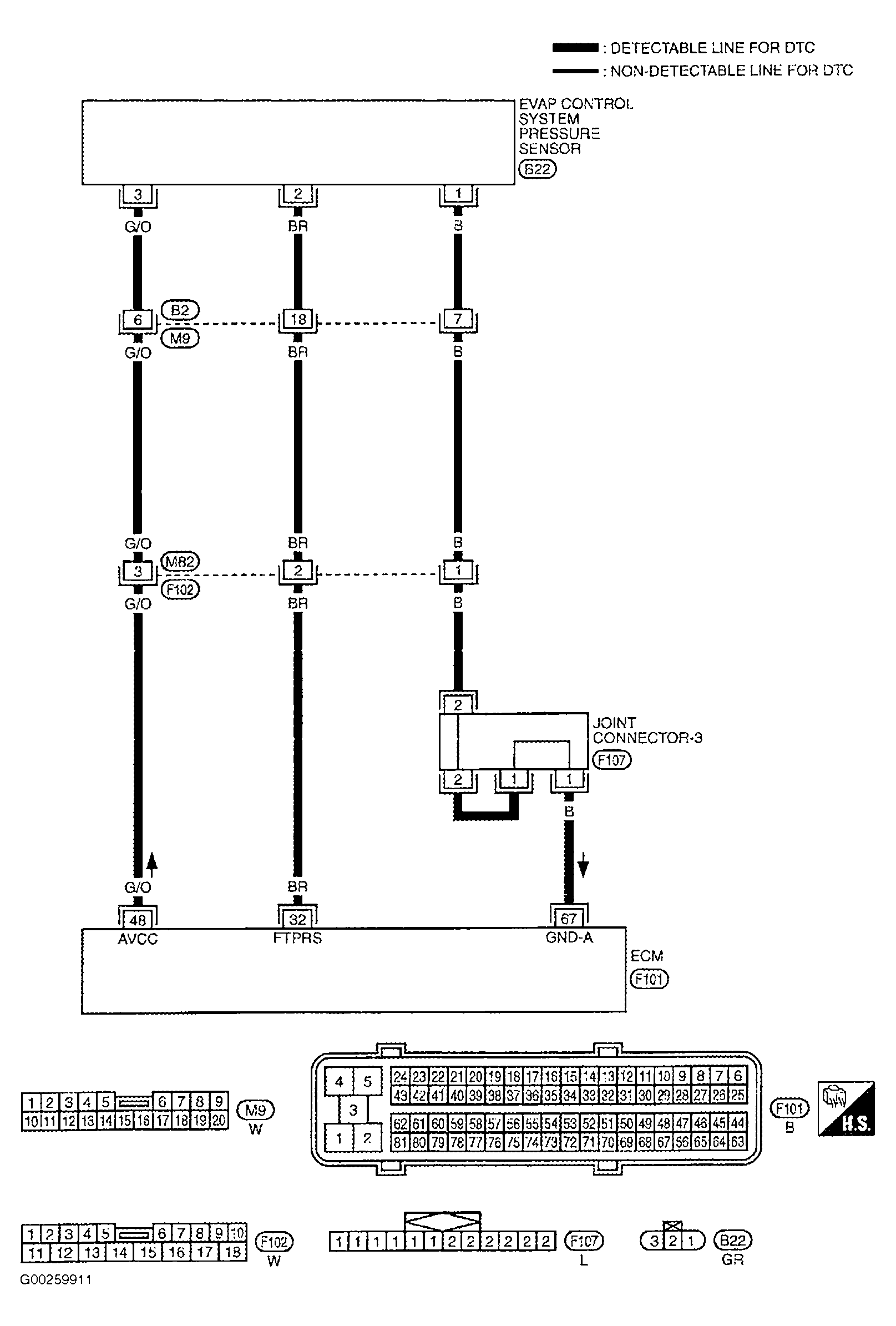
For diagnostic procedures, see Fig 1-Fig 7 .

Fig 1: DTC P0453 (1 Of 7)
G00259909Courtesy of NISSAN MOTOR CO., U.S.A.
Fig 2: DTC P0453 (2 Of 7)
G00259910Courtesy of NISSAN MOTOR CO., U.S.A.
Fig 3: DTC P0453 (3 Of 7)
G00259911Courtesy of NISSAN MOTOR CO., U.S.A.
Fig 4: DTC P0453 (4 Of 7)
G00259912Courtesy of NISSAN MOTOR CO., U.S.A.
Fig 5: DTC P0453 (5 Of 7)
G00259913Courtesy of NISSAN MOTOR CO., U.S.A.
Fig 6: DTC P0453 (6 Of 7)
G00259914Courtesy of NISSAN MOTOR CO., U.S.A.
Fig 7: DTC P0453 (7 Of 7)
G00259915Courtesy of NISSAN MOTOR CO., U.S.A.