LEMON Manuals: Even more car manuals for everyone: 1960-2025
Home >> Nissan-Datsun >> 2004 >> Sentra SE-R Spec V >> Repair and Diagnosis >> External Pages >> Different car >> Section 213 (Engine Controls - Self-Diagnostics) >> Diagnostic Tests >> DTC P0122 & DTC P0123: Throttle Position Sensor >> Wiring Diagram & Specification Data For Throttle Position Sensor
April 5, 2026: LEMON Manuals is launched! Read the announcement.

Wiring Diagram & Specification Data For Throttle Position Sensor

WARNING: This page is about a different car, the 2003 Infiniti M45. However, it is still accessible from the selected car via links, so may be relevant.

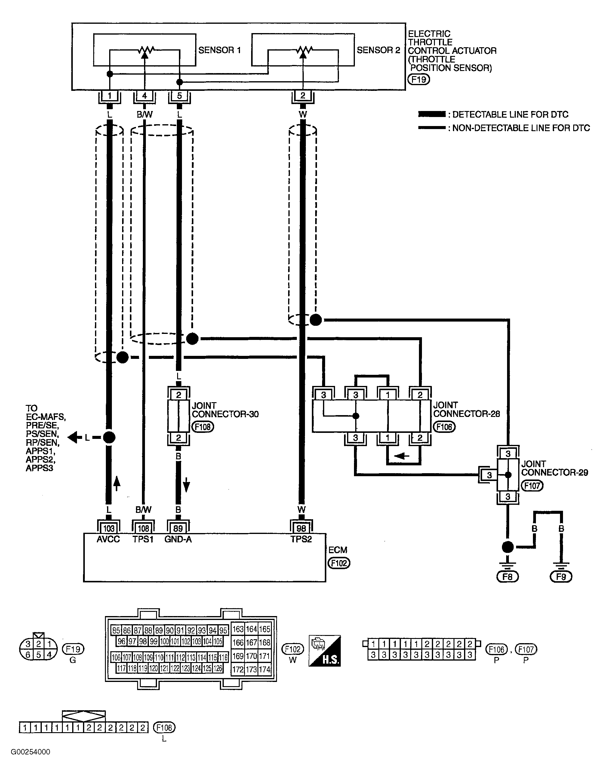
For wiring diagram and specification data for Throttle Position (TP) sensor, see Fig 1 and Fig 2 .

Fig 1: Wiring Diagram For Throttle Position Sensor
G00254000Courtesy of NISSAN MOTOR CO., U.S.A.
Fig 2: Specification Data & Reference Values For Throttle Position Sensor
G00254001Courtesy of NISSAN MOTOR CO., U.S.A.